QQ登录

只需一步,快速开始

登录 | 注册 | 找回密码

三维网

 找回密码
 注册

QQ登录

只需一步,快速开始

展开

通知     

全站
10天前
查看: 1351|回复: 2
收起左侧

[已解决] 哪里有此种功能的多路换向阀。

[复制链接]
发表于 2008-1-9 08:38:17 | 显示全部楼层 |阅读模式 来自: 中国天津

马上注册,结识高手,享用更多资源,轻松玩转三维网社区。

您需要 登录 才可以下载或查看,没有帐号?注册

x
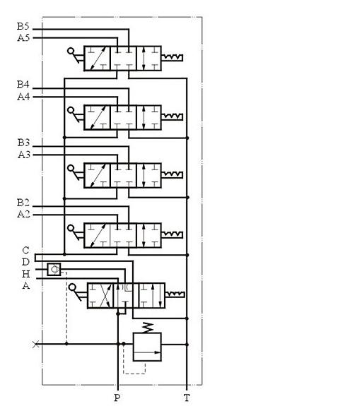
设计的起重机支腿液压回路拟用图中的控制形式,不知哪里有该功能的多路换向阀,阀1、2集成在一起最好。
3 001.jpg
 楼主| 发表于 2008-1-11 08:12:24 | 显示全部楼层 来自: 中国天津
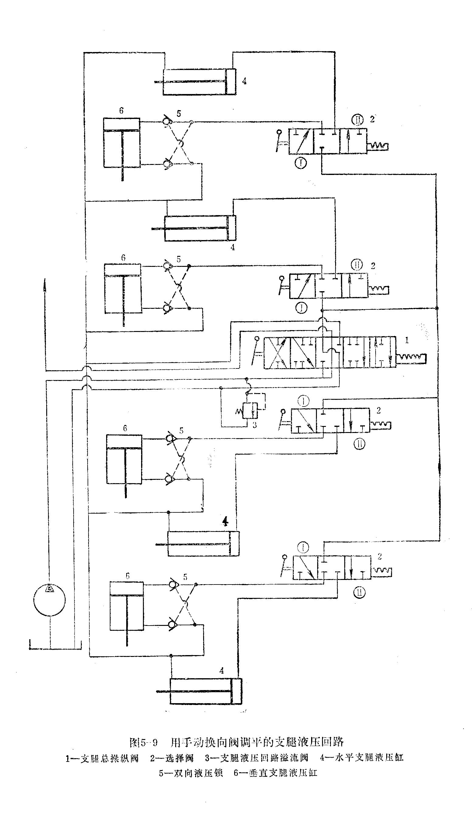
不知采用DL-8型多路阀可以吗?为什么没人理我呀?
未命名.JPG
发表于 2008-1-11 22:18:40 | 显示全部楼层 来自: 中国四川成都
如果起重机的支腿缸径较小,可以用DL-8型多路阀做支腿操作阀。因该型阀是片式结构的多路阀,仿多田野汽车起重机的下车控制阀设计,是否要采用定位器需要认真考虑。
发表回复
您需要登录后才可以回帖 登录 | 注册

本版积分规则


Licensed Copyright © 2016-2020 http://www.3dportal.cn/ All Rights Reserved 京 ICP备13008828号

小黑屋|手机版|Archiver|三维网 ( 京ICP备2023026364号-1 )

快速回复 返回顶部 返回列表