QQ登录

只需一步,快速开始

登录 | 注册 | 找回密码

三维网

 找回密码
 注册

QQ登录

只需一步,快速开始

展开

通知     

全站
7天前
查看: 2135|回复: 5
收起左侧

[求助] 求 带式运输机传动装置设计.........谢谢

[复制链接]
发表于 2008-1-4 22:26:08 | 显示全部楼层 |阅读模式 来自: 中国浙江舟山

马上注册,结识高手,享用更多资源,轻松玩转三维网社区。

您需要 登录 才可以下载或查看,没有帐号?注册

x
最近刚学机械,很多不懂  求助大家帮忙。。。。。6 f' `$ |7 M$ L+ W# Q: w& Z, O4 s% N
% n8 f$ ]: [9 `
带式运输机传动装置设计6 u4 c' T* W8 M6 L8 f
* B: N" O. w6 m& p6 V
运输带工作拉力F=1.4KN
5 H6 P+ ]/ ]+ r' ]2 n" ^" K5 I- {运输带工作速度V=0.8m/s/ R/ l. X$ B0 ?$ F& H. c/ I
滚筒直径D=641mm
9 c: s: m% O; ?滚动效率
. B% d/ l( W1 d. ]工作情况:两班制,连续单向运转,载额较平稳( u! k" }) c. M# y$ Q
工作情况:室内,灰尘较大,环境最高温度35度左右# V. y6 J# t8 V2 T" V
使用折价期8年,4年大修一次
! K( _( e6 P' n' e制造条件及生产批量:一般机械厂制造,小批量生产9 Y* O; @! f$ ^% P2 Z
: U% l+ E+ z( K4 g; Z" s5 U
6 X6 U8 {" ~4 k2 ?! \) j

. U5 D: @! P* G% x
  r8 T" o1 I/ A/ H2 d' Z& k有会的会帮帮我吧~~~~啊门    谢谢!
" T3 t1 A9 X. x" o, g7 C$ x
- I' a' ^9 T2 j我的邮箱是  cc999@126.com  谢谢
发表于 2008-1-5 08:24:47 | 显示全部楼层 来自: 中国辽宁营口
http://www.3dportal.cn/discuz/vi ... B%B6%AF%D7%B0%D6%C3
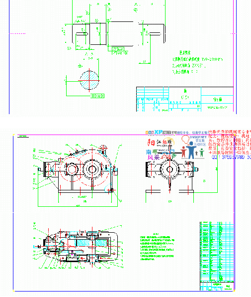
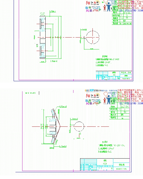
  r) s  }2 [6 r: T3 u用于带式运输机传动装置中的同轴式二级圆柱齿轮减速器1 N, B4 `" L* ~0 m" K4 d* |

0 d& P0 u. h1 l! w: Z/ thttp://www.3dportal.cn/discuz/vi ... B%B6%AF%D7%B0%D6%C3
: p5 T3 f1 O) _) L& _0 C用于带式运输机传动装置中的同轴式二级圆柱齿轮减速器. v* |$ H$ v5 z! z/ u0 |: f# C# Q' w

  i* g8 W- K- m0 ]6 h7 y# u- X/ S+ o希望能给楼主启发

评分

参与人数 1三维币 +2 收起 理由
hero2006 + 2 应助

查看全部评分

发表于 2008-1-5 09:03:07 | 显示全部楼层 来自: 中国广东东莞
给你看看是不是? :lol:7 _& [/ U, M' S( K" H
( i5 c! c# K0 c$ p: `
[ 本帖最后由 龚翔 于 2008-1-5 09:31 编辑 ]
QQ1.bmp
QQ截图未命名.bmp

评分

参与人数 1三维币 +2 收起 理由
hero2006 + 2 应助

查看全部评分

 楼主| 发表于 2008-1-5 22:00:35 | 显示全部楼层 来自: 中国浙江舟山
谢谢哦    不过我要的是齿轮—蜗杆  的传动方案
发表于 2008-1-7 09:40:11 | 显示全部楼层 来自: 中国北京
那个斜齿轮和直齿轮有什么区别呢  就是选择的原则是什么呢
发表于 2008-1-7 09:40:50 | 显示全部楼层 来自: 中国北京
使用CAD制图嘛??
发表回复
您需要登录后才可以回帖 登录 | 注册

本版积分规则


Licensed Copyright © 2016-2020 http://www.3dportal.cn/ All Rights Reserved 京 ICP备13008828号

小黑屋|手机版|Archiver|三维网 ( 京ICP备2023026364号-1 )

快速回复 返回顶部 返回列表