QQ登录

只需一步,快速开始

登录 | 注册 | 找回密码

三维网

 找回密码
 注册

QQ登录

只需一步,快速开始

展开

通知     

全站
10天前
查看: 2458|回复: 12
收起左侧

[已答复] 检具设计

[复制链接]
发表于 2008-1-4 15:13:56 | 显示全部楼层 |阅读模式 来自: 中国江苏无锡

马上注册,结识高手,享用更多资源,轻松玩转三维网社区。

您需要 登录 才可以下载或查看,没有帐号?注册

x
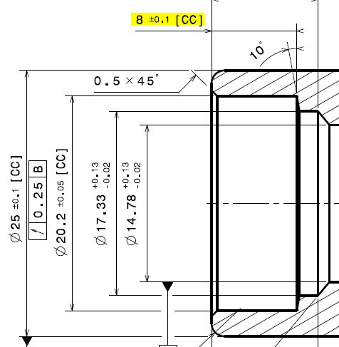
如图黄色关键尺寸,最好用检具在加工中进行全检?请问大家对于这样一个有底面是斜面的,如何设计检具检测深度?
Snap2.jpg
发表于 2008-1-4 15:30:42 | 显示全部楼层 来自: 中国安徽合肥
做一个直径20.15mm厚6±0.005mm的缺边量块来间接测量。
' n. z& m; T  [/ x/ ?
4 [9 x# v- a' b* E* o" T 量块.JPG 0 M5 L' G8 j0 m

4 V; x. U3 l6 a4 U[ 本帖最后由 ljwquan 于 2008-1-4 15:59 编辑 ]

评分

参与人数 1三维币 +6 收起 理由
userkypdy + 6 应助

查看全部评分

 楼主| 发表于 2008-1-4 15:35:17 | 显示全部楼层 来自: 中国江苏无锡
缺边量块没用过,请问楼上能不能赐个简图或者给点相关资料.
发表于 2008-1-4 15:46:39 | 显示全部楼层 来自: 中国安徽合肥

回复 3# 的帖子

已重新编辑,可否合意请查看。
发表于 2008-1-5 07:05:43 | 显示全部楼层 来自: 中国江苏常州
看不清你的图纸!!!!!!!!!!??????????
发表于 2008-1-5 07:10:31 | 显示全部楼层 来自: 中国江苏常州
上数控车,这种精度能完全保证,没必要做量块全检,费力费事。
 楼主| 发表于 2008-1-5 07:54:39 | 显示全部楼层 来自: 中国江苏无锡
多谢2楼的兄弟,不过还是期待有别的答案好多个思路.
, F; I" h+ l; g! U# j2 i+ Y2 L" s8 F, G
回楼上,数控车是没有问题,但是如果做的量够大的话,100K-300K,谁也不敢保证就不会出问题.
发表于 2008-1-5 08:45:56 | 显示全部楼层 来自: 中国山东威海
使用深度百分表测量,配上二楼的测头
发表于 2008-1-5 10:16:24 | 显示全部楼层 来自: 中国河北唐山
我认为做一个整体的量块测量更准确,厚8±0.005mm,直径20.15mm,使用百分表测量工件的端面及量块的端面之差值,即是误差值# H) |0 Y( H9 f, S6 I5 j) [  ]

5 {& @) V8 ~% {& c5 N[ 本帖最后由 YFCC 于 2008-1-5 10:19 编辑 ]
发表于 2008-5-15 14:51:31 | 显示全部楼层 来自: 中国上海
回楼上,数控车是没有问题,但是如果做的量够大的话,100K-300K,谁也不敢保证就不会出问题.
发表于 2008-5-15 15:33:29 | 显示全部楼层 来自: 中国浙江宁波
数控加工只是说不良品的机率较小,不能说是没有不良品。但检测工具不管你是用的设备是什么。都必须具备的,我同意8楼的方法,只不过要增加一个准确的校对的东西就可以了,2楼的模具不用缺边,但外径一定要做在下公差,使用这样的模具全检比较省时省力的。
发表于 2008-5-15 15:33:57 | 显示全部楼层 来自: 中国江苏常州
按照2楼的方式
# W. v" b" k; @不过是做个8(0·-0.1)的检具- d* P6 Q4 n1 K# D
外带翻边,
; O" J, e- O: f3 [8 n0 Z用塞尺来塞
- D% _$ e2 b! r6 A% _超过0.2的作废。
发表于 2008-5-15 17:48:42 | 显示全部楼层 来自: 中国山东烟台
既然是检查深度,那么就存在三种情况:
" h/ g+ U3 F( W0 H4 u  j 1.工件实际深度小于规定值8 {7 L( N- c+ S7 K9 j: l, v
2.工件实际深度等于规定值; N* r, D2 {( u2 k- T  I
3.工件实际深度大于规定值
  _6 Y2 w" H+ Y- v* E! t7 v那么只用一种工具我觉得不会省时省力又准确,个人赞同8楼的观点,深度百分表配合量块来进行检测。
发表回复
您需要登录后才可以回帖 登录 | 注册

本版积分规则


Licensed Copyright © 2016-2020 http://www.3dportal.cn/ All Rights Reserved 京 ICP备13008828号

小黑屋|手机版|Archiver|三维网 ( 京ICP备2023026364号-1 )

快速回复 返回顶部 返回列表