QQ登录

只需一步,快速开始

登录 | 注册 | 找回密码

三维网

 找回密码
 注册

QQ登录

只需一步,快速开始

展开

通知     

全站
10天前
查看: 3530|回复: 4
收起左侧

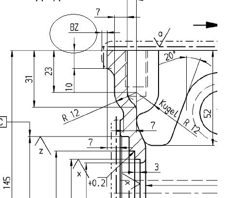
[已解决] 德国图纸中的BZ表示什么意思?

[复制链接]
发表于 2008-1-3 17:35:56 | 显示全部楼层 |阅读模式 来自: 中国四川眉山

马上注册,结识高手,享用更多资源,轻松玩转三维网社区。

您需要 登录 才可以下载或查看,没有帐号?注册

x
谁能告诉我德国图纸中的BZ表示什么意思?, V9 T1 a2 ?$ y" C$ T; Z, w7 e; u
谢谢。! C' }# z8 o, G1 v( t
6 a+ g. K1 g, J
[ 本帖最后由 dxm 于 2008-1-4 12:54 编辑 ]
未命名.JPG
发表于 2008-1-3 19:00:00 | 显示全部楼层 来自: 中国江苏苏州
你可以发一张图纸我看一下,# m& ~1 ~8 \( d/ y+ x, \
这样说我不好回答你
发表于 2008-1-9 11:51:25 | 显示全部楼层 来自: 美国

我知道BZ什么意思

B-bezuege
; G( ~1 r5 w! i6 L: ^Z-Zeichung4 J3 ^/ s! t# S/ g" m
相关图纸的意思

评分

参与人数 1三维币 +4 收起 理由
userkypdy + 4 应助

查看全部评分

 楼主| 发表于 2008-1-11 19:45:19 | 显示全部楼层 来自: 中国四川眉山
衷心感谢您的答复.
发表于 2008-1-11 20:07:06 | 显示全部楼层 来自: 中国重庆
我认为也是3楼的意思。
发表回复
您需要登录后才可以回帖 登录 | 注册

本版积分规则


Licensed Copyright © 2016-2020 http://www.3dportal.cn/ All Rights Reserved 京 ICP备13008828号

小黑屋|手机版|Archiver|三维网 ( 京ICP备2023026364号-1 )

快速回复 返回顶部 返回列表