QQ登录

只需一步,快速开始

登录 | 注册 | 找回密码

三维网

 找回密码
 注册

QQ登录

只需一步,快速开始

展开

通知     

全站
7天前
查看: 2466|回复: 6
收起左侧

[已解决] 各种传动轴

[复制链接]
发表于 2008-1-2 16:39:26 | 显示全部楼层 |阅读模式 来自: 中国广东深圳

马上注册,结识高手,享用更多资源,轻松玩转三维网社区。

您需要 登录 才可以下载或查看,没有帐号?注册

x
大家说说各种传动轴的材料及技术要求。谁有这方面的资料。多谢关注。
发表于 2008-1-2 19:33:02 | 显示全部楼层 来自: 中国江苏南京
QC T 29082-92汽车传动轴总成技术条件.doc5 i* o0 n4 U; M0 s! F! r, `
QC/T523-1999《汽车传动轴总成台架试验方法》

评分

参与人数 1三维币 +3 收起 理由
hero2006 + 3 应助

查看全部评分

发表于 2008-1-2 19:45:51 | 显示全部楼层 来自: 中国浙江台州
传动轴是一个总成,零件很多,材料不同就没法细说,连接法兰和万向节叉、轴叉、花键套等主要是45钢或40Cr,轴管是无缝钢管或高密焊管。
3 l1 u. U$ v2 x: h/ u" v3 FQC T 29082-92汽车传动轴总成技术条件.doc& \# T' _; i' v, h8 f" u. T' X
http://www.3dportal.cn/discuz/vi ... 097&highlight=29082
8 r, I  Y3 E1 g! V0 \4 `3 O7 wQC/T523-1999《汽车传动轴总成台架试验方法》
5 G- x+ K# q/ `http://www.3dportal.cn/discuz/vi ... 127688&page=1&extra
, n! y# n9 |7 w2 y# p
) U* p2 P" s; d9 S# f4 f+ P  z[ 本帖最后由 sure16949 于 2008-1-2 20:03 编辑 ]

评分

参与人数 1三维币 +4 收起 理由
hero2006 + 4 应助

查看全部评分

发表于 2008-1-2 20:41:26 | 显示全部楼层 来自: 中国江苏常州
根据受力情况和环境来确定啊
: C! M8 v# F5 C$ {7 Z+ w普通的可以用45,40Cr,20Cr等等4 c2 i% B' b9 Y4 d) W
耐腐蚀的用不锈钢
# I6 g6 t  X* @1 a, q" |; U耐高温的用对应的材料: [0 @/ \  ?" k# H1 |: U0 |# Q1 ]3 |  B
不一定啊
( J+ L! r+ ^; ~% a3 F------------------------& _& m) w. |3 v! S& h
楼主你的是什么具体情况啊?

评分

参与人数 1三维币 +3 收起 理由
hero2006 + 3 应助

查看全部评分

发表于 2008-1-3 09:34:26 | 显示全部楼层 来自: 中国山西太原
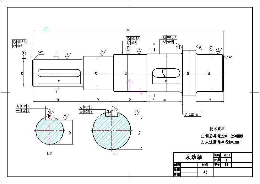
轴的材料一般负荷用45钢,负荷较大的用40Cr、42Cr Mo、40CrMnMo.5 J; j( F! B2 m* K' C! U
技术要求中主要有:热处理要求、加工倒角、轴肩过渡圆角等。! N" [% U5 y. E& {5 I' T: z
示例图:
2 J) ?, b- P) L5 A% u- t8 t& ^* L  S6 D0 u' K9 r1 @- o% Z* k2 R
[ 本帖最后由 gaoyns 于 2008-1-3 09:42 编辑 ]
从动轴.jpg

评分

参与人数 1三维币 +4 收起 理由
hero2006 + 4 应助

查看全部评分

发表于 2008-1-3 12:36:53 | 显示全部楼层 来自: 中国福建漳州
传动轴是一个总称,分很种轴,不过结构也有很多不同,就个人见过的材料有45,40Cr,38CrMoAL,38CrMo,等,有表面淬火的,表面镀硬铬的,有表面渗氮/渗碳的热处理要求,我有一个轴设计的资料,可以给我发邮件,我发给你看一下,我的邮箱是,sunlantao65@sina.com
发表于 2008-1-4 09:39:37 | 显示全部楼层 来自: 中国甘肃兰州
传动轴:实心传动轴、空心传动轴、花键传动轴、万向传动轴、法兰传动轴、软轴、蜗轮传动轴等等。: E3 |& }/ N% `3 k- M6 [% W
材料:一般为45#钢。扭矩大的用合金钢,转矩小的可以用结构钢。
发表回复
您需要登录后才可以回帖 登录 | 注册

本版积分规则


Licensed Copyright © 2016-2020 http://www.3dportal.cn/ All Rights Reserved 京 ICP备13008828号

小黑屋|手机版|Archiver|三维网 ( 京ICP备2023026364号-1 )

快速回复 返回顶部 返回列表