QQ登录

只需一步,快速开始

登录 | 注册 | 找回密码

三维网

 找回密码
 注册

QQ登录

只需一步,快速开始

展开

通知     

全站
10天前
查看: 1445|回复: 4
收起左侧

[已答复] 寻求帮助

[复制链接]
发表于 2007-12-27 11:06:25 | 显示全部楼层 |阅读模式 来自: 中国山东泰安

马上注册,结识高手,享用更多资源,轻松玩转三维网社区。

您需要 登录 才可以下载或查看,没有帐号?注册

x
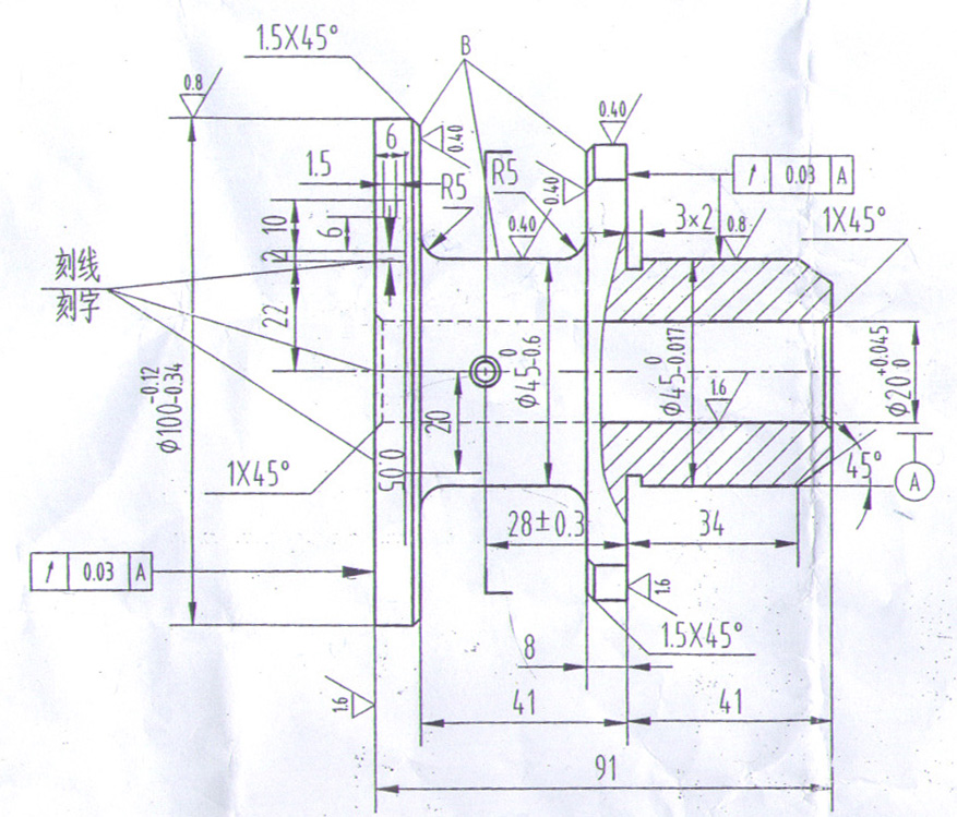
您们好,可以帮帮我吗?我在做课程CA6140法兰盘831004的设计,就要交了,帮帮我好吗?谢谢了!我的邮箱jingting02@163.com谢谢了!
27_891516_e1fbfc9754309a7.jpg
发表于 2007-12-27 11:33:29 | 显示全部楼层 来自: 中国浙江宁波
我也在找啊   同命人
发表于 2007-12-27 11:39:44 | 显示全部楼层 来自: 中国陕西西安
我在做论文呢,快累死了,好多地方也不会
发表于 2007-12-27 15:27:59 | 显示全部楼层 来自: 中国山西太原
给你找点毛病:# l) E; h6 u3 Q8 P+ ~* y
1  φ45(0/-0.017)的轴线作为基准A因为这里精确度高,将φ20(+0.045/0)标成以A为基准的同轴度,公差值取0.03不合理,取0.012.
/ X1 B3 a3 W" ~/ |1 V4 H3 F2  端面跳动标成与基准A的垂直度,其公差值取0.012.5 |. i1 ?% z" y. h
3  3×2退刀槽的标法一规范,应标槽宽和槽底直径。
* B: x! G% B" J5 Y- M  Z" d7 a4  左端面也应标成与基准A的垂直度,公差值取0.03同样太大。
$ O2 }- N7 h) R; C& S5  厚8mm的盘,外径未标,是否此图未画完全,此外圆的表面粗糙度R0.4,不知为什么这么高,是否有配合件。
, M3 K* o1 H/ q7 \0 a% F6  油孔处剖面未画出,应画完整,标出孔及倒角尺寸。
" D" O$ _/ n  d' S7 h" M% I0 v7  刻线应画出一部分,以表示出刻线部位。另应放大画出,标上尺寸。
/ E/ c( Y. B, g% R3 o) O8  图中B表示什么意思?

评分

参与人数 1三维币 +7 收起 理由
userkypdy + 7 应助

查看全部评分

发表于 2007-12-30 13:20:52 | 显示全部楼层 来自: 中国香港
1、0.4粗糙度的面应该不是主要工作面(不可能安装轴瓦等),为什么这么高?
- {7 G9 A) G" }1 B, y4 d2、端线刻字----端线在那里?是端面吧
$ _9 h' ^/ o0 n) R$ h& f7 }3、轴线为A基准,和A线垂直的面相对A线的跳动不大于0.03,是什么意思,我不理解(难道是我太久不画图了?)。是不是后面没有必要标注A* }. w' Q2 m$ q4 Y
4、什么轴,各个轴面精度都要求那么高,这样加工成本也高。7 R) V/ f) P5 |% S4 O
5、其他没有标注粗糙度的面呢,要求是多少?
3 q& i0 {( a) A6、为什么前端要切一个7X45度的大倒角,有必要吗?
, f6 d* x0 h' F4 Y) Q7 X7、R5是不是可以在技术要求中写出来?
2 b$ z4 M7 h: N, ?  L  M: \8、你的技术要求呢?  w0 Y+ m2 Q$ }' k* U* L# f

% v0 J- u! X! ]* ^" o9、倒角一些是1.5x45,一些是1x45,有必要吗?能统一吗; |5 I) X1 }% t. O' i8 M! W
10、倒角是不是也可以在技术要求中写明
发表回复
您需要登录后才可以回帖 登录 | 注册

本版积分规则


Licensed Copyright © 2016-2020 http://www.3dportal.cn/ All Rights Reserved 京 ICP备13008828号

小黑屋|手机版|Archiver|三维网 ( 京ICP备2023026364号-1 )

快速回复 返回顶部 返回列表