QQ登录

只需一步,快速开始

登录 | 注册 | 找回密码

三维网

 找回密码
 注册

QQ登录

只需一步,快速开始

展开

通知     

查看: 2259|回复: 4
收起左侧

[求助] 出图时齿轮的技术要求有那些??

[复制链接]
发表于 2007-12-22 20:11:49 | 显示全部楼层 |阅读模式 来自: 中国四川成都

马上注册,结识高手,享用更多资源,轻松玩转三维网社区。

您需要 登录 才可以下载或查看,没有帐号?注册

x
我们老师说不能只标个8级精度   又没讲下具体怎么标注7 Z+ ]5 [, Z$ T! J" Y8 v1 \

4 r3 `8 R' y$ H5 M& s- R7 _5 ~4 X只好在这里找各位老师讲下了
发表于 2007-12-30 16:46:36 | 显示全部楼层 来自: 中国河北唐山
热处理要求要写清楚,如齿面硬度等。

评分

参与人数 1三维币 +2 收起 理由
hero2006 + 2 应助

查看全部评分

发表于 2008-1-2 14:44:01 | 显示全部楼层 来自: 中国山西太原
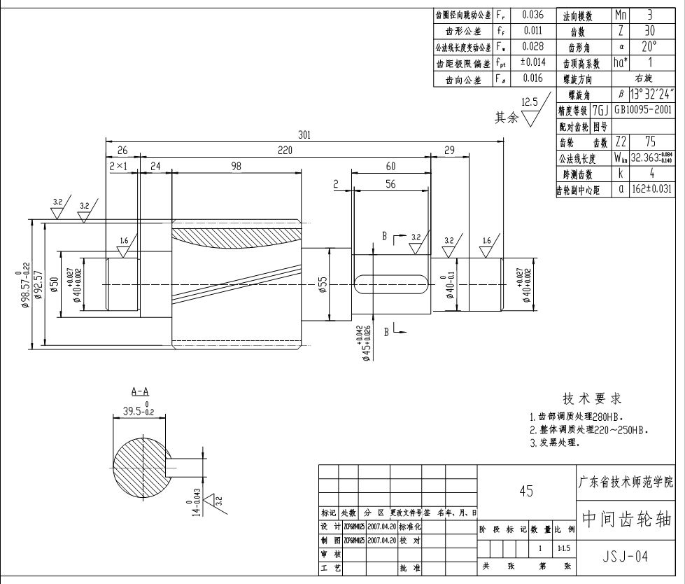
给你发一张图,表明齿轮的技术参数的内容:
齿轮技术参数标法.jpg

评分

参与人数 1三维币 +5 收起 理由
hero2006 + 5 应助

查看全部评分

发表于 2008-1-2 15:29:36 | 显示全部楼层 来自: 中国上海
先参考一下GB/T6443-1986《渐开线圆柱齿轮图样上应注明的尺寸数据》,其中公差项目的选择根据需要。

评分

参与人数 1三维币 +3 收起 理由
hero2006 + 3 应助

查看全部评分

发表于 2008-1-14 15:40:57 | 显示全部楼层 来自: 中国湖北十堰

出图时齿轮

给一个锥齿轮的要求及实例供参考

出图时齿轮的技术要求.pdf

52.46 KB, 下载次数: 22

评分

参与人数 1三维币 +4 收起 理由
hero2006 + 4 应助

查看全部评分

发表回复
您需要登录后才可以回帖 登录 | 注册

本版积分规则


Licensed Copyright © 2016-2020 http://www.3dportal.cn/ All Rights Reserved 京 ICP备13008828号

小黑屋|手机版|Archiver|三维网 ( 京ICP备2023026364号-1 )

快速回复 返回顶部 返回列表