QQ登录

只需一步,快速开始

登录 | 注册 | 找回密码

三维网

 找回密码
 注册

QQ登录

只需一步,快速开始

展开

通知     

全站
8天前
查看: 2931|回复: 10
收起左侧

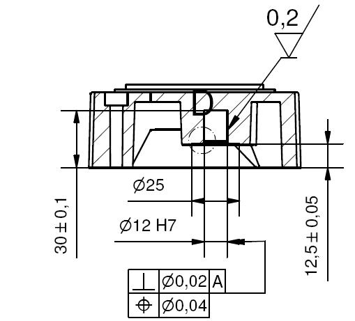
[已解决] 光洁度0.2的孔 如何加工好

[复制链接]
发表于 2007-12-13 13:52:23 | 显示全部楼层 |阅读模式 来自: 中国浙江宁波

马上注册,结识高手,享用更多资源,轻松玩转三维网社区。

您需要 登录 才可以下载或查看,没有帐号?注册

x
材质为铝合金ADC12
( [. F9 O0 F# |$ @6 A7 I2 T如何保证这个孔0.2的光洁度?0 h: [" s4 O% u" e1 i- K8 g$ S/ [
因为是铝的,工厂说用在加工中心上用磨头磨,我担心尺寸又控制不了....; f% [/ u" A: C
还请各位给点高见,谢谢!
未命名.jpg
发表于 2007-12-13 17:19:23 | 显示全部楼层 来自: 中国北京
先用镗刀镗,大概留0.30-0.50mm余量,然后用CBN的绞刀绞

评分

参与人数 1三维币 +2 收起 理由
hero2006 + 2 应助

查看全部评分

发表于 2007-12-13 17:42:25 | 显示全部楼层 来自: 中国江苏常州
用镜面滚压刀具试试看
 楼主| 发表于 2007-12-14 10:07:42 | 显示全部楼层 来自: 中国浙江宁波
绞孔的时候,转速多少比较适合?
发表于 2007-12-15 15:39:07 | 显示全部楼层 来自: 中国河北沧州
如果有精铸设备,这种精度是能铸出来的。
发表于 2007-12-15 16:56:20 | 显示全部楼层 来自: 中国江苏常州
原帖由 zhangzu 于 2007-12-13 17:19 发表 http://www.3dportal.cn/discuz/images/common/back.gif. z- q4 s- B" N) P5 R( M+ k
先用镗刀镗,大概留0.30-0.50mm余量,然后用CBN的绞刀绞
; X  I: t. u# M3 A! S; x
同意二楼的说法,但我认为CBN的绞刀不能够切刀量过大0.3MM的余量太多.我建议0.1的余量会更好.; _2 k/ _- A# ^, X. U, t
另外主轴转速不能太高,我建议200r/分左右\走刀量0.15左右.试试看吧!有了结果请跟我讲一下哦!
发表于 2007-12-15 17:05:19 | 显示全部楼层 来自: 中国江苏常州
[quote]原帖由 wjjhbh 于 2007-12-15 16:56 发表 http://www.3dportal.cn/discuz/images/common/back.gif
7 d* C; `3 c1 R
: e* N# Z( y( ^; Z0 |# k2 K同意二楼的说法,但我认为CBN的绞刀不能够切刀量过大0.3MM的余量太多.我建议0.1的余量会更好.% i7 M1 r% l6 G2 ~' t
% F2 W* N% H* @) @: |1 J" \
另外主轴转速不能太高,我建议200r/分左右\走刀量0.15左右.试试看吧!有了结果请跟我讲一下哦!
7 `3 D0 S$ }% Q- r8 N2 g; e0 h( J5 B- ?6 l1 q. g
同意此说法.加工时最好再用吹枪清理切除物.
发表于 2007-12-15 19:20:04 | 显示全部楼层 来自: 中国黑龙江佳木斯
精度0.2的铝合金的孔,最好是铰孔后进行滚压才能达到.铰孔前留量0.1-0.15,不宜过大.
发表于 2007-12-17 11:29:42 | 显示全部楼层 来自: 中国浙江台州
原帖由 huhenghbh 于 2007-12-15 17:05 发表 http://www.3dportal.cn/discuz/images/common/back.gif: L) T* ~* E% K- V% ]6 d' R3 J
[quote]原帖由 wjjhbh 于 2007-12-15 16:56 发表 http://www.3dportal.cn/discuz/images/common/back.gif( _* q. v9 l$ W+ l( B8 R8 E
' A: g3 d8 {' P9 J
同意二楼的说法,但我认为CBN的绞刀不能够切刀量过大0.3MM的余量太多.我建议0.1的余量会更好.
4 L+ x4 _7 Q4 F  a
1 o$ f: O. Y0 \, P0 j  n另外主轴 ...
6 Y/ ^- l% u; W2 d
最好产品能T6处理,这样表面粗糙度好保证!
发表于 2007-12-17 22:55:48 | 显示全部楼层 来自: 中国四川德阳
弄清楚是不是设计不合理。
- b' h! j1 M2 n- a1 x9 _. P通常H7 的公差只需要Ra0.8或Ra1.6就足够了。
发表于 2007-12-18 00:16:00 | 显示全部楼层 来自: 中国甘肃武威
你这个孔不知具体的作用是什么,就从零件本身来看,似乎不需要这么高的表面精度。
发表回复
您需要登录后才可以回帖 登录 | 注册

本版积分规则


Licensed Copyright © 2016-2020 http://www.3dportal.cn/ All Rights Reserved 京 ICP备13008828号

小黑屋|手机版|Archiver|三维网 ( 京ICP备2023026364号-1 )

快速回复 返回顶部 返回列表