QQ登录

只需一步,快速开始

登录 | 注册 | 找回密码

三维网

 找回密码
 注册

QQ登录

只需一步,快速开始

展开

通知     

查看: 2072|回复: 11
收起左侧

[已解决] 这张图应该怎么画

[复制链接]
发表于 2007-12-12 08:37:13 | 显示全部楼层 |阅读模式 来自: 中国浙江嘉兴

马上注册,结识高手,享用更多资源,轻松玩转三维网社区。

您需要 登录 才可以下载或查看,没有帐号?注册

x
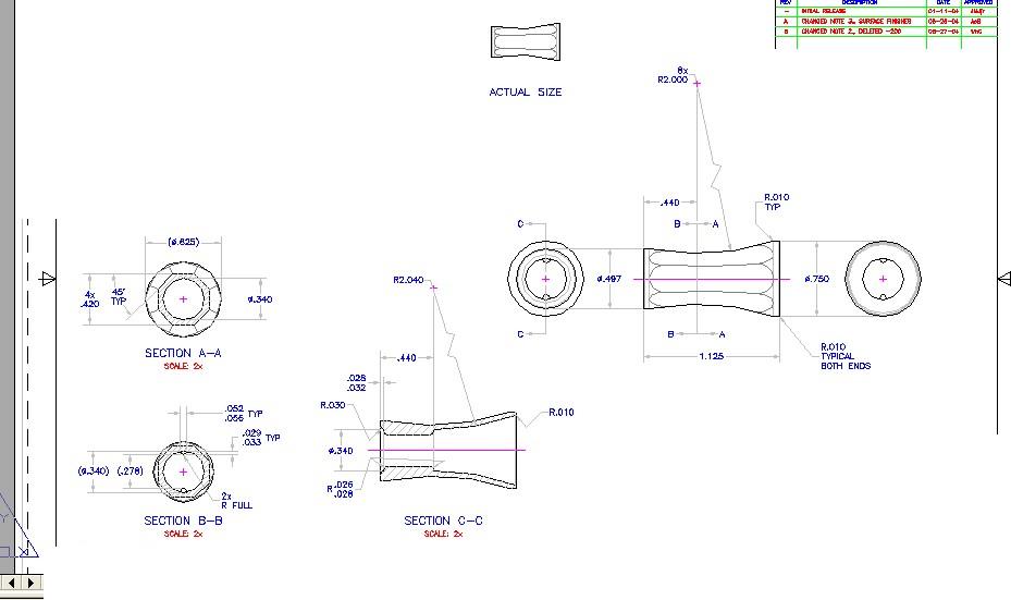
这张图我绘画~1请高手帮帮忙
zz.jpg
发表于 2007-12-12 11:04:04 | 显示全部楼层 来自: 中国山东烟台
图纸有点问题
0 v, Q2 M. h- X5 s; A5 a: L大端尺寸有两个0.825IN和0.75IN' d# t& x; {/ v+ D& s7 f
差别比较大
' o$ r; [1 e1 C4 r按图纸比例是个斜面的可能性又比较小
" k* ^$ [" p7 l7 h2 W- A. d而且根据图纸尺寸出来的形状和图上的不一样
, E6 a# W5 F# G3 y/ i" X$ B见附图,大端切出来的形状会和图纸差别很大& Z+ ~7 W' j, o& V, o) }
. l2 P+ b5 N$ O+ F7 O" H% M- e2 W
[ 本帖最后由 a114977445 于 2007-12-12 11:22 编辑 ]
未命名.JPG
发表于 2007-12-12 12:24:46 | 显示全部楼层 来自: 中国江苏苏州
楼主的图太模糊了
) o: _7 T0 [, H/ V' f6 u应该是% `; r% m5 O3 ^. P6 H
1.放样5 w, U# N% \: r- X+ ?
2.切除* c2 r) L) n5 q8 _6 O. g% b
3.阵列
( O% f/ x1 n/ K3 o# _8 }4.内部处理
0 n/ g$ u1 I3 h5 a8 v5.细节
 楼主| 发表于 2007-12-12 17:10:57 | 显示全部楼层 来自: 中国浙江嘉兴
就是不知道那个切除给怎么切
发表于 2007-12-12 17:57:26 | 显示全部楼层 来自: 中国浙江杭州

回复 4# 的帖子

用手插入切除---扫描切除就好了.
5 ]7 U% O" a6 v, g$ l 1.jpg
6 ?0 I5 O  E- i, ~6 g" x3 w% I* ?
[ 本帖最后由 hahap 于 2007-12-12 18:18 编辑 ]
发表于 2007-12-13 09:05:56 | 显示全部楼层 来自: 中国广东中山
楼主,大端数据有问题 
1.jpg
发表于 2007-12-13 10:09:42 | 显示全部楼层 来自: 中国广东中山
改了改数据,大概画了个样子, @# J2 _% p7 @8 F( a" L) O

8 n  W0 I- f+ P2 r$ O/ t  j2 a[ 本帖最后由 mr.lee 于 2007-12-14 08:24 编辑 ]
zz.jpg

zz.rar

120.73 KB, 下载次数: 17

 楼主| 发表于 2007-12-13 12:12:44 | 显示全部楼层 来自: 中国浙江嘉兴
能传个源文件让我学学好么~!谢谢了
发表于 2007-12-13 22:30:11 | 显示全部楼层 来自: 中国上海
班猪,把源文件放上来让我们看看吧,光看图片不过隐啊
发表于 2007-12-14 08:14:17 | 显示全部楼层 来自: 中国广东深圳
我做了一个简单的看看,尺寸没有加
未命名.JPG

1.rar

140.52 KB, 下载次数: 11

评分

参与人数 1三维币 +3 收起 理由
mr.lee + 3

查看全部评分

发表于 2007-12-14 09:15:18 | 显示全部楼层 来自: 中国浙江宁波
随手画了一个,还没有完工,有些地方要调整一下。
sample.JPG
sample2.JPG
 楼主| 发表于 2007-12-14 18:14:43 | 显示全部楼层 来自: 中国浙江嘉兴
谢谢了啊~!!正在学习~!!
发表回复
您需要登录后才可以回帖 登录 | 注册

本版积分规则


Licensed Copyright © 2016-2020 http://www.3dportal.cn/ All Rights Reserved 京 ICP备13008828号

小黑屋|手机版|Archiver|三维网 ( 京ICP备2023026364号-1 )

快速回复 返回顶部 返回列表