QQ登录

只需一步,快速开始

登录 | 注册 | 找回密码

三维网

 找回密码
 注册

QQ登录

只需一步,快速开始

展开

通知     

全站
8天前
查看: 6109|回复: 8
收起左侧

[讨论结束] 有哪位高人,自做过步进电机细分驱动板?

 关闭 [复制链接]
发表于 2007-12-9 11:01:50 | 显示全部楼层 |阅读模式 来自: 中国福建南平

马上注册,结识高手,享用更多资源,轻松玩转三维网社区。

您需要 登录 才可以下载或查看,没有帐号?注册

x
有哪位高人自做过步进电机细分驱动板,驱动两相步进电机,电流3A,给个资料,谢谢了。
! @0 C, s. y1 |3 J# C
* f- j- ?2 P2 ~: D$ b[ 本帖最后由 zhous_ch 于 2008-3-31 19:01 编辑 ]
发表于 2007-12-9 13:40:20 | 显示全部楼层 来自: 中国广西钦州

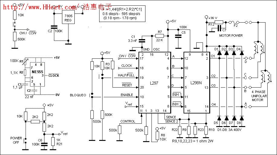
两相/四相(L297+L298)步进电机驱动电路

http://www.nnssh.com/chanpin/NS-cnc.htm
" Y% h% h! X8 e" F5 `0 d. D! P0 B% E/ c
9 q* l# v! i. y2 A) t" ^" o# N
0 ?8 G" d' b: z
NS-CNC步进电机驱动器
NS-CNC步进电机驱动器,其步进电机驱动电路是经典的L297+L298集成块组合电路,X/Y/Z 3路驱动与微处理器连机控制。双极性驱动二相永磁步进电机及二相(四相)混合式步进电机
电路板尺寸:10.8*7.3CM 实物:11*8.1*6.3CM
NS-CNC步进电机驱动器技术参数:
; u3 f# E! u. [. f2 n3 X6 n
供电电源( B$ P" V. R9 \+ i* s
推动电压:12-36V6A前置输入9V0.25A9 k$ C( d' c7 C3 a4 R$ v
输出电流' ?1 n( d4 F& g1 F
峰值2A/相- W7 X. r8 `+ x  S; O. C0 D6 S
驱动方式
+ i' Q" G, ]: }" A7 R8 _2 ^. c
恒相电流
* `; \/ p0 C2 A% T$ J
励磁方式
" v( W% \) D, m9 K" q$ g* \* ?" w
整步、半步(2细分)& f2 u9 g* S. A2 l  v

1 q! @% t! e0 m% K

2 W: ]( k1 _9 X  @7 P/ }/ ^" x
使用环境及参数:

8 y6 C* p- g& {2 t( [/ d7 m  G* Q& Y3 t4 `
冷却方式
自然冷却(恶劣情况下需外加辅助散热)
8 [3 s$ f" p, r) V" \9 G3 H6 t  R
使用环境& M' r, P" ^$ m) D
场合
尽量避免粉尘、油雾及腐蚀性气体
8 X" H, D! j9 C+ j0 Q' i% S1 x
温度
0-+50摄氏度
' W) f6 [, J( i. L* q
湿度
<80%RH 无凝露、无结霜4 Q2 `/ F( Y0 e& [! L$ ?/ ?
振动
5.9m/s 2 MAX
" G# {2 x9 y& m4 d4 \2 k/ i# H. l
保存温度
-20-+65摄氏度' {$ ]# ?, ?+ f6 q/ T9 g  w
外形尺寸
11*8.1*6.3CM! n6 u7 q+ D8 C1 E) ^  T$ g
. j  E6 Y( m9 U* v2 |# |. D
& ^' z( A7 Y) ~7 p
电源电压:驱动部分:本驱动器可适应较宽电压范围用户可根据自己的情况在10V-36V之间选择。一般来说较高的额定电压有利于提高步进电机在高转速扭矩,但却会加大驱动板的功率损耗和温升。
         前置部分:可在9-12V之间选择(推荐9V)。前置部分约消耗0.25A电流,在功率电源输入超过12V时不可将前置电源并接于功率电源,否则电路板上稳压IC发热严重)
输出电流选择:本驱动器最大电流值为2A/相,为配合不同电机使用,调整精密可调电阻以达到最佳电流匹配。
输入信号:本驱动器并口输入信号使用共阴接线方式,+5VTTL电平驱动 
NS-CNC驱动器并口输入引脚说明
X STEPPIN2Y STEPPIN4Z STEPPIN6
X DIRECTIONPIN3Y DIRECTIONPIN5Z DIRECTIONPIN7
X ENABLEPIN16Y ENABLEPIN14Z ENABLEPIN1

% p* U8 v! b3 J
注:STEP时钟、DIRECTION正反转、ENABLE起动
起动端:1脚对应Z路控制为负脉冲驱动。
14脚对应Y路控制为负脉冲驱动
16脚对应X路控制,为正脉冲驱动。
方向端:3、5、7脚分别对应X、Y、Z控制
时钟端:2、4、6脚分别对应X、Y、Z控制" h- I. a' _. b' f2 p% Q9 |
0 E: |9 d% U: {* I5 z
脉冲信号输入:该信号被驱动器解释为一个有效脉冲,并驱动电机运行一步,为确保脉冲信号可靠响应,脉冲电平持续时间不少于10uS,本驱动器最高信号响应频率为70KHz,过高的输入频率将可能得不到正确响应。
( N4 O  a, z- K4 I/ }& `
, h& Q5 u/ D$ V方向信号输入:该端信号的高低电平控制电机的两个转向,控制电机转向时应确保方向信号领先脉冲信号至少10uS建立,可避免驱动器对脉冲的错误响应。 
精密可调电阻:分别设定Z、Y、X斩波线路参考电压 决定步进电机峰值工作电流(顺时针为提高电流值)
跳线说明:J1、J3、J5是CONTROL控制 
     控制输入与规定斩波器动作,低电平斩波器控制INH1和INH2
     J2、J4、J6是HALF/FULL(半/全阶梯输入选择) 
     高电平时选择半阶梯工作,低电平时选择全阶梯工作
关于细分的说明:
NS-CNC步进电机驱动板可以理解为2细分,即J2、J4、J6为高电平时的半阶梯状态
L297与细分理论上不同之处是中间位置两相电流都与不细分相等(理想条件下应该是0.7倍左右),虽非实际意义上的细分,但是经验证L297在2细分(半阶梯)状态下运行效果还很不错。
输出接线方式
接线方式:VCC GND XAXBXCXD YAYBYCYD ZAZBZCZD
( o* k" u$ l" L
NS-cnc步进电机驱动器使用L297+L298的经典电路设计,具有外围元件简单,工作稳定性好的特点。L297+L298集成块是专为步进电机驱动而设计。L298是双H桥式驱动器。L298内含的功率输出器件设计制作在一块石英基片上,由于制作工艺的同一性,因而具有分立元件组合电路不可比拟的性能参数一致性,工作稳定。
L297是步进电机控制集成芯片(包括环形分配器),可产生四相驱动信号,应用于微处理机控制两相双极性和四相单极性步进电机。电动机可由半阶梯、正常和斩波驱动模式驱动,同时设于晶片内的PWM斩波线路容许以开关形式控制线路的电流。此器件只需要时钟、方向和模式输入信号。相位是由内部产生的,因此可减轻微处理机和程序设计的负担。
 
NS-cnc输入部分设置了缓冲隔离,在一定程度上可防止或减轻倒灌电流对计算机的损害。计算机通过并口为驱动板提供控制信号,而步进电机驱动器标定电压36V,在使用当中,如若不慎有意外情况发生,36V电压强行加在计算机并口其后果可想而知。
NS-CNC步进电机驱动器设有工作状态指示灯,在机件控制失灵时可帮助判断电机或上位机软件工作是否正常。
NS-CNC步进电机驱动器没有设置主轴电机继电器,该板以电路简捷,工作可靠为原则,在设计时没有添加杂项。如若确实需要,可另行接线控制。
 
注步进电机的接线方式:步进电机引线没有极性限制,只需分组。如2相双极性步进电机A与B、C与D可以互换连接,其工作不受影响,如果动力输出方向与所需不符时,可调换相接。
线路图:
 
在购买步进电机驱动板之前建议先下载:L297/L298资料并掌握其性能特点
* M6 u$ S7 V! c7 b% k- J
! {9 i. e* Y; w! r3 t
[ 本帖最后由 chinaebwcom 于 2007-12-9 13:46 编辑 ]
20041228232950330.jpg
Img2005523162734.gif
Img2005523162754.gif

评分

参与人数 1三维币 +8 收起 理由
bdblbyq + 8 鼓励参与技术讨论、应助!

查看全部评分

发表于 2007-12-9 13:50:12 | 显示全部楼层 来自: 中国广西钦州
另外一篇,供参考.) _4 y" `; ~* W% R! L

7 u8 E0 g! o6 c# q: x! h
单片机控制步进电机驱动器工作原理
[作者:刘迎春 牟金秀    转贴自:电子开发    点击数: 152    更新时间:2007-11-14
【字体:     A
5 P: p' @4 Y( ^2 j% B
  步进电机在控制系统中具有广泛的应用。它可以把脉冲信号转换成角位移,并且可用作电磁制动轮、电磁差分器、或角位移发生器等。' z- }4 N+ X- t0 q+ V
  有时从一些旧设备上拆下的步进电机(这种电机一般没有损坏)要改作它用,一般需自己设计驱动器。本文介绍的就是为从一日本产旧式打印机上拆下的步进电机而设计的驱动器。0 n; P4 ~/ D% C9 K
  本文先介绍该步进电机的工作原理,然后介绍了其驱动器的软、硬件设计。
( a: `4 {0 H5 F/ E% \" C5 j  1. 步进电机的工作原理
/ \; ?( J9 B" b  i9 _$ U  该步进电机为一四相步进电机,采用单极性直流电源供电。只要对步进电机的各相绕组按合适的时序通电,就能使步进电机步进转动。图1是该四相反应式步进电机工作原理示意图。
8 c  k3 @/ ^* P2 Q9 u- T
图1 四相步进电机步进示意图
  开始时,开关SB接通电源,SA、SC、SD断开,B相磁极和转子0、3号齿对齐,同时,转子的1、4号齿就和C、D相
4 j- W$ V# A& X
绕组磁极产生错齿,2、5号齿就和D、A相绕组磁极产生错齿。
1 t, k! ^8 p/ }: U  当开关SC接通电源,SB、SA、SD断开时,由于C相绕组的磁力线和1、4号齿之间磁力线的作用,使转子转动,1、4号齿和C相绕组的磁极对齐。而0、3号齿和A、B相绕组产生错齿,2、5号齿就和A、D相绕组磁极产生错齿。依次类推,A、B、C、D四相绕组轮流供电,则转子会沿着A、B、C、D方向转动。
* K5 c6 K. y7 `+ Z8 ~$ T2 n. b  四相步进电机按照通电顺序的不同,可分为单四拍、双四拍、八拍三种工作方式。单四拍与双四拍的步距角相等,但单四拍的转动力矩小。八拍工作方式的步距角是单四拍与双四拍的一半,因此,八拍工作方式既可以保持较高的转动力矩又可以提高控制精度。
! H# u3 e6 S/ u* J' k5 ?, }0 b  单四拍、双四拍与八拍工作方式的电源通电时序与波形分别如图2.a、b、c所示:  N* @$ D$ ^; c* B$ x
a. 单四拍                             b. 双四拍                              c八拍
图2.步进电机工作时序波形图
  2.基于AT89C2051的步进电机驱动器系统电路原理
0 Y& N0 w( ]" {0 N" h  步进电机驱动器系统电路原理如图3:  3 D, O$ `. `3 J# X# W% g* l4 l0 w% h
图3 步进电机驱动器系统电路原理图
  AT89C2051将控制脉冲从P1口的P1.4~P1.7输出,经74LS14反相后进入9014,经9014放大后控制光电开关,光电隔离后,由功率管TIP122将脉冲信号进行电压和电流放大,驱动步进电机的各相绕组。使步进电机随着不同的脉冲信号分别作正转、反转、加速、减速和停止等动作。图中L1为步进电机的一相绕组。AT89C2051选用频率22MHz的晶振,选用较高晶振的目的是为了在方式2下尽量减小AT89C2051对上位机脉冲信号周期的影响。
, \- s, K5 K; h' _; T! a  图3中的RL1~RL4为绕组内阻,50Ω电阻是一外接电阻,起限流作用,也是一个改善回路时间常数的元件。D1~D4为续流二极管,使电机绕组产生的反电动势通过续流二极管(D1~D4)而衰减掉,从而保护了功率管TIP122不受损坏。
3 j& Z0 O9 V+ h& v! A8 @  在50Ω外接电阻上并联一个200μF电容,可以改善注入步进电机绕组的电流脉冲前沿,提高了步进电机的高频性能。与续流二极管串联的200Ω电阻可减小回路的放电时间常数,使绕组中电流脉冲的后沿变陡,电流下降时间变小,也起到提高高频工作性能的作用。
: {. a3 F0 C# ^  3.软件设计* k- Q  w; [8 u1 U
  该驱动器根据拨码开关KX、KY的不同组合有三种工作方式供选择:. D3 k9 j! X# U, U
  方式1为中断方式:P3.5(INT1)为步进脉冲输入端,P3.7为正反转脉冲输入端。上位机(PC机或单片机)与驱动器仅以2条线相连。+ B3 V" B1 g) {# I, E! m) L4 a* z
  方式2为串行通讯方式:上位机(PC机或单片机)将控制命令发送给驱动器,驱动器根据控制命令自行完成有关控制过程。
! l/ A1 X2 d* v4 }3 y) Z  方式3为拨码开关控制方式:通过K1~K5的不同组合,直接控制步进电机。- f/ ]4 K! o% r) J
当上电或按下复位键KR后,AT89C2051先检测拨码开关KX、KY的状态,根据KX、KY 的不同组合,进入不同的工作方式。以下给出方式1的程序流程框图与源程序。 3 Y2 k4 D( N! y: F
  在程序的编制中,要特别注意步进电机在换向时的处理。为使步进电机在换向时能平滑过渡,不至于产生错步,应在每一步中设置标志位。其中20H单元的各位为步进电机正转标志位;21H单元各位为反转标志位。在正转时,不仅给正转标志位赋值,也同时给反转标志位赋值;在反转时也如此。这样,当步进电机换向时,就可以上一次的位置作为起点反向运动,避免了电机换向时产生错步。
! e5 o$ v: f6 C! |
$ g0 s9 f. X+ Q' J" W" h) o
图4 方式1程序框图
  方式1源程序:
$ y! q  k7 J3 E6 a6 L  MOV        20H,#00H              ;20H单元置初值,电机正转位置指针
# d3 ]. Z8 R' f( @6 O    MOV         21H,#00H              ;21H单元置初值,电机反转位置指针
$ ]! r' P7 h+ J! h6 C% X    MOV         P1,#0C0H              ;P1口置初值,防止电机上电短路
3 ?; z4 h, R1 o( P5 _7 D1 m/ [& T    MOV         TMOD,#60H           ;T1计数器置初值,开中断
6 f( u+ L2 r: o  o: g    MOV         TL1,#0FFH# ^) a/ `$ d: J, A( k3 D+ Z7 j0 J
    MOV         TH1,#0FFH4 P% g  V) l, N
    SETB        ET1: ?9 j+ x' y' S. G# L0 Y% Q4 M' d
    SETB        EA
; X0 @  A3 N( T' p  W    SETB        TR1/ B) O! l8 l9 g; ?. h+ u2 z
   SJMP        $% P9 F; R. r  H& n
  ;***********计数器1中断程序************
9 ?% a' \5 b  j" Q% cIT1P:       JB          P3.7,FAN              ;电机正、反转指针9 {% B) |4 b' z* J! Q, S; T
  ;*************电机正转*****************
! c* a$ g/ ]+ [  k4 a! B              JB          00H,LOOP0% n; h, @8 U- D) K5 f; @1 i8 i# Y
             JB          01H,LOOP1
8 Y; E3 a0 M! ^, @8 P1 U              JB          02H,LOOP2
3 i% [8 T$ e/ e, n              JB          03H,LOOP3
! F8 I7 a. A7 M/ o$ q3 l              JB          04H,LOOP4
: a1 O2 w  k, o4 `. ?              JB          05H,LOOP5
% }7 w# o# \8 K( R7 B              JB          06H,LOOP6
# z$ C% Q# V/ @. s- \7 t              JB          07H,LOOP7
$ W) ]% W) q! c, N) V* M  LOOP0:       MOV         P1,#0D0H( z# ]) p0 r2 F
              MOV         20H,#02H
7 b6 M' o0 @4 R0 v              MOV         21H,#40H
, p! k7 m: b" f: ]7 j/ {  B              AJMP        QUIT+ r2 Y$ J4 D& ~3 A4 |2 {# p; r, ?
  LOOP1:      MOV         P1,#090H
. x1 V: F9 f, ]/ _2 l# K# r7 ~/ E              MOV         20H,#04H) b% c. R1 g- Q, j2 X
              MOV         21H,#20H  D+ [: _  t8 O: v+ l' f1 u: t9 g
              AJMP        QUIT* Q6 E" Q! S: I9 r& J
  LOOP2:      MOV         P1,#0B0H% _( Q7 y, a5 l* p7 X) J9 H+ y
              MOV         20H,#08H
" p7 c2 ~3 Y# I- y1 s7 y8 \8 T, ]              MOV         21H,#10H
  k6 z6 f6 Z1 E. R2 w8 n              AJMP        QUIT
% b) U3 N* V+ r8 j$ `: c  LOOP3:      MOV         P1,#030H
5 S, x8 ~4 h! F+ M, i1 x" y             MOV         20H,#10H$ O3 Z7 {% f: X
              MOV         21H,#08H; Y" E- G$ a6 o% ?2 x+ c
              AJMP        QUIT
2 v2 E6 ]9 C3 A+ J  LOOP4:      MOV         P1,#070H$ [6 a( n* G3 ^' ]$ w; N! k
              MOV         20H,#20H  B. D: K$ Z, u- X4 d
              MOV         21H,#04H6 o: f. O3 i' F, {
              AJMP        QUIT3 X& D4 w5 d2 U* p1 u4 e9 F
  LOOP5:      MOV         P1,#060H
/ v- Y5 I- u5 |* _4 s1 E% S% T8 B2 c              MOV         20H,#40H& }0 ]+ D  ?. n$ C% M# r: n
              MOV         21H,#02H# J! q$ u3 b4 f( U3 L6 y
              AJMP        QUIT5 h5 W. O# H9 x
  LOOP6:      MOV         P1,#0E0H
- i. w* k8 \6 e% V; |  i              MOV         20H,#80H! y2 l4 h( u: g; l5 h2 v& x
             MOV         21H,#01H8 N* i- g7 I9 z* S
             AJMP        QUIT* L) G: y7 ^$ J) u3 g8 ~! a4 H
  LOOP7:      MOV         P1,#0C0H
" P9 k! p- E( t3 H. r# h/ J6 I( p. z( \              MOV     ;     20H,#01H
- n$ U( D  r/ V" k( _- F, F              MOV         21H,#80H/ u% N& ?  I+ q0 T
              AJMP        QUIT
1 V7 D) n1 \' l2 d) v  ;***************电机反转*****************4 b1 T6 z9 f8 z7 K0 Z$ Y& z
  FAN:        JB          08H,LOOQ00 J) I$ n$ j! z0 J$ n
               JB          09H,LOOQ1" |, ]) d  g9 k+ O: m
              JB          0AH,LOOQ2
2 y6 }) Y+ q3 x3 x$ |8 e              JB          0BH,LOOQ3
; L, ?8 k& R/ V6 r% u              JB          0CH,LOOQ4, W0 ?  T" ]7 Q0 E2 ^  b# a
              JB          0DH,LOOQ54 Q2 C0 Y/ {+ l9 m1 e( a% ?
              JB          0EH,LOOQ6- K" e- a1 N; o/ c. A3 W
              JB          0FH,LOOQ7
( \9 c/ J& f2 ~4 ^3 D  LOOQ0:      MOV         P1,#0A0H
9 A5 r( B% S; {  Y9 d              MOV         21H,#02H
- y% @$ `6 x, j6 A7 L              MOV         20H,#40H) B  A0 ~  {; g: K
              AJMP        QUIT* Y* ]/ a- K7 X" I8 @- g$ u
  LOOQ1:      MOV         P1,#0E0H
) q3 G/ M+ m8 Y              MOV         21H,#04H: x% B7 `+ m( O4 W' S( ]5 S
              MOV         20H,#20H3 R7 ~3 Z% M+ O. M: n
              AJMP        QUIT- |$ y9 t. \; k! ~  @
  LOOQ2:      MOV         P1,#0C0H
* y  m( v/ ^# J2 ]& [              MOV         21H,#08H) i! @/ h2 d9 J* H: L" }+ r+ N
              MOV         20H,#10H
$ f2 Q/ |6 U8 p3 t% [0 _0 Z              AJMP        QUIT
# r2 H5 O8 X7 f/ ^' }1 ?9 o5 B8 Z  LOOQ3:      MOV         P1,#0D0H  J& K( E, |. w; Z
              MOV         21H,#10H
* F8 H  q% z' Q* s. u              MOV         20H,#08H
5 G4 I3 x% [% g+ I" g1 ~8 Z: c1 f$ R              AJMP        QUIT
) `7 c5 w; K" [" j" b4 j7 y  A$ `+ u  LOOQ4:      MOV         P1,#050H( L. v& \1 y9 X  q
             MOV         21H,#20H  q* @5 V  W& f  O
              MOV         20H,#04H9 [9 K  V% E0 w5 Q
             AJMP        QUIT) X* J0 o/ l. O$ v1 C9 k$ s
  LOOQ5:      MOV         P1,#070H
: I& d+ Q7 L5 {' a: E              MOV         21H,#40H/ o9 l, n# L9 U* w; }# q
              MOV         20H,#02H; V6 ]! r4 ]* c9 B4 r7 j5 G
              AJMP        QUIT
) f0 F. E1 o2 U9 q  U  LOOQ6:      MOV         P1,#030H! `( v/ a2 V/ j: c8 R( F1 G- V8 g
             MOV         21H,#80H0 {" I- d8 T! _. K" Z
             MOV         20H,#01H
4 \  ^5 u. s9 @* M1 d$ ?1 [5 S              AJMP        QUIT; r# g! a9 f4 S- g6 C# M7 v* j
  LOOQ7:      MOV         P1,#0B0H+ C& e0 H/ t; K. j" _( \1 i
              MOV         21H,#01H( \  ~; A( a* P2 O! F- \
              MOV         20H,#80H- J5 W0 h" |4 D* s& e- H9 @
  QUIT:       RETI1 p6 m- t5 n: F% ~6 ]7 L+ I. N1 o
                 END
5 [4 ?7 a; x" s% @( e; Z" D
% S" ~0 Z: V- l# F! W
( C0 ~& \+ d* F& E
  4.结论
  M' c9 g9 {$ P; U/ B; J) l5 S+ D  该驱动器经实验验证能驱动0.5N.m的步进电机。将驱动部分的电阻、电容及续流二极管的有关参数加以调整,可驱动1.2N.m的步进电机。该驱动器电路简单可靠,结构紧凑,对于I/O口线与单片机资源紧张的系统来说特别适用。
1 I) R6 v0 q/ A2 U  e, ^' ?

评分

参与人数 1三维币 +8 收起 理由
bdblbyq + 8 鼓励参与技术讨论、应助!

查看全部评分

 楼主| 发表于 2007-12-9 15:42:06 | 显示全部楼层 来自: 中国福建南平
谢谢了,董事长,这个不是太懂,要好好研究一下,我主要想DIY个雕刻机玩。
发表于 2007-12-9 21:27:16 | 显示全部楼层 来自: 中国广东深圳
谢谢2楼的高手,受教了,鄙人准备明年开始学习单片机,到时还请高手多多指教,谢谢!
发表于 2008-1-6 13:56:32 | 显示全部楼层 来自: 中国辽宁锦州
好东西,应该看一看,谢谢了
发表于 2008-1-6 22:55:55 | 显示全部楼层 来自: 中国广东广州
呵呵,路过也学习一下!
发表于 2008-3-31 18:35:12 | 显示全部楼层 来自: 中国山东淄博
高手啊,谢谢楼主, 多多学习啊
发表于 2008-3-31 21:36:55 | 显示全部楼层 来自: 中国广东广州
在某个论坛上也看到关于DIY个雕刻机,但还没弄懂何为细分!
发表回复
您需要登录后才可以回帖 登录 | 注册

本版积分规则


Licensed Copyright © 2016-2020 http://www.3dportal.cn/ All Rights Reserved 京 ICP备13008828号

小黑屋|手机版|Archiver|三维网 ( 京ICP备2023026364号-1 )

快速回复 返回顶部 返回列表