QQ登录

只需一步,快速开始

登录 | 注册 | 找回密码

三维网

 找回密码
 注册

QQ登录

只需一步,快速开始

展开

通知     

全站
8天前
查看: 2286|回复: 19
收起左侧

[已解决] 请教高手这个槽如何加工?

[复制链接]
发表于 2007-11-19 17:18:18 | 显示全部楼层 |阅读模式 来自: 中国浙江杭州

马上注册,结识高手,享用更多资源,轻松玩转三维网社区。

您需要 登录 才可以下载或查看,没有帐号?注册

x
1.rar (6.15 KB, 下载次数: 11)
发表于 2007-11-19 18:32:25 | 显示全部楼层 来自: 中国上海
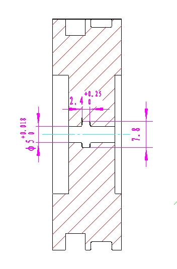
在¢5孔车至尺寸后用孔用切槽刀切槽,若¢5孔磨加工的话可用切槽电镀砂轮磨削。
发表于 2007-11-19 22:53:28 | 显示全部楼层 来自: 中国上海
以后请直接贴图,谢谢合作!
1.jpg
发表于 2007-11-19 22:57:11 | 显示全部楼层 来自: 中国江西九江
槽直接用切槽刀加工就可以了。3 F4 P& h" k+ y3 s4 N  ~

1 u3 `5 _% b: o$ K" G+ s! I$ `孔也直接用镗孔刀车至尺寸。
发表于 2007-11-19 23:48:00 | 显示全部楼层 来自: 中国湖北宜昌
孔加工完后磨成型刀加工至尺寸.
发表于 2007-11-20 07:44:23 | 显示全部楼层 来自: 中国江苏常州
画的什么图啊,基本线条都错了!什么材料?硬度多少?多大批量?要求助也不讲清楚。
 楼主| 发表于 2007-11-20 11:07:26 | 显示全部楼层 来自: 中国浙江杭州
谢谢大家的热心帮助,关键是这么小的孔,切槽刀可一进去否?欢迎大家指教!
发表于 2007-11-20 11:41:51 | 显示全部楼层 来自: 中国山东潍坊
7.8是直径还是直槽
 楼主| 发表于 2007-11-20 11:51:37 | 显示全部楼层 来自: 中国浙江杭州
是直径,中间那个槽是用来放密封圈的.
发表于 2007-11-20 12:40:36 | 显示全部楼层 来自: 中国浙江湖州
这个槽看着别扭,是不是少画了线条,楼主基本功还不行
发表于 2007-11-20 12:42:30 | 显示全部楼层 来自: 中国浙江湖州
不好意思,我看错了,的切不是个圆柱槽。
发表于 2007-11-20 12:45:03 | 显示全部楼层 来自: 中国江苏扬州
典型的沟槽密封结构.) T* L* s4 H" k; L& D6 S( z5 a
7.8有公差的,从加工工艺上应设计成2个,靠近端面.密封性更好.
. }" A% R3 G2 ]1 Q5 {刀杆直径最大3.5,磨成型刀加工至尺寸.
发表于 2007-11-20 23:05:23 | 显示全部楼层 来自: 中国湖北武汉
我是第一个看到这个贴.+ @. u/ u$ a& J8 w/ P8 v
是那个傻瓜设计的?
# |6 w! @5 l3 C- y$ N4 V2 n: N按图加工可以做到.
4 H9 d: `$ O  W' Q9 E间隙密封就足够了,轴做到H6可以了吧,
发表于 2007-11-20 23:24:08 | 显示全部楼层 来自: 中国江苏泰州
空太小,刀进不去
/ }, L8 ?3 m- ]; R; }+ u个人想法,先打孔,然后把槽镗好,在槽边车个台阶,镶套焊,
发表于 2007-11-20 23:30:35 | 显示全部楼层 来自: 中国江苏泰州
焊车好后,用绞刀,绞到尺寸即可
发表于 2007-11-21 14:31:41 | 显示全部楼层 来自: 中国福建泉州
可以内槽切刀(宽度为2.4)直接加工即可。不过刀杆的刚性应保证。
发表于 2007-11-21 17:43:11 | 显示全部楼层 来自: 中国黑龙江牡丹江
自己用白钢磨一把小刀,完全可以切
发表于 2007-11-21 18:50:59 | 显示全部楼层 来自: 中国福建厦门
直接用内槽刀就可以,7.8-5.0=2.8     2.8/2=1.4    刀柄为4.8的钨钢圆棒磨成内槽刀,刀刃长为1.6宽为2.4。
发表于 2007-11-22 08:25:01 | 显示全部楼层 来自: 中国山东潍坊
用内孔槽切刀就可以,刀柄细点,那个槽是密封槽,画法也不对.
发表于 2007-11-23 15:21:23 | 显示全部楼层 来自: 中国湖北十堰
呵呵,这样的图,没有话说
发表回复
您需要登录后才可以回帖 登录 | 注册

本版积分规则


Licensed Copyright © 2016-2020 http://www.3dportal.cn/ All Rights Reserved 京 ICP备13008828号

小黑屋|手机版|Archiver|三维网 ( 京ICP备2023026364号-1 )

快速回复 返回顶部 返回列表