QQ登录

只需一步,快速开始

登录 | 注册 | 找回密码

三维网

 找回密码
 注册

QQ登录

只需一步,快速开始

展开

通知     

查看: 2912|回复: 19
收起左侧

[已解决] 高手帮忙解释下液压原理和过程,谢谢!

[复制链接]
发表于 2007-11-16 20:59:40 | 显示全部楼层 |阅读模式 来自: 中国辽宁鞍山

马上注册,结识高手,享用更多资源,轻松玩转三维网社区。

您需要 登录 才可以下载或查看,没有帐号?注册

x
高手帮忙解释下液压原理和过程,谢谢!
: @3 _* j. W  v+ w+ P- k9 Y; f# r" M- e. e8 D
[ 本帖最后由 李不言 于 2007-11-19 18:22 编辑 ]
液压系统原理图(1).jpg
液压系统原理图(2).jpg
液压系统原理图(3).jpg

新建文件夹.rar

194.35 KB, 下载次数: 25

 楼主| 发表于 2007-11-17 18:04:24 | 显示全部楼层 来自: 中国辽宁鞍山
没人愿意帮忙袄,详细讲讲过程!!!
发表于 2007-11-17 18:45:33 | 显示全部楼层 来自: 中国江苏南京
太大了 看不清楚
- S5 {" U. G; B' R2 h$ q你的先总体介绍一下啊
1 S4 L- ^: O( g/ S+ r有什么不明白的地方探讨一下
7 T. F" R& j: p4 y' ]这样要人讲过程 有点太那个了 嘿嘿
 楼主| 发表于 2007-11-17 19:12:12 | 显示全部楼层 来自: 中国辽宁鞍山
哈哈,就是讲讲怎么运行的过程,要是明白,就不用问了!!!
发表于 2007-11-17 20:30:36 | 显示全部楼层 来自: 中国河北秦皇岛
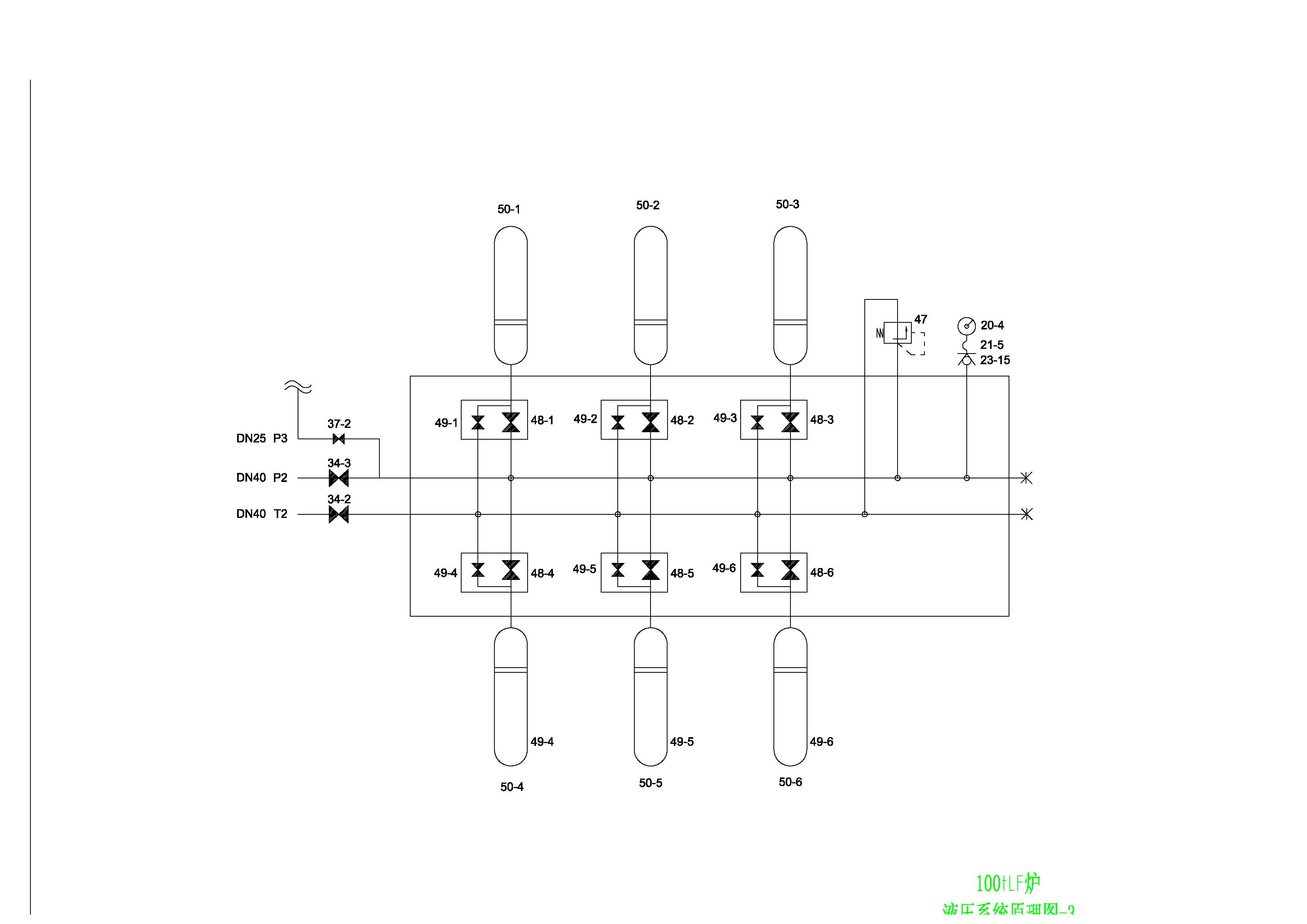
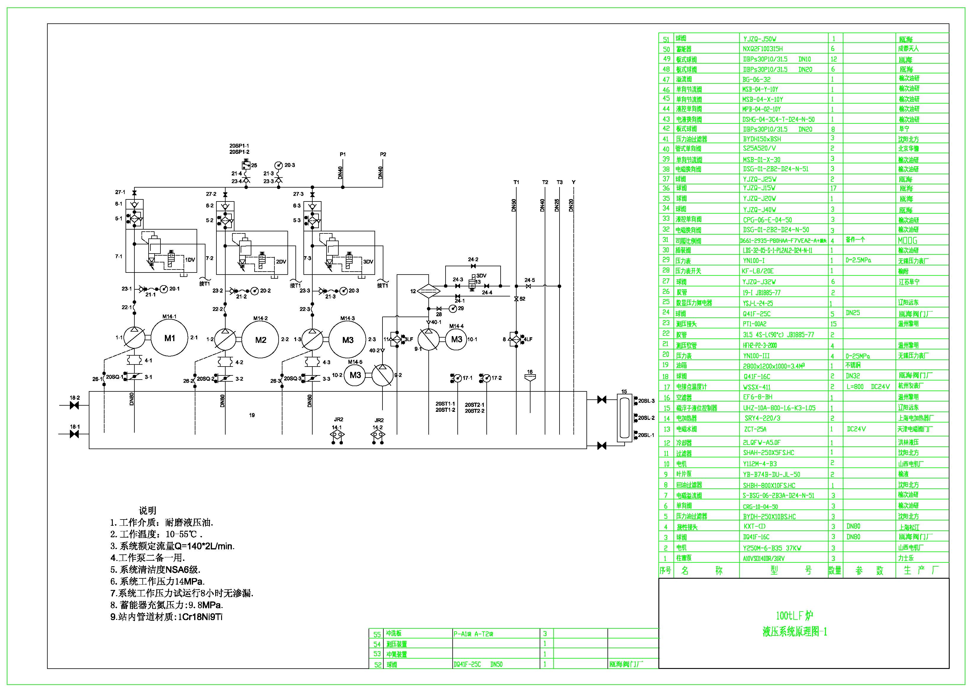
这个图有点意思 油箱巨大  有两个冷却泵 炉盖为何用用两组单向调速阀
发表于 2007-11-19 09:13:16 | 显示全部楼层 来自: 中国河北唐山
主压力油路通过三个变量泵供油,该变量泵通过插装阀将油液供到各油缸,中间有电磁阀与溢流阀组成的卸荷阀,系统不用时可以通过该阀进行卸荷。所有缸为单作用缸,左侧缸通过液控单向阀进行锁定,右侧缸通过单向节流阀进行速度控制。其他看的不是很清楚。

评分

参与人数 1三维币 +3 收起 理由
9619 + 3 应助

查看全部评分

发表于 2007-11-19 12:09:26 | 显示全部楼层 来自: 中国江苏南通
这是100吨电炉液压系统!
发表于 2007-11-19 15:26:49 | 显示全部楼层 来自: 中国安徽马鞍山
楼主还是将原图压缩上传吧,实在看的累。
- m- Z2 r+ k, A: x
5 R5 }% l# _) C0 D此图个人感觉没有什么不好理解的地方,通篇说来,6楼的已基本介绍,楼主有什么不懂的地方可以直接说出来。我可以重点说说。
% o; B  C8 r0 x3 e3 y2 i+ S* s" l. ^
另外此图有一个问题,球阀的常开常闭画法好像有几个地方错了吧。
 楼主| 发表于 2007-11-19 18:22:42 | 显示全部楼层 来自: 中国辽宁鞍山
附件重新上传了!!!谢谢
发表于 2007-11-20 09:18:38 | 显示全部楼层 来自: 中国广西柳州
支持支持支持支持支持支持支持支持支持支持支持

评分

参与人数 1三维币 -2 收起 理由
江边 -2 再次警告。再发现永久禁言

查看全部评分

发表于 2007-11-23 08:19:47 | 显示全部楼层 来自: 中国河南郑州
如六楼所说左侧缸为单作用油缸,液控单向阀锁定,但有另一功能,就是应急下降功能.
发表于 2007-11-23 14:24:18 | 显示全部楼层 来自: 中国浙江台州
忙着,不过有空可以帮你看看
发表于 2007-11-23 15:13:08 | 显示全部楼层 来自: 中国浙江台州
晕倒,画的那么复杂干什么啊??. g4 x$ o% \- k' |: N2 t
第一张图左三个泵组分别是三个油源,分别有各自的溢流阀调压与过滤器.你可以调节27截止阀使三组油源单独或一起供油.右边那两个泵组成的是一个冷却系统.可以单泵或双泵一起工作.
发表于 2007-11-23 15:15:42 | 显示全部楼层 来自: 中国浙江台州
晕到,已经有高手帮解决了啊,看来做好事都没机会了
 楼主| 发表于 2007-12-5 17:13:00 | 显示全部楼层 来自: 中国辽宁鞍山
讲讲油怎么走向,谢谢
发表于 2007-12-5 18:49:13 | 显示全部楼层 来自: 中国浙江宁波
从泵里出来的就是压力油P,沿此一直看到执行元件(缸)就好了呀!然后再看回油T,就好了
 楼主| 发表于 2008-3-4 19:24:48 | 显示全部楼层 来自: 中国辽宁鞍山
数字Y是什么意思啊?
 楼主| 发表于 2008-5-16 11:48:13 | 显示全部楼层 来自: 中国辽宁鞍山
泵的流量等,怎么选取的!
发表于 2008-5-16 12:32:58 | 显示全部楼层 来自: 中国湖北武汉
楼主,看来你得加强学习了,这个图其实不是很复杂的。
4 C+ k- W* ?# a3 g; V8 C) B系统中三台变量泵提供压力油,两台循环过滤和冷却泵。系统的压力油通过插装式单向阀进行控制开通和关闭,然后由伺服阀进行压力和流量的控制,以此来调定液压缸的速度和行程。其他的通过调速阀来进行速度的调节。
 楼主| 发表于 2008-5-16 19:55:58 | 显示全部楼层 来自: 中国辽宁鞍山
非常感谢!!!好好学习,从哪里开始
发表回复
您需要登录后才可以回帖 登录 | 注册

本版积分规则


Licensed Copyright © 2016-2020 http://www.3dportal.cn/ All Rights Reserved 京 ICP备13008828号

小黑屋|手机版|Archiver|三维网 ( 京ICP备2023026364号-1 )

快速回复 返回顶部 返回列表