QQ登录

只需一步,快速开始

登录 | 注册 | 找回密码

三维网

 找回密码
 注册

QQ登录

只需一步,快速开始

展开

通知     

全站
9天前
查看: 2339|回复: 14
收起左侧

[已解决] 形位公差请教

 关闭 [复制链接]
发表于 2007-11-15 13:09:26 | 显示全部楼层 |阅读模式 来自: 中国江苏常州

马上注册,结识高手,享用更多资源,轻松玩转三维网社区。

您需要 登录 才可以下载或查看,没有帐号?注册

x
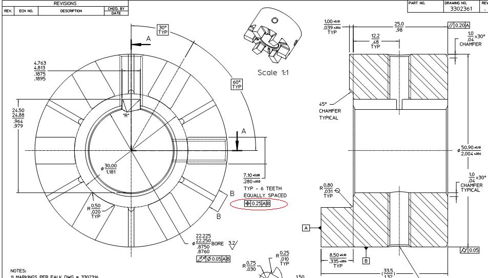
请问图中红色椭圆内的位置度怎么理解?怎样测量?
drawing.JPG
发表于 2007-11-15 14:53:35 | 显示全部楼层 来自: 中国河北唐山
我认为是该齿相对于A、B的位置度偏差为直径0.25毫米的圆以内。
3 ]  P& m  ^# j, w+ d- H' s& M. m* [$ o7 e
[ 本帖最后由 userkypdy 于 2007-11-15 19:08 编辑 ]

评分

参与人数 1三维币 +5 收起 理由
userkypdy + 5 积极参与

查看全部评分

发表于 2007-11-15 15:26:51 | 显示全部楼层 来自: 中国山西太原
应该是这个齿的中心线对于基准A和B的位置度偏差不大于0.25mm。

评分

参与人数 1三维币 +5 收起 理由
userkypdy + 5 积极参与

查看全部评分

发表于 2007-11-15 16:48:53 | 显示全部楼层 来自: 中国河北廊坊
结合上面的6齿均布,应该是每一个齿相对于A,B基准的位置度为0.25。

评分

参与人数 1三维币 +5 收起 理由
userkypdy + 5 积极参与

查看全部评分

发表于 2007-11-15 20:41:58 | 显示全部楼层 来自: 中国江苏常州
他是指6个孔的轴心线而言的
( v5 }% q3 z9 y* V位于角度为理论正确的60度,以B面为圆心的等分线上
, |1 U. n0 T4 Y' w: g# Z与A面平行,公差带为0.25(Z方向)
! r  C2 e9 {$ {! @+ d  F$ Q与等分线平行,公差带为0.25
0 T. i9 c  ^* U) V/ |整个公差带为正方形

评分

参与人数 1三维币 +5 收起 理由
userkypdy + 5 积极参与

查看全部评分

发表于 2007-11-15 23:12:46 | 显示全部楼层 来自: 中国江西南昌
我认为是六齿轴心线相对A基准及B基准的位置度偏差为0.25

评分

参与人数 1三维币 +5 收起 理由
userkypdy + 5 积极参与

查看全部评分

发表于 2007-11-16 08:46:22 | 显示全部楼层 来自: 中国上海
以第一基准A和第二基准B,测量位置度偏差为0.25mm

评分

参与人数 1三维币 +5 收起 理由
userkypdy + 5 积极参与

查看全部评分

发表于 2007-11-16 09:17:57 | 显示全部楼层 来自: 中国辽宁沈阳
A、B两孔中心的位置度偏差为外圆直径上90度正负0.25毫米。
1 G! \: }# _# ]4 {) ?+ q孔与齿的偏差是尺寸公差。

评分

参与人数 1三维币 +5 收起 理由
userkypdy + 5 积极参与

查看全部评分

发表于 2007-11-16 11:17:24 | 显示全部楼层 来自: 中国河北沧州
齿轮的中心线必须位与距离为0.25,且相对与A,B基准所确定的理想位置为中心对称配置的两平行线之间

评分

参与人数 1三维币 +5 收起 理由
userkypdy + 5 积极参与

查看全部评分

发表于 2007-11-16 11:51:01 | 显示全部楼层 来自: 中国福建泉州
指的是6个均布凸出齿形相对于上端面A及外圆B基准的位置度为0.25mm。

评分

参与人数 1三维币 +5 收起 理由
userkypdy + 5 积极参与

查看全部评分

发表于 2007-11-16 12:03:45 | 显示全部楼层 来自: 中国河北廊坊
相对于A,B面基准的位置度的误差不大于0.25mm。

评分

参与人数 1三维币 +5 收起 理由
userkypdy + 5 积极参与

查看全部评分

发表于 2007-11-17 08:55:02 | 显示全部楼层 来自: 中国山东潍坊
该面相对于A.B面基准的位置度为0.25mm

评分

参与人数 1三维币 +5 收起 理由
userkypdy + 5 积极参与

查看全部评分

发表于 2007-11-17 19:25:26 | 显示全部楼层 来自: 中国江苏常州
我的理解如下:
) h8 p) L3 J% G) _1.6个圆槽中心线互相之间的位置度,或者说是和6个凸缘的位置度在正负0.25。简单点也就是那个30度在正负0.25内。
& {& e. E# \& D3 W0 c2.6个圆槽应分布在基准B的圆周上,其中心线应和面垂直,这样这个中心线就应该在0.25的圆柱内。* W+ l) a3 _0 w; R' x2 V4 T
当否?望大家指正,谢谢。

评分

参与人数 1三维币 +5 收起 理由
userkypdy + 5 积极参与

查看全部评分

 楼主| 发表于 2007-12-4 00:38:36 | 显示全部楼层 来自: 中国山东烟台
各位的解释我看了,也了解了很多,但是我还是想知道侧重测量方法的答案.
发表于 2007-12-5 10:26:15 | 显示全部楼层 来自: 中国湖北武汉
原帖由 xiaoyaoshusheng 于 2007-11-17 19:25 发表 http://www.3dportal.cn/discuz/images/common/back.gif
) _# F! x% v5 I, y( {我的理解如下:
+ t$ j$ J5 x9 \3 Y1.6个圆槽中心线互相之间的位置度,或者说是和6个凸缘的位置度在正负0.25。简单点也就是那个30度在正负0.25内。
+ e8 q1 j# |4 [9 g8 k; e2.6个圆槽应分布在基准B的圆周上,其中心线应和面垂直,这样这个中心线就应该在0.25 ...

) w8 [* W) v3 ]/ u4 R/ n0 T0 @
. h- H" l0 f$ s! n0 V相对于A的位置度还好说点,可相对B呢?如何去正确的实施加工与检测,感觉应该不是这样理解
发表回复
您需要登录后才可以回帖 登录 | 注册

本版积分规则


Licensed Copyright © 2016-2020 http://www.3dportal.cn/ All Rights Reserved 京 ICP备13008828号

小黑屋|手机版|Archiver|三维网 ( 京ICP备2023026364号-1 )

快速回复 返回顶部 返回列表