QQ登录

只需一步,快速开始

登录 | 注册 | 找回密码

三维网

 找回密码
 注册

QQ登录

只需一步,快速开始

展开

通知     

查看: 1838|回复: 10
收起左侧

[已解决] 大家在看看这个图画得有什么问题?

[复制链接]
头像被屏蔽
发表于 2007-11-13 13:10:50 | 显示全部楼层 |阅读模式 来自: 中国北京
提示: 作者被禁止或删除 内容自动屏蔽
发表于 2007-11-13 13:50:55 | 显示全部楼层 来自: 中国河北廊坊
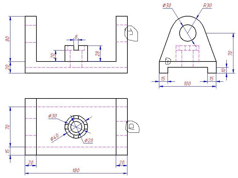
第一个图
3 I, Q2 v7 v* j# x7 _7 h7 a/ V" D; Q1处,如图是零件些线就不该有* x1 B7 J" _' |7 y9 U. M  \( t: t
2处与3处圆孔直径不一致。+ |# L2 i. V9 ?- y
不知你说的是不是这个
ddd.jpg
发表于 2007-11-13 15:29:29 | 显示全部楼层 来自: 中国山西太原
1处应当为虚线
, U' {# u6 x3 |, C8 s2 L2处可能是画图时疏忽造成的,直径应当相同
发表于 2007-11-13 15:54:27 | 显示全部楼层 来自: 中国广东深圳
第一处怎么能事虚线拉??9 m# R6 p% V) h1 U
地二处我也觉得有问题
+ u7 Y! w# b+ ], u总之尺寸标的实在不敢恭维
发表于 2007-11-13 15:57:27 | 显示全部楼层 来自: 中国广东深圳
打错拉,第一处应该事虚线
头像被屏蔽
 楼主| 发表于 2007-11-13 16:56:51 | 显示全部楼层 来自: 中国北京
提示: 作者被禁止或删除 内容自动屏蔽
发表于 2007-11-16 17:04:10 | 显示全部楼层 来自: 中国浙江台州
有好多的封闭尺寸了,多于的尺寸很多了。% s: u3 F- Q3 b$ X0 q( S5 e6 i* ?$ g
好好看看机械制图哦
发表于 2007-11-16 17:41:31 | 显示全部楼层 来自: 中国北京
简直乱糟糟的,你最多画了半年图,标注、中心线、视图错误、表达不清、虚线太多,辅助视图太少,公差有问题等
发表于 2007-11-16 18:06:30 | 显示全部楼层 来自: 中国江苏南京
第一题问题较多,第二题还可以.
发表于 2007-11-18 23:02:07 | 显示全部楼层 来自: 中国广西南宁
第一幅图中的左视图有问题。第二条横虚线两边不应该封闭吧?
发表于 2007-11-18 23:20:45 | 显示全部楼层 来自: 中国河南焦作
第一图:中间管状突起上的四个槽的主视图、左视图、俯视图均表达有误,主视图表示底板上表面的实线从左到右贯通& R- S, |9 Z* P9 D& L* R
第二图:平行度的基准A,标错地方,弧形凸出部分不易(无法)加工
8 e% t% D& ?/ }5 `1 @% e
' K- {0 W3 [. `2 i" `$ R1 A/ ]% F[ 本帖最后由 plc 于 2007-11-18 23:25 编辑 ]
发表回复
您需要登录后才可以回帖 登录 | 注册

本版积分规则


Licensed Copyright © 2016-2020 http://www.3dportal.cn/ All Rights Reserved 京 ICP备13008828号

小黑屋|手机版|Archiver|三维网 ( 京ICP备2023026364号-1 )

快速回复 返回顶部 返回列表