QQ登录

只需一步,快速开始

登录 | 注册 | 找回密码

三维网

 找回密码
 注册

QQ登录

只需一步,快速开始

展开

通知     

全站
8天前
查看: 1695|回复: 1
收起左侧

[讨论结束] 塑料蜗轮怎样一次注塑成型

[复制链接]
发表于 2007-11-13 12:46:27 | 显示全部楼层 |阅读模式 来自: 中国北京

马上注册,结识高手,享用更多资源,轻松玩转三维网社区。

您需要 登录 才可以下载或查看,没有帐号?注册

x
高手们:( X- `$ J  z0 v/ `7 h! D: F
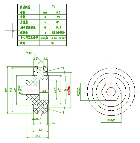
       塑料蜗轮怎样一次注塑成型?# O+ h$ W- N$ }# _6 z
模具怎样分型?
IMG0105A.jpg
1.jpg
发表于 2007-11-15 07:52:57 | 显示全部楼层 来自: 中国台湾
直接进胶...从中间分模
发表回复
您需要登录后才可以回帖 登录 | 注册

本版积分规则


Licensed Copyright © 2016-2020 http://www.3dportal.cn/ All Rights Reserved 京 ICP备13008828号

小黑屋|手机版|Archiver|三维网 ( 京ICP备2023026364号-1 )

快速回复 返回顶部 返回列表