QQ登录

只需一步,快速开始

登录 | 注册 | 找回密码

三维网

 找回密码
 注册

QQ登录

只需一步,快速开始

展开

通知     

查看: 1211|回复: 0
收起左侧

[讨论] 小蜗轮一次注塑成型

[复制链接]
发表于 2007-11-12 15:37:36 | 显示全部楼层 |阅读模式 来自: 中国北京

马上注册,结识高手,享用更多资源,轻松玩转三维网社区。

您需要 登录 才可以下载或查看,没有帐号?注册

x
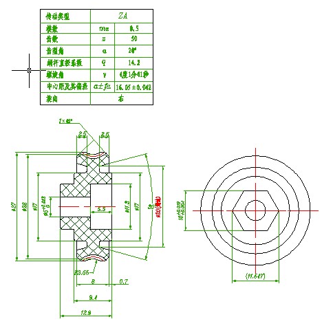
注塑模具高手门:
" {1 n- \" ^# S3 G       看看这个蜗轮怎样一次注塑成型?
$ ]" Q! o$ |$ Z1 }& J- T怎样开模?
# ^  B6 y, G4 V/ w: \% j8 u- |7 J, X1 X! o7 Q) E2 h8 S
[ 本帖最后由 wenwu 于 2007-11-12 16:06 编辑 ]
1.jpg
发表回复
您需要登录后才可以回帖 登录 | 注册

本版积分规则


Licensed Copyright © 2016-2020 http://www.3dportal.cn/ All Rights Reserved 京 ICP备13008828号

小黑屋|手机版|Archiver|三维网 ( 京ICP备2023026364号-1 )

快速回复 返回顶部 返回列表