QQ登录

只需一步,快速开始

登录 | 注册 | 找回密码

三维网

 找回密码
 注册

QQ登录

只需一步,快速开始

展开

通知     

全站
9天前
查看: 949|回复: 1
收起左侧

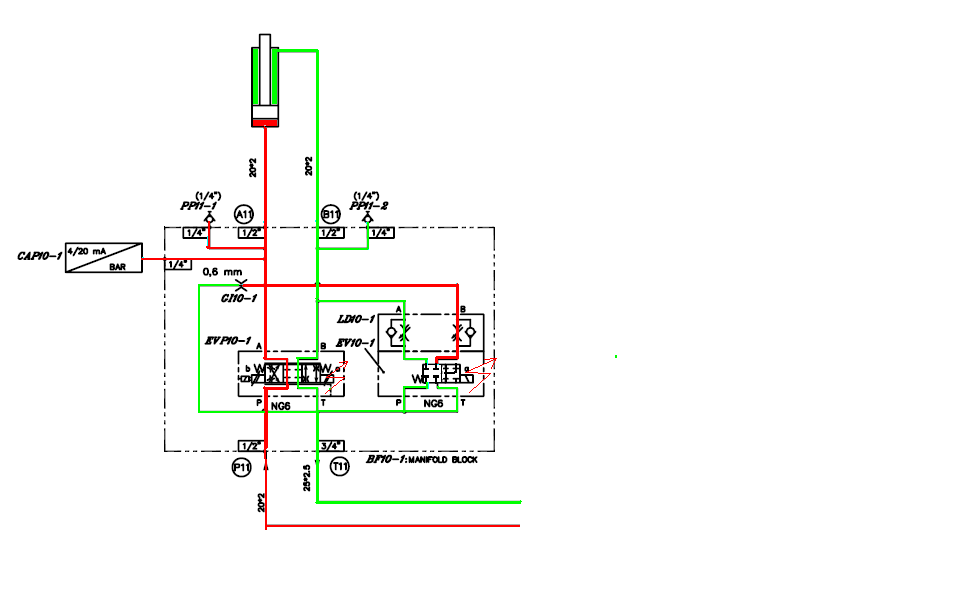
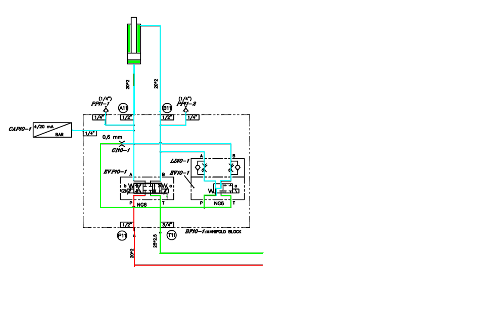
[讨论] 分析一下 CI10-I ,EV10-1 ,在此系统中的作用

[复制链接]
发表于 2007-10-31 18:56:50 | 显示全部楼层 |阅读模式 来自: 中国山东潍坊

马上注册,结识高手,享用更多资源,轻松玩转三维网社区。

您需要 登录 才可以下载或查看,没有帐号?注册

x
blocs régulation ouverture AU.bmp
blocs régulation fermeture.bmp
 楼主| 发表于 2007-10-31 22:11:43 | 显示全部楼层 来自: 中国山东潍坊

解释一下

解释一下,CI10-I为0.6MM的阻尼孔,EV10-1 为二位四通换向阀。
发表回复
您需要登录后才可以回帖 登录 | 注册

本版积分规则


Licensed Copyright © 2016-2020 http://www.3dportal.cn/ All Rights Reserved 京 ICP备13008828号

小黑屋|手机版|Archiver|三维网 ( 京ICP备2023026364号-1 )

快速回复 返回顶部 返回列表