QQ登录

只需一步,快速开始

登录 | 注册 | 找回密码

三维网

 找回密码
 注册

QQ登录

只需一步,快速开始

展开

通知     

全站
9天前
查看: 3030|回复: 9
收起左侧

[已解决] 液动阀阀芯的位移(开度)为什么和先导阀输出的控制压力存在线性关系?

[复制链接]
发表于 2007-10-27 20:42:18 | 显示全部楼层 |阅读模式 来自: 中国广西柳州

马上注册,结识高手,享用更多资源,轻松玩转三维网社区。

您需要 登录 才可以下载或查看,没有帐号?注册

x
液动阀阀芯的位移(开度)为什么和先导阀输出的控制压力存在线性关系?因为液动力?弹簧力?
发表于 2007-10-27 21:01:16 | 显示全部楼层 来自: 中国北京
你说的是电液比例换向阀吧7 o7 F" N( W7 y+ H) ^: S5 ^
是弹簧力,也考虑到了液动力
 楼主| 发表于 2007-10-27 21:30:53 | 显示全部楼层 来自: 中国广西柳州

回复 2# 的帖子

并非仅只电液比例换向阀,很多工程机械上的多路阀的液控操作均用一减压式先导阀操纵,比如长江液压件厂的D-32型多路阀及其用于操作此阀的DJS型减压式先导阀.
发表于 2007-10-27 22:02:54 | 显示全部楼层 来自: 中国北京
就猜猜7 n$ A0 d- v$ A
你说的很对。但我怎么感觉这些和“液动阀阀芯的位移(开度)为什么和先导阀输出的控制压力存在线性关系”没关系
  g7 h. u( q. w3 {) T% a你可以再具体点便于讨论
发表于 2007-10-28 08:50:06 | 显示全部楼层 来自: 中国安徽铜陵

回复 1# 的帖子

是这样的,因为液动阀一般都是用弹簧力进行中位定位的,那么液动阀的开度就是由先导阀输出的控制压力与弹簧力的对比决定,我们一般认为弹簧的弹性系数是恒定的,那么它们俩的关系就是线性关系了。
发表于 2007-10-28 11:27:56 | 显示全部楼层 来自: 中国河南周口
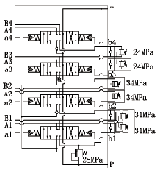
http://file:///E://11.gifhttp://file:///E://22.gif
% Q7 K# u7 g' T. @" l& t先导阀的特性曲线和多路阀的原理如图,先导阀输出的压力成线性,作用于主阀芯的
) O1 `$ q8 f) A! M! V( e4 t弹簧上,所以阀芯位移也成线性的。这只是定性的分析,上次我用的就是这种搭配,
3 q4 T3 v) ?8 ], y# h. v* S让厂家给我做个手柄位移和输出油量的曲线图,他们说从没做过,说肯定没问题放心3 M4 \# b5 ^7 i) A
使用,让我在主机上看效果的。这个多路阀如果油口再加上一辅助阀就能控制输出油量; a8 _. M' g, y; r* I
和手柄的曲线关系; K: }1 e! X" D! F) T0 |

0 b! L; Z" y) L  m0 M7 x- v  U  a[ 本帖最后由 cnyang98 于 2007-10-28 11:39 编辑 ]
11.gif
22.gif
 楼主| 发表于 2007-10-28 11:43:47 | 显示全部楼层 来自: 中国广西柳州

回复 4# 的帖子

提出这个疑问是因为本人认为通常不好用压力来控制位移,工程机械中的多路阀,有直接用手操纵阀杆控制阀芯动作以微动或换向,也有通过控制液压或电控先导阀来控制主阀以方便布置和获得好的操作手感.我不知道如果常规的电液换向阀将电磁阀换为减压式先导阀,其对阀芯的位置是否也是可控的?因为很多时候阀仅工作于通断开关状态还不够7 f6 R# p/ U8 |/ \6 ~& E& k4 |+ o
' i! U4 V0 V% P& Z
[ 本帖最后由 yezhenl 于 2007-10-28 12:40 编辑 ]
发表于 2007-10-28 12:28:05 | 显示全部楼层 来自: 中国浙江宁波
原帖由 yezhenl 于 2007-10-28 11:43 发表 http://www.3dportal.cn/discuz/images/common/back.gif: B6 [& R" k3 M" d4 R
提出这个疑问是因为本人认为用通常不好用压力来控制位移,工程机械中的多路阀,有直接用手操纵阀杆控制阀芯动作以微动或换向,也有通过控制液压或电控先导阀来控制主阀以方便布置和获得好的操作手感.我不知道如果常规的 ...
1 d) L: R0 ^) j

; d; l3 K, |8 \) C其实先导型比例换向阀的主阀芯跟普通电液换向阀的主阀芯是有区别的,前者的主阀芯上一般在阀芯上都开有多条节流槽,在没到开度位置时节流槽已经导通,因此流量随阀芯位移变化比较明显;而后者只有阀芯有开度后再位移流量才随阀芯位置不同变化,流量变化的调节范围比较窄。
% |" }  J9 Y' z+ U; V( Z0 f9 p8 X3 D2 }2 A+ k
[ 本帖最后由 sealive_leafage 于 2007-10-28 12:29 编辑 ]
 楼主| 发表于 2007-10-28 13:01:59 | 显示全部楼层 来自: 中国广西柳州

回复 8# 的帖子

我知道先导型比例换向阀的主阀芯跟普通电液换向阀的主阀芯是有区别,但我不是很明白先导阀输出的控制压力怎样去(怎样能)控制阀芯位移?如果说"因为液动阀一般都是用弹簧力进行中位定位的,那么液动阀的开度就是由先导阀输出的控制压力与弹簧力的对比决定,我们一般认为弹簧的弹性系数是恒定的,那么它们俩的关系就是线性关系了。"但液动阀的复位 弹簧力都不大,而先导压力可达2MPa。.我也认为5#的说法有道理,
发表于 2007-10-28 13:23:58 | 显示全部楼层 来自: 中国浙江宁波
普通液动阀的阀芯两端的对中弹簧只要能够克服阀芯与阀孔的摩擦了以及将无压端弹簧腔的油迅速排出就可以了,只是为了换向用,压力越低,通断之间的过渡就越不明显,阀换向的相应时间越快;而比例阀要通过阀芯位移实现比例流量控制,就要延长通断之间的过渡时间来控制流量,而2MPa压力应该是调节的需要,如果太低那先导阀的调节精度要很好了,如果要做到1~2MPa可调压比较容易,而要做到0~0.5MPa可调就增加了难度了,因此不如把弹簧换硬来的容易些!(个人观点仅供参考)
发表回复
您需要登录后才可以回帖 登录 | 注册

本版积分规则


Licensed Copyright © 2016-2020 http://www.3dportal.cn/ All Rights Reserved 京 ICP备13008828号

小黑屋|手机版|Archiver|三维网 ( 京ICP备2023026364号-1 )

快速回复 返回顶部 返回列表