QQ登录

只需一步,快速开始

登录 | 注册 | 找回密码

三维网

 找回密码
 注册

QQ登录

只需一步,快速开始

展开

通知     

全站
8天前
查看: 3581|回复: 19
收起左侧

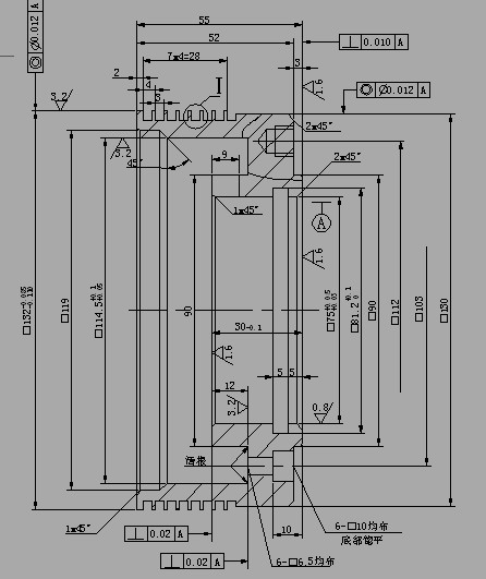
[讨论] 搞工艺的朋友-这工件得如何排工艺好啊

[复制链接]
发表于 2007-10-24 19:55:00 | 显示全部楼层 |阅读模式 来自: 中国上海

马上注册,结识高手,享用更多资源,轻松玩转三维网社区。

您需要 登录 才可以下载或查看,没有帐号?注册

x
搞工艺的朋友-这工件得如何排工艺好啊: V/ {. [- w$ m+ i
这是一旋转轴上机械密封中的一部件,由于基本上都是小批量生产,以前按自己排的工艺下去,做起来的工件马马乎乎,基本能达到要求,但不是很理想,想请大家帮忙下~~,先看看图纸吧,http://file:///C:/Documents%20and%20Settings/Administrator/桌面/未命名.jpg
未命名.jpg

封油环.rar

47.95 KB, 下载次数: 16

发表于 2007-10-25 21:17:43 | 显示全部楼层 来自: 中国江西南昌
请把图纸放大点,实在看不清楚,因为要知道工件的各个部位的加工要求才能制定工艺的,看不清楚图纸,想帮你也不行啊!!!
* a% Q9 [# b( n5 ]8 W' X: h( u可以分为两个附件发,说清楚了就行
发表于 2007-10-25 21:32:58 | 显示全部楼层 来自: 中国福建泉州
下料--锻毛坯--粗车--调质--精车--车螺纹--钻孔--表面处理(镀络)
 楼主| 发表于 2007-10-26 18:41:24 | 显示全部楼层 来自: 中国上海

回复 2# 的帖子

说白了,你着是成心的吗~~?哈~~想刷点也别这么怕浪费嘛~~) B: z- g; T4 Y7 z) _) F
不好意思咯~~,我试了下我就是把图分成两个传上来也不是很清楚的,你要真的看清楚,就麻烦浪费点流量吧~
: j, `6 l6 w+ |' zhttp://file:///C:/Documents%20and%20Settings/Administrator/桌面/工艺卡.jpg+ v: f+ i) p* W# V! }- z

, V4 m% a0 R; F! L[ 本帖最后由 staubli 于 2007-10-26 18:50 编辑 ]
工艺卡.jpg
发表于 2007-10-26 19:25:30 | 显示全部楼层 来自: 中国台湾
尺寸都看不見..可以發張清楚一點的嗎??????
发表于 2007-10-26 20:00:23 | 显示全部楼层 来自: 中国浙江湖州
楼主也不诚心,既然是让别人帮忙,又要别人花流量帮你,
 楼主| 发表于 2007-10-27 12:26:06 | 显示全部楼层 来自: 中国上海
兄弟,能帮我算算一分能换多少流量?
3 t* N8 g5 G+ Y; a我这~~48KB东西需要你多少的流量~$ L. K2 j0 E! O% l3 q
发的东西是希望能大家相互讨论,你学什么来的?7 _( W: S3 t# D: ^7 B1 m: e
http://file:///C:/Documents%20and%20Settings/Administrator/桌面/11.jpg
% Q3 h) Z7 D7 ~  z. I2 A
/ J( m; h, i. w[ 本帖最后由 staubli 于 2007-10-27 12:31 编辑 ]
11.jpg
发表于 2007-11-29 15:33:12 | 显示全部楼层 来自: 中国辽宁朝阳
1,下料) p0 `; B) G" a, |2 b) u6 L( e, P
2.锻造 正火
+ \2 z- [; V5 [( N8 B: ?* j3.粗车留量0 X2 d1 \4 o+ W' j2 Y  t' |: b
4.调质处理
5 G! X+ u- ]" l! g; x6 w5.精车 a 车端面内孔外圆及台阶各处
0 x9 v" n4 N- E/ b5 i       b 打表找正车另一端及沟槽处     沟槽样板& J/ A8 E" M0 B2 r
6.划线
1 Z3 j2 n5 ?- r7 V0 [' M) ^7.号钻铰孔攻丝

评分

参与人数 1三维币 +2 收起 理由
清风明月008 + 2 应助,鼓励

查看全部评分

发表于 2007-11-30 10:43:48 | 显示全部楼层 来自: 中国河北廊坊
原帖由 新手刚上路 于 2007-11-29 15:33 发表 http://www.3dportal.cn/discuz/images/common/back.gif4 W* ^0 u( C) e. l. _! t
1,下料) |% s. Y9 }5 \% A5 _2 `$ ?
2.锻造 正火
  a" x, x% M6 G+ q3 a9 r3.粗车留量9 a+ S6 g' \3 J+ o- C
4.调质处理 + R- V0 I* [2 C. E- Z% }
5.精车 a 车端面内孔外圆及台阶各处, b; F3 E* _! ]9 }# P
       b 打表找正车另一端及沟槽处     沟槽样板
3 e! d3 k6 T7 y, h6.划线
0 ^- G/ i( M% Z7.号钻铰孔攻丝
6 w1 H3 ~+ k7 P) L, ]
精车时补充一点:最好将标有形位公差部位一次装夹加工完成,留下右端垂直度要求可以上平磨保证。这样既好保证图示要求,也减少装夹找正时间。批量大可以考虑用数控车加工。另外毛坯如是棒料,内孔粗车可以用端面切槽刀套料。

评分

参与人数 1三维币 +1 收起 理由
清风明月008 + 1 应助

查看全部评分

发表于 2007-11-30 12:53:46 | 显示全部楼层 来自: 中国江苏常州
楼主
& L8 z8 v) n8 J5 V/ |% E0 _( J1.6的表面粗糙度
% x$ [0 c, X9 |* ^& g0.012的同轴度+ ~; M+ z; X( a
0.010的垂直度6 u% I, t  A" L( k! q9 I
有误吗???

评分

参与人数 1三维币 +1 收起 理由
清风明月008 + 1 提出疑问,很有道理!

查看全部评分

发表于 2007-11-30 17:23:50 | 显示全部楼层 来自: 中国四川成都
这个工件的专门做个 工装比较好~·要不很难保证精度和 形位公差!
发表于 2007-12-1 19:51:36 | 显示全部楼层 来自: 中国河北廊坊
原帖由 idscu 于 2007-11-30 17:23 发表 http://www.3dportal.cn/discuz/images/common/back.gif
" c6 g; n( b3 L; N% ]: a$ L6 N这个工件的专门做个 工装比较好~·要不很难保证精度和 形位公差!

2 Z6 z* v: k# |8 Y批量小做工装不经济,尽可能一次装夹完成形位公差最好。
发表于 2007-12-3 16:27:55 | 显示全部楼层 来自: 中国湖北武汉
公差比较小,应该做工装,不过又是批量所以做工装不是太划算.
发表于 2007-12-16 13:31:16 | 显示全部楼层 来自: 中国黑龙江佳木斯
工装主要应是钻孔工装.6 ~' V! N5 ~1 D
该件主要是车成,注意车时掉头如何找正即可.
发表于 2007-12-17 11:10:50 | 显示全部楼层 来自: 中国浙江台州
其它工序不说,你的最后两到精车工序,外圆\槽\端面\内孔必须一次加工完成,然后使用内涨夹头,加工内槽端面和底面,这样才能保证行位公差.
, F& ?! h  [  ?$ y- {机床必须使用数控车床(CJK0640等)或者其它车削中心!
8 e! L& J3 S1 M! L( p一点建议,供参考!
发表于 2007-12-17 16:41:56 | 显示全部楼层 来自: 中国江苏南京
想请教一下10楼的兄弟,为什么会觉得
3 v/ O) F2 C. `* |; K1.6的表面粗糙度( Z. o4 u# {+ J, K, ^
0.012的同轴度1 r8 [& W; _0 ^  X+ e! }& k
0.010的垂直度
% S; V0 A! H/ e- |8 E9 I) T0 s; n3 d, ]& ~
有问题?
& F) m4 e6 y9 M% A5 L! s谢谢
发表于 2007-12-17 20:09:43 | 显示全部楼层 来自: 中国江苏南京
1。先粗车,热处理  S  c; \3 J+ e# D1 i* I* h6 \) _
2。加工出直径119、114,底面留点余量
3 R& n' V. _2 p! E5 J- s* h3。用三爪撑119的孔,加工外圆,槽子,75的内孔,车端面。) F$ ?1 w8 Y( h5 M4 N
4.在车床上就地车一个靠背令,上面预先打好孔,保证靠背令的平面不跳。用压板压住工件光有垂直度要求的面,车前用百分表找正内圆的圆心。* Y* B+ V' F5 @* W& C( w+ I
5.最后打孔
发表于 2007-12-17 21:07:46 | 显示全部楼层 来自: 中国广东
说点不相关的。
- s1 c# ^. J4 {$ A) t% a/ O, B* k图纸0.01的垂直度与0.012的同轴度并不矛盾。
' H. ?" l* s6 I, ^但是同轴度标注应该跟尺寸线对齐,基准也要跟尺寸线对齐。
发表于 2007-12-23 20:13:53 | 显示全部楼层 来自: 中国浙江湖州
你看一下能不能一次加工完以后在切下来呢,你工件也不长的呀,我想还是可以的哈.
发表于 2007-12-24 12:33:15 | 显示全部楼层 来自: 中国广东广州
你看一下能不能一次加工完以后在切下来呢,你工

评分

参与人数 1三维币 -5 收起 理由
清风明月008 -5 复制他人发言

查看全部评分

发表回复
您需要登录后才可以回帖 登录 | 注册

本版积分规则


Licensed Copyright © 2016-2020 http://www.3dportal.cn/ All Rights Reserved 京 ICP备13008828号

小黑屋|手机版|Archiver|三维网 ( 京ICP备2023026364号-1 )

快速回复 返回顶部 返回列表