QQ登录

只需一步,快速开始

登录 | 注册 | 找回密码

三维网

 找回密码
 注册

QQ登录

只需一步,快速开始

展开

通知     

全站
10天前
查看: 1492|回复: 8
收起左侧

[已解决] 帮我分析该元件的原理和使用方法!!!

[复制链接]
发表于 2007-10-23 12:41:05 | 显示全部楼层 |阅读模式 来自: 中国上海

马上注册,结识高手,享用更多资源,轻松玩转三维网社区。

您需要 登录 才可以下载或查看,没有帐号?注册

x
QQ截图未命名2.jpg QQ截图未命名3.jpg QQ截图未命名.jpg
6 `4 l, j8 W- X; a" q6 R7 h帮 忙分析一下这个阀的原理, 动作过程!!这个是展览会上的一个意大利公司的产品!!!!
发表于 2007-10-23 13:03:05 | 显示全部楼层 来自: 中国安徽铜陵
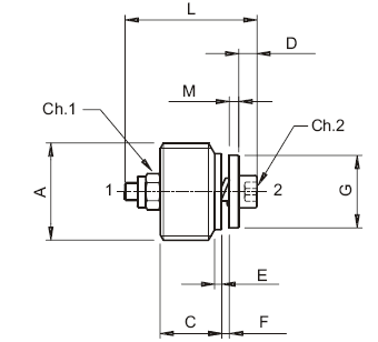
此阀为防爆阀,1接油源,2接油缸,常用于立式油缸。当1处油管爆失压,阀在2油压作用下工作在上位,防备油缸降落。

评分

参与人数 1三维币 +3 收起 理由
晨砂 + 3 感谢您的应助

查看全部评分

 楼主| 发表于 2007-10-23 13:13:12 | 显示全部楼层 来自: 中国上海
YES------I  KNOW!!!!
( E  C3 E+ q) z7 i) a5 Uthank you !4 ~" i( i2 Z; o$ N( _7 ]/ ]
好象还有和管套的吧???
. T6 m9 j# K5 c# g# I' `套在这个防爆阀的外边!!!!!!!!!!!!
发表于 2007-10-23 14:57:41 | 显示全部楼层 来自: 中国江苏无锡
可以设计成直接拧在油口里1 {6 a( l! Q( i! l9 n/ v& ~9 ?9 l
也可以做个管套安装在油缸油口处,软管前
 楼主| 发表于 2007-10-24 11:09:25 | 显示全部楼层 来自: 中国上海
谢谢2位!直接拧在油口里的/我没有见过呢!
. q& C. u: o, l& N# ]% u2 }你要是有什么图片的,或者什么示例就好了!
发表于 2007-10-24 11:48:52 | 显示全部楼层 来自: 中国江苏无锡
直接拧在油口里需要油缸厂家油口做一下
1 X, B: ], o* ]9 f1 A# _+ d比如油缸法兰安装,可在油缸油口处打上螺纹2 a* L' s6 |* n  B: b6 [1 s2 r
直接拧进去,上面再安装法兰+ D! s( n2 {6 j! Z2 s0 _
图片我没有,不过这个我觉得都没什么问题的
3 f( ^( D; o' Y5 S/ w3 H只要安装位置对就好了(靠近油缸,不能油缸出来连段管子再接这个阀)
 楼主| 发表于 2007-10-24 12:15:37 | 显示全部楼层 来自: 中国上海
需要油缸厂家油口做一下& M% R; @9 q, {- V+ v
明白了!
发表于 2007-10-25 16:40:39 | 显示全部楼层 来自: 中国上海
这是防爆阀芯,外面还有一个螺纹连接(属于一个直通的内螺纹接头)。原理图2接油缸,正常状态就是原理图的状态.当连接1处的管路发生爆破,该阀立即切换到上位,从而封住油缸里面的油,让油缸保持原位。在实物图中,右边和弹簧连接金属片克服弹簧力,紧紧压在上面,这样就阻断了油路
发表于 2007-10-25 18:51:15 | 显示全部楼层 来自: 中国四川成都
也就是平衡阀吧
发表回复
您需要登录后才可以回帖 登录 | 注册

本版积分规则


Licensed Copyright © 2016-2020 http://www.3dportal.cn/ All Rights Reserved 京 ICP备13008828号

小黑屋|手机版|Archiver|三维网 ( 京ICP备2023026364号-1 )

快速回复 返回顶部 返回列表