QQ登录

只需一步,快速开始

登录 | 注册 | 找回密码

三维网

 找回密码
 注册

QQ登录

只需一步,快速开始

展开

通知     

全站
9天前
查看: 2081|回复: 13
收起左侧

[已解决] 国产的有这种多路阀吗?

[复制链接]
发表于 2007-10-22 11:50:02 | 显示全部楼层 |阅读模式 来自: 中国河南信阳

马上注册,结识高手,享用更多资源,轻松玩转三维网社区。

您需要 登录 才可以下载或查看,没有帐号?注册

x
谁见过这种多路阀,用于轮式挖掘机,国产有吗,谢谢
左阀photo112.jpg
右阀photo113.jpg
头像被屏蔽
发表于 2007-10-22 11:52:49 | 显示全部楼层 来自: 中国陕西宝鸡
提示: 作者被禁止或删除 内容自动屏蔽
发表于 2007-10-22 11:54:28 | 显示全部楼层 来自: 中国河南信阳
你这个是气控的多路阀吧,上海PTC展览会上有展览,不过厂家我没有样本,等我找到联系电话了发给你。
发表于 2007-10-22 13:18:36 | 显示全部楼层 来自: 中国四川成都
贵阳枫阳液压有类似的DLY系列整体式多路液控换向阀,通径分别为16、22和32。你要提供所需的中位和二次阀机能要求。8 J7 Q$ `9 R# I' I1 A
具体数据可以查看《液压元件产品样本》中的有关内容。http://www.3dportal.cn/discuz/vi ... A%C6%B7%D1%F9%B1%BE
发表于 2007-10-22 13:36:36 | 显示全部楼层 来自: 中国江苏无锡
有的
$ H6 n/ B1 ~  R' f5 ?& L好多厂家都做
2 v4 }1 o* v# q5 ^联系一下吧或网搜搜
 楼主| 发表于 2007-10-23 08:20:45 | 显示全部楼层 来自: 中国河南新乡
谢谢大家,四楼说的贵阳枫阳液压确实有和这比较接近的阀,我将其原理图贴出来,大家看看,压力油由p进,而将1,2联阀短路,请帮忙分析器工作原理。
  t# q) P0 ?$ ~4 ^+ @$ A( f$ [+ f% ^* y# w
[ 本帖最后由 jingdongbo 于 2007-10-23 08:23 编辑 ]
贵州枫阳液压有限责任公司4左.gif
发表于 2007-10-23 10:56:26 | 显示全部楼层 来自: 中国四川成都
多路阀的P油道与第1、2、3阀组的P口相通,是并联油路,其作用是使这三组阀的控制对象能同时供油动作。第四组阀为串联油路,当阀3在中位时才能向阀4提供压力油。
 楼主| 发表于 2007-10-23 14:20:06 | 显示全部楼层 来自: 中国河南新乡
原帖由 cdxwg 于 2007-10-23 10:56 发表 http://www.3dportal.cn/discuz/images/common/back.gif
+ {+ G  e6 q% \1 ]2 B多路阀的P油道与第1、2、3阀组的P口相通,是并联油路,其作用是使这三组阀的控制对象能同时供油动作。第四组阀为串联油路,当阀3在中位时才能向阀4提供压力油。
1 h9 }4 h! M$ V7 g( M" a
  如果第1阀动作,则其有负载,如果2、3阀不动作,阻力小,液压油会不会都通过2,3阀的通路直接回油箱呢?这样工作就会不正常,请分析,谢谢
发表于 2007-10-23 17:55:17 | 显示全部楼层 来自: 中国湖南长沙
如楼上所说,负载会互相影响。
发表于 2007-10-23 19:16:14 | 显示全部楼层 来自: 中国河南郑州

回复 8# 的帖子

从回路上看,是这种情况,我感觉1、2、3的并联回路的支线上是不是有可调的节流孔,用来实现特殊的工况,即想并联就把节流口打开,想串联就把节流口堵死
发表于 2007-10-23 21:54:54 | 显示全部楼层 来自: 中国四川成都
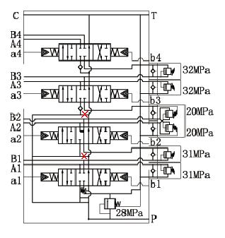
此图可能有误,正确的应是P油道的压力油经并联油道、单向阀接至第2、3联阀的P口,而未与其2、3联阀的C口相通(附图中打叉部位),这样,系统压力就可满足单个或几个动作的同时进行。否则会出现楼上几位所说的负载压力不能建立的情况。
未命名.JPG
 楼主| 发表于 2007-10-24 08:28:55 | 显示全部楼层 来自: 中国河南新乡
原帖由 cdxwg 于 2007-10-23 21:54 发表 http://www.3dportal.cn/discuz/images/common/back.gif6 h( ?& r) G# A1 ^
此图可能有误,正确的应是P油道的压力油经并联油道、单向阀接至第2、3联阀的P口,而未与其2、3联阀的C口相通(附图中打叉部位),这样,系统压力就可满足单个或几个动作的同时进行。否则会出现楼上几位所说的负载压力 ...

; E- F& A3 s  ~- a2 a3 b! S; `# P. ]2 M/ x/ ]( f
现在分析一下阀3的动作,其一旦动作,并联油道的油是不是仍然会和c口相通,这样的话问题仍然存在,谢谢
# @; ^4 `; x( N1 e; B
% E* Q- G5 @( d" s4 i9 B! ^[ 本帖最后由 jingdongbo 于 2007-10-24 08:30 编辑 ]
发表于 2007-10-24 09:21:22 | 显示全部楼层 来自: 中国四川成都
不会的,因阀3一旦动作,其阀芯已不在中位,将C口给封闭了。
 楼主| 发表于 2007-10-27 16:09:43 | 显示全部楼层 来自: 中国河南新乡
有道理,我明白了,谢谢了
发表回复
您需要登录后才可以回帖 登录 | 注册

本版积分规则


Licensed Copyright © 2016-2020 http://www.3dportal.cn/ All Rights Reserved 京 ICP备13008828号

小黑屋|手机版|Archiver|三维网 ( 京ICP备2023026364号-1 )

快速回复 返回顶部 返回列表