QQ登录

只需一步,快速开始

登录 | 注册 | 找回密码

三维网

 找回密码
 注册

QQ登录

只需一步,快速开始

展开

通知     

全站
9天前
查看: 5961|回复: 45
收起左侧

[已解决] 请看下,这是关于什么零件的图。

 关闭 [复制链接]
发表于 2007-10-7 20:16:29 | 显示全部楼层 |阅读模式 来自: 中国江苏苏州

马上注册,结识高手,享用更多资源,轻松玩转三维网社区。

您需要 登录 才可以下载或查看,没有帐号?注册

x
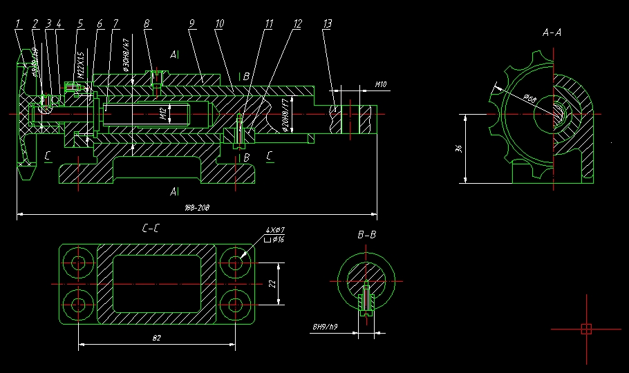
请帮我看下这是什么图?
20071007201200281.jpg
发表于 2007-10-7 22:39:57 | 显示全部楼层 来自: 中国福建泉州
好像是个调节装置。

评分

参与人数 1三维币 +2 收起 理由
userkypdy + 2 积极参与

查看全部评分

发表于 2007-10-8 08:54:02 | 显示全部楼层 来自: 中国江苏扬州
这是剖面图吗?
7 [4 S5 W# n9 i齿轮作用是什么
发表于 2007-10-8 09:06:29 | 显示全部楼层 来自: 中国广东广州

呵呵

应该是调节装置的一种 从图中的188~208这个装配尺寸中可以看出来 它是一种可以调节距离的装置。

评分

参与人数 1三维币 +2 收起 理由
userkypdy + 2 积极参与

查看全部评分

发表于 2007-10-8 09:46:20 | 显示全部楼层 来自: 中国江苏常州
有点像机床的顶尖机构,作用也应该是类似的吧!

评分

参与人数 1三维币 +3 收起 理由
userkypdy + 3 积极参与

查看全部评分

发表于 2007-10-8 10:28:39 | 显示全部楼层 来自: 中国江西南昌
初步判断可能是机床上的调节装置

评分

参与人数 1三维币 +3 收起 理由
userkypdy + 3 积极参与

查看全部评分

发表于 2007-10-8 11:27:12 | 显示全部楼层 来自: 中国河北邯郸

不是齿轮

我认为轮盘位移用来调速更换使用对象,或者是换档之类的,很明显那不是齿轮!

评分

参与人数 1三维币 +3 收起 理由
userkypdy + 3 积极参与

查看全部评分

发表于 2007-10-8 12:00:12 | 显示全部楼层 来自: 中国江苏常州
我觉得是象联轴器,接在动力上输出,只是加上了底座

评分

参与人数 1三维币 +3 收起 理由
userkypdy + 3 积极参与

查看全部评分

发表于 2007-10-8 12:05:15 | 显示全部楼层 来自: 中国广东深圳
我认为是一个微动调节的装置.
) [) B6 R  p' j& @$ P. p7 B它是将旋转运动转为直线运动

评分

参与人数 1三维币 +3 收起 理由
userkypdy + 3 积极参与

查看全部评分

发表于 2007-10-9 10:35:43 | 显示全部楼层 来自: 中国河南新乡
我个人觉得这像个调节装置但是那个很想齿轮的作用是什么就无法得知了.

评分

参与人数 1三维币 +3 收起 理由
userkypdy + 3 积极参与

查看全部评分

发表于 2007-10-9 11:58:37 | 显示全部楼层 来自: 中国广东汕头
整个就是一个调节装置,行程由M12螺纹决定,12号零件还防止其翻转

评分

参与人数 1三维币 +3 收起 理由
userkypdy + 3 积极参与

查看全部评分

发表于 2007-10-9 12:28:19 | 显示全部楼层 来自: 中国上海
是一个调节装置,φ20的轴端M10螺纹处安装一个零件或部件,这个装置的作用就是调整这个零件的位置的。左端是一个手轮,不是什么齿轮。

评分

参与人数 1三维币 +3 收起 理由
userkypdy + 3 积极参与

查看全部评分

发表于 2007-10-9 12:39:42 | 显示全部楼层 来自: 中国云南昆明
左端的链轮应该是通过电机、链条驱动完成自动调节轴向尺寸的一个装置。

评分

参与人数 1三维币 +3 收起 理由
userkypdy + 3 积极参与

查看全部评分

发表于 2007-10-9 15:05:07 | 显示全部楼层 来自: 中国山西太原
这是一个往复调节装置,当手轮1转动时,带动丝杆7转动,推动滑动柱13上的内螺纹向前移动,滑动柱前面有连接孔与需要往复运动的装置相连接。丝杆由压盖6定位只能转动不能轴向移动,10为固定套,9为固定支座,12为行程挡块,限制往复行程。
  s  S" h) q: T" M. `
/ l: \7 B+ y& V! \2 a5 C6 ]' p  {1 p[ 本帖最后由 gaoyns 于 2007-10-9 15:08 编辑 ]

评分

参与人数 1三维币 +3 收起 理由
userkypdy + 3 积极参与

查看全部评分

发表于 2007-10-10 08:57:32 | 显示全部楼层 来自: 中国江苏
这个装置可以调节件13的长度从188-208,它是通过件11、12来实现调节的。: ?1 ]3 T1 ~5 J- X5 n: E
件13固定是靠件7、11、12来实现的。对吗?

评分

参与人数 1三维币 +3 收起 理由
userkypdy + 3 积极参与

查看全部评分

发表于 2007-10-10 14:31:48 | 显示全部楼层 来自: 中国四川广元
z这是一个软轴传动典型结构的轴头,看看机械设计中软轴设计就明白了

评分

参与人数 1三维币 +4 收起 理由
userkypdy + 4 积极参与

查看全部评分

发表于 2007-10-11 09:10:49 | 显示全部楼层 来自: 中国山西太原
从图中看该件尺寸较小,而且链齿传动的齿盘为废金属件,12位导向装置,我认为此物应当是通过链齿传动来精确控制M10孔的位置,该螺纹孔可以固定譬如绘图笔,刻刀等工具,通过下部工件移(转)动来进行划线,雕刻等工作

评分

参与人数 1三维币 +3 收起 理由
zyxwq + 3 积极参与

查看全部评分

发表于 2007-10-11 14:57:22 | 显示全部楼层 来自: 中国江苏无锡
调节装置!!!
发表于 2007-10-11 15:50:24 | 显示全部楼层 来自: 中国黑龙江大庆
好像是链轮啊+ r* X1 o/ q, A% I0 S5 T
把旋转运动转化为水平进给运动

评分

参与人数 1三维币 +2 收起 理由
userkypdy + 2 积极参与

查看全部评分

发表于 2007-10-12 16:57:41 | 显示全部楼层 来自: 中国黑龙江哈尔滨
首先1 T4 \7 c$ j0 v2 A+ O
件号1 是标准的机床手柄 2 @; {( Y- B- z- z
不是齿轮,链轮% X2 ~2 q# h3 \( n+ y2 L
2 .手动进给机构(旋转改直线)

评分

参与人数 1三维币 +5 收起 理由
userkypdy + 5 应助

查看全部评分

发表于 2007-10-12 21:15:40 | 显示全部楼层 来自: 中国江苏苏州

小见

把那些标志性的东东, 记在你的本本上.! ~$ @! W: E& k0 @  G5 a1 G
下次,再遇见它, 就认识了
 楼主| 发表于 2007-10-12 21:58:23 | 显示全部楼层 来自: 中国江苏苏州
谢谢各位的热心回复。
发表于 2007-10-13 01:44:58 | 显示全部楼层 来自: 中国上海
12为防转滑块,端部M10为固定工件或顶针类工具用,13在套筒10内作平动,1为操作手柄,8为注油口.我认为是小加工机床的顶尖座.

评分

参与人数 1三维币 +3 收起 理由
userkypdy + 3 积极交流

查看全部评分

发表于 2007-10-13 06:10:26 | 显示全部楼层 来自: 中国江苏苏州
从现有的图上看应该是一个典型的利用手轮和螺纹进行微调的装置

评分

参与人数 1三维币 +3 收起 理由
userkypdy + 3 积极交流

查看全部评分

发表于 2007-10-13 06:17:24 | 显示全部楼层 来自: 中国江苏南京
是一个带手轮的微调机构。

评分

参与人数 1三维币 +3 收起 理由
userkypdy + 3 积极交流

查看全部评分

发表回复
您需要登录后才可以回帖 登录 | 注册

本版积分规则


Licensed Copyright © 2016-2020 http://www.3dportal.cn/ All Rights Reserved 京 ICP备13008828号

小黑屋|手机版|Archiver|三维网 ( 京ICP备2023026364号-1 )

快速回复 返回顶部 返回列表