QQ登录

只需一步,快速开始

登录 | 注册 | 找回密码

三维网

 找回密码
 注册

QQ登录

只需一步,快速开始

展开

通知     

全站
9天前
查看: 1859|回复: 10
收起左侧

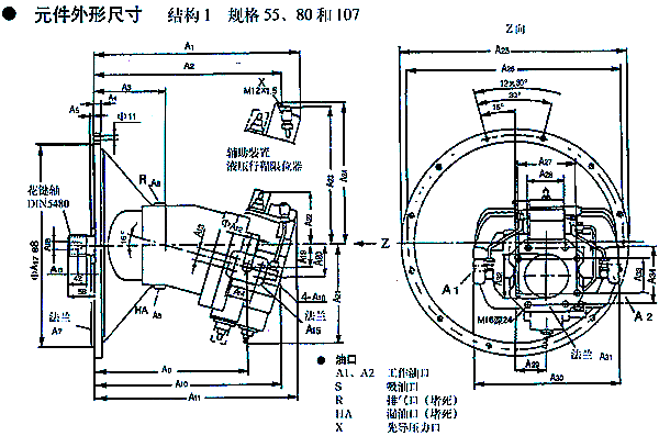
[讨论] 力源GY-A8V斜轴式轴向柱塞变量双泵泄油口是否需接油箱

[复制链接]
发表于 2007-10-7 10:40:30 | 显示全部楼层 |阅读模式 来自: 中国广西柳州

马上注册,结识高手,享用更多资源,轻松玩转三维网社区。

您需要 登录 才可以下载或查看,没有帐号?注册

x
力源GY-A8V斜轴式轴向柱塞变量双泵泄油口是否需接油箱,
a8v-14.gif
发表于 2007-10-7 11:19:13 | 显示全部楼层 来自: 中国河南郑州
泄油口一般都要接油箱,要接高位的泄油口
发表于 2007-10-7 14:14:53 | 显示全部楼层 来自: 中国辽宁大连
必须接油箱,但要注意一定要用高位的泄油孔,且该泄油孔不能有任何阻力。
发表于 2007-10-7 14:30:54 | 显示全部楼层 来自: 中国河南新乡
泵的泄油口,我们都是要连接油箱的,一来可以冲洗壳体渣滓,二来可以给壳体降温.
发表于 2007-10-7 15:09:02 | 显示全部楼层 来自: 中国浙江宁波
楼主可以看看以前讨论过的帖子,对泵和马达的泄油口问题做了分析。+ f9 n9 Z% _1 D9 J9 M) _
http://www.3dportal.cn/discuz/viewthread.php?tid=338293&page=1&fromuid=150055#pid1515945

评分

参与人数 1三维币 +2 收起 理由
晨砂 + 2 感谢您的应助!

查看全部评分

发表于 2007-10-7 20:14:21 | 显示全部楼层 来自: 中国浙江宁波
看到楼上的各位大侠发言,我战战兢兢的冒一句:不接也行吧!该泵泄漏油口与进口是相通的,该口是用来安装时排气的。
发表于 2007-10-7 21:28:04 | 显示全部楼层 来自: 中国四川成都
A8V泵的泄油口与进油口相通,工作时可以不接泄油管,且LZ贴的样本图中也明确该口可堵。
 楼主| 发表于 2007-10-7 23:47:52 | 显示全部楼层 来自: 中国广西柳州
请问cdxwg,lydf666777两位朋友:你们是否可以确定:力源GY-A8V斜轴式轴向柱塞变量双泵泄油口与进油口相通?这样的话我想工作时可以不接泄油管,大家以为如何?
发表于 2007-10-8 07:35:59 | 显示全部楼层 来自: 中国四川成都
原帖由 yezhenl 于 2007-10-7 23:47 发表 http://www.3dportal.cn/discuz/images/common/back.gif) _5 U; C! H. x
请问cdxwg,lydf666777两位朋友:你们是否可以确定:力源GY-A8V斜轴式轴向柱塞变量双泵泄油口与进油口相通?这样的话我想工作时可以不接泄油管,大家以为如何?
: ^( j' \" T: f- T/ n* S
力源的A8V与华德的A8V泵结构是一样的,这有张A8V剖面示意图。
a8v-1.gif

评分

参与人数 1三维币 +3 收起 理由
江边 + 3 谢谢。鼓励互帮互助。

查看全部评分

 楼主| 发表于 2007-10-8 09:37:59 | 显示全部楼层 来自: 中国广西柳州
谢谢cdxwg,祝节日快乐!
发表于 2007-10-8 10:05:56 | 显示全部楼层 来自: 中国江苏徐州

) f. Z  d6 v$ C( q1 t$ ^+ m6楼说的对$ v& T3 w, H# d0 P
不接也行吧!该泵泄漏油口与进口是相通的,该口是用来安装时排气的
& l& H; J+ C/ v! L2 l5 l  R1 R(我们也生产Rexroth A8VO55/84/80/107的,呵呵)
发表回复
您需要登录后才可以回帖 登录 | 注册

本版积分规则


Licensed Copyright © 2016-2020 http://www.3dportal.cn/ All Rights Reserved 京 ICP备13008828号

小黑屋|手机版|Archiver|三维网 ( 京ICP备2023026364号-1 )

快速回复 返回顶部 返回列表