QQ登录

只需一步,快速开始

登录 | 注册 | 找回密码

三维网

 找回密码
 注册

QQ登录

只需一步,快速开始

展开

通知     

全站
9天前
查看: 2546|回复: 16
收起左侧

[讨论] 求教液压图的工作原理

[复制链接]
发表于 2007-10-3 13:15:51 | 显示全部楼层 |阅读模式 来自: 中国上海

马上注册,结识高手,享用更多资源,轻松玩转三维网社区。

您需要 登录 才可以下载或查看,没有帐号?注册

x
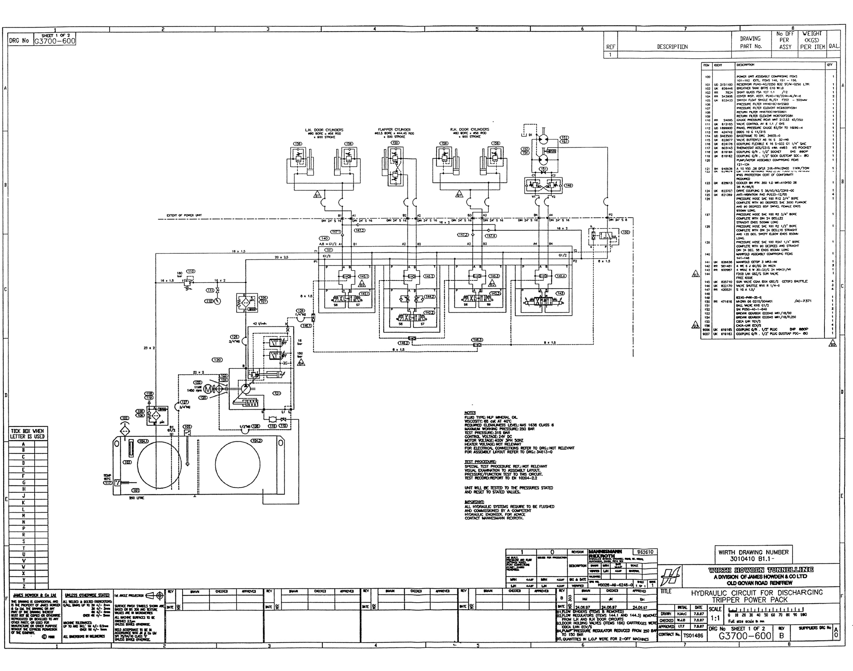
求助各位高手,该液压系统的工作原理。主要是梭阀的工作和制动器的开闭,究竟是怎么作用的。& C9 H& u* D3 D" S9 {) Z
谢谢!
 楼主| 发表于 2007-10-3 13:19:38 | 显示全部楼层 来自: 中国上海
液压系统图见下。我不知道怎么发图片,请原谅!~唉 --

液压系统.part1.rar

1.39 MB, 下载次数: 23

液压系统.part2.rar

705.02 KB, 下载次数: 23

发表于 2007-10-3 13:32:13 | 显示全部楼层 来自: 中国浙江宁波
梭阀主要是作高压选择之用,梭阀共三个油口,其中两个分别接至两个可能存在高压的油路,中间油口接至控制机构(如制动器),其结构在梭阀的机能符号中已经表达的比较贴切了,里面就是一个钢球,当一边高压油时推动钢球到另一边同时封死高压到低压的窜油,高压油经中间油口到控制机构,反之亦然。对于液压湿式多片式静态制动器,主要由一组油缸,片式摩擦片(包括动片和静片)以及压紧弹簧组成,无高压油时,弹簧压紧摩擦片,动片、静片贴合制动器制动,当梭阀的高压油作用油缸时压缩弹簧,动片、静片脱开,制动器分离。

评分

参与人数 1三维币 +6 收起 理由
柠檬咖啡 + 6 积极应助,节日快乐!

查看全部评分

 楼主| 发表于 2007-10-3 13:36:10 | 显示全部楼层 来自: 中国上海
请楼上的兄弟帮我分析下液压系统油路原理好吗。马达的制动用了REXROTH的阀 MH3W,(液控阀),请指教下其原理可以吗?谢谢了
发表于 2007-10-3 14:12:59 | 显示全部楼层 来自: 中国上海
当马达工作时,A口(B口)中高压一侧经马达处的梭阀至146.3的梭阀。这里是三通,一只油路经过后面的梭阀直到泵,另一只作用在150阀上,使该阀换向,多路阀P2口的油进入制动器,解除制动

评分

参与人数 1三维币 +5 收起 理由
柠檬咖啡 + 5 积极应助,节日快乐!

查看全部评分

发表于 2007-10-3 15:04:16 | 显示全部楼层 来自: 中国北京
同意 3# sealive_leafage 说的,很详细& o  ]; x/ |& W4 w
传个图片,大家继续深入交流
- A' p9 C4 j6 b8 p! H% `比较大阿 ,清楚,不费会员流量2 _& g! T$ @- j! i' c! H
- d8 e' I- m; G$ C/ _
[ 本帖最后由 柠檬咖啡 于 2007-10-3 15:06 编辑 ]
1.jpg

评分

参与人数 1三维币 +5 收起 理由
9619 + 5 积极应助。节日快乐!

查看全部评分

发表于 2007-10-3 15:59:26 | 显示全部楼层 来自: 中国安徽铜陵

回复 #5 hq0305 的帖子

这样讲,让人有些模糊。
0 V( t" L' t, u# S2 D5 \# N! [我看是这样:当143工作时,压力油通过A或B口使145.4工作(A口阀芯到右位,B口阀芯到左位),压力油再下行同时推动146.3到左位,(油反馈到泵)和150使该阀处于左位打开制动器。与此同时通过A或B口的压力油推动马达旋转。

评分

参与人数 1三维币 +5 收起 理由
9619 + 5 积极应助。节日快乐!

查看全部评分

发表于 2007-10-3 17:54:01 | 显示全部楼层 来自: 中国天津
响应咖啡班主号召,* C! g) u% w" r: O  H7 I
搂主tony_hts 应该首先介绍一下工况,这个液压用于什么场合。8 Y6 v! s4 E: g
三通阀能复位吗?梭阀是不是有点画蛇添足之感?/ u9 Q( E$ J. D! z" d
" a) l5 f" b( Q
[ 本帖最后由 奥凯 于 2007-10-3 18:06 编辑 ]
未命名.JPG

评分

参与人数 1三维币 +5 收起 理由
柠檬咖啡 + 5 技术交流,节日快乐!

查看全部评分

发表于 2007-10-3 21:13:36 | 显示全部楼层 来自: 中国浙江宁波
综合考虑,此系统采用负载反馈恒功率控制系统;8楼提到的梭阀的作用在于可以方便实现二位三通阀的内外控切换,如果马达的控制回路不工作,则可以通过在b口供压力油实现二位三通阀换向,从而将二位三通阀p口的压力油引至制动器控制口,实现制动器解锁。当二位三通阀左侧控制油失压时,阀芯在右侧弹簧作用下复位,制动器油缸与回油口接通而排出活塞腔的油,压紧弹簧推动制动器油缸压紧摩擦片,制动器锁紧制动。

评分

参与人数 1三维币 +5 收起 理由
晨砂 + 5 再次感谢参与技术交流,节日快乐!

查看全部评分

 楼主| 发表于 2007-10-4 10:18:19 | 显示全部楼层 来自: 中国上海
谢谢各位高手,我已经明白该液压系统原理了。这个TBM上用来卸碴至矿车上的设备。谢谢。
发表于 2007-10-4 10:41:08 | 显示全部楼层 来自: 中国湖北武汉
原帖由 tony_hts 于 2007-10-4 10:18 发表 http://www.3dportal.cn/discuz/images/common/back.gif- w! U6 X3 y) a+ u  V6 S) D- l. d7 k
谢谢各位高手,我已经明白该液压系统原理了。这个TBM上用来卸碴至矿车上的设备。谢谢。

7 c% j* I5 C, T7 t, {( G! H& y# l8 @
请教:系统上的梭阀是什么类型的,我只见过插装盖板上的梭阀,梭阀有没有板式,螺纹或叠加式的?
+ j5 f5 o9 N9 Q/ p4 u: C5 }5 f缸旁边的平衡阀 是什么类型的 与http://www.3dportal.cn/discuz/viewthread.php?tid=366920&extra=page%3D1 是否 相近
发表于 2007-10-4 17:52:26 | 显示全部楼层 来自: 中国安徽铜陵
回8楼,在当二位三通阀左侧控制油失压时,阀芯在右侧弹簧作用下复位(此时梭阀阀芯在上位,回转马达梭阀在左或右位)左侧油经过梭阀-回转马达梭阀-换象阀中位回油箱。

评分

参与人数 1三维币 +5 收起 理由
晨砂 + 5 技术交流,节日快乐!

查看全部评分

发表于 2007-10-4 20:06:39 | 显示全部楼层 来自: 中国四川成都
原帖由 奥凯 于 2007-10-3 17:54 发表 http://www.3dportal.cn/discuz/images/common/back.gif( g' r, L" f1 R- W5 W& _: X
响应咖啡班主号召,6 W/ C0 U9 c+ m
搂主tony_hts 应该首先介绍一下工况,这个液压用于什么场合。  x9 D4 E4 m4 W! L; u
三通阀能复位吗?梭阀是不是有点画蛇添足之感?

  P9 s; e  y: O4 z1 {. F1 Q1 k当开启制动器的外控压力消失后,因制动器释放阀150上的b口被封堵,梭阀芯在换向阀芯复位簧的作用下的确有可能将梭阀a口关闭,而使制动器不能可靠制动。估计厂家已将其阀芯去除,只是一个单纯的通路,它的梭阀功能由145.4实现。% k: R$ J# n- x6 {5 z/ t
我们在用WYS-1型组合梭阀作制动器释放阀用时,也是将其P2、P3堵塞,去除当中的阀芯而只保留一个梭阀。
WYS-1组合梭阀.jpg
WYS-2.jpg
WYS-5.jpg

评分

参与人数 1三维币 +6 收起 理由
晨砂 + 6 技术交流,节日快乐!

查看全部评分

发表于 2007-10-4 20:47:11 | 显示全部楼层 来自: 中国天津

回复 #13 的帖子

谢谢各位,请教cdxwg,,你的组合梭阀去掉阀芯只是起一个盖板作用,如果是一个单独梭阀,就可以取消梭阀,你说的就是这个意思吧。
) D/ S; ]* C. [* k% `$ q+ W' a我担心控制腔的油液不能很好流出,不过象12#yaoyuang 和9#sealive_leafage认为控制腔的油液可以回流,我想毕竟控制腔的油液很少,在梭阀关闭的瞬间可能就能流出。cdxwg你做过试验吗?
' B% W$ ~  N, \* ]% X我想这个与选用的梭阀有关,如果梭阀钢球开启位移大,或许控制腔的油液可以回流,如果梭阀钢球开启位移小,或许控制腔的油液不能完全回流。/ z7 }- n5 K& e

8 A3 u4 L, Y9 G/ D" O/ N/ w! e( }- I 那位有经验出来说说。
发表于 2007-10-4 21:51:39 | 显示全部楼层 来自: 中国浙江宁波

回复 #14 奥凯 的帖子

正如老兄所说,梭阀在使用时有时候会存在水平安装和垂直安装的区别,像8楼图中的梭阀所使用的情况,垂直和水平布置梭阀应该是有区别的,因为要考虑重力对钢球的影响。可能会出现困油的情况;而双作用的梭阀可能就不存在安装方式的区别。
6 ?3 E2 h4 B+ P
2 {/ s; G7 d2 c3 `$ m; B  t[ 本帖最后由 sealive_leafage 于 2007-10-4 21:53 编辑 ]
发表于 2007-10-4 22:28:45 | 显示全部楼层 来自: 中国四川成都
原帖由 奥凯 于 2007-10-4 20:47 发表 http://www.3dportal.cn/discuz/images/common/back.gif" H$ Q! X5 {( E+ U  _# n
谢谢各位,请教cdxwg,,你的组合梭阀去掉阀芯只是起一个盖板作用,如果是一个单独梭阀,就可以取消梭阀,你说的就是这个意思吧。' @4 `: Q# q8 [. l1 k* r
我担心控制腔的油液不能很好流出,不过象12#yaoyuang 和9#sealive_leafage认为 ...
4 r' P3 T+ q2 @0 V) L  ?+ H8 k( n
我用的WYS-1组合梭阀原是将三只梭阀和一只液控换向阀集成装在一个阀体中,具有四选一功能,但系统只需二选一即可,故需要取消两个梭阀(见图)。梭阀的阀芯座和外接螺纹口为一体(其实就是变径过渡接头,外螺纹M22X1.5,内螺纹G1/4)。卸下接头并倒出钢球,另换M22X1.5螺堵拧上即可。
制动器释放阀.JPG
发表于 2007-10-5 11:25:23 | 显示全部楼层 来自: 中国天津

回复 #15 sealive_leafage 的帖子

我一直对梭阀反向流动会从哪个口回流有困惑,又没有条件试验,借搂主宝地探讨一下。
" B: w2 i' h$ _) _" T" G! A- Z1即便是水平安装,梭阀打开,三通阀换向后,管路无油流动,钢球受力平衡,如果机器及管路震动,难说钢球停在什么位置,就是说水平安装会不会困油?
4 ?' [8 {1 z8 t( _+ T9 n2如果使用密封不严的报废梭阀,让三通阀慢速复位,避免急煞车引起震动,是不是可以开发出  ABS防抱死梭阀?2 {* }+ N& }9 V- G! a) y% Y
3你9#的内外控切换观点,有实用价值,如果担心困油,在梭阀孔内镶个钢丝圈开发一个  带定位器梭阀。
/ T. {3 Q1 A: F- z$ A            梭阀反向流动问题0 t2 D5 ^) f: h- S- |( j( e! J6 A
梭阀1 2 口为输入口 3 为输出口,2 口压力大于1口,梭阀将2 口压力引入3口 ,; A" J/ d3 o2 o9 ~8 U& s
问 梭阀反向流动  3口油液流到哪里?
发表回复
您需要登录后才可以回帖 登录 | 注册

本版积分规则


Licensed Copyright © 2016-2020 http://www.3dportal.cn/ All Rights Reserved 京 ICP备13008828号

小黑屋|手机版|Archiver|三维网 ( 京ICP备2023026364号-1 )

快速回复 返回顶部 返回列表