QQ登录

只需一步,快速开始

登录 | 注册 | 找回密码

三维网

 找回密码
 注册

QQ登录

只需一步,快速开始

展开

通知     

全站
9天前
查看: 2684|回复: 7
收起左侧

[讨论] 大家帮我看一下这样的光洁度标注是什么意思啊。

[复制链接]
发表于 2007-9-21 11:16:20 | 显示全部楼层 |阅读模式 来自: 中国河北保定

马上注册,结识高手,享用更多资源,轻松玩转三维网社区。

您需要 登录 才可以下载或查看,没有帐号?注册

x
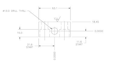
大家帮我看一下这样的光洁度标注是什么意思啊。如图,主要是上面的C.U.是什么意思啊?谢谢!
1.jpg
发表于 2007-9-21 11:30:12 | 显示全部楼层 来自: 中国河北石家庄
原帖由 luohuayu 于 2007-9-21 11:16 发表 http://www.3dportal.cn/discuz/images/common/back.gif0 s+ ]8 A+ C7 s' d: x/ L/ V- J
大家帮我看一下这样的光洁度标注是什么意思啊。如图,主要是上面的C.U.是什么意思啊?谢谢!

- U( [! }: t; q6 E图纸都看不清楚
发表于 2007-9-21 12:47:13 | 显示全部楼层 来自: 中国北京
把图片放大就清楚了,可惜没见过这个符号,帮不了你
 楼主| 发表于 2007-9-21 13:38:45 | 显示全部楼层 来自: 中国河北保定
不好意思,我这网速有点慢,传上来后没有看,传一张清楚一点的。
fh.gif
发表于 2007-9-21 15:41:17 | 显示全部楼层 来自: 中国河北唐山
你的图纸不全,我想应该在旁边的文字说明中有注释。
 楼主| 发表于 2007-9-21 16:50:22 | 显示全部楼层 来自: 中国河北保定
旁边没有的,要不我也不发上来了。
发表于 2007-9-21 18:16:07 | 显示全部楼层 来自: 中国安徽马鞍山
我记得好象有喷漆方面的专用术语叫UC面漆的,是不是表面要喷漆啊?
发表于 2007-9-22 11:16:46 | 显示全部楼层 来自: 中国上海
楼上说的喷漆可能性不大。从零件结构上来说该处应该是配合面。
9 q$ K0 ^5 g) b; w- h请楼主说明该零件是做什么用途?
发表回复
您需要登录后才可以回帖 登录 | 注册

本版积分规则


Licensed Copyright © 2016-2020 http://www.3dportal.cn/ All Rights Reserved 京 ICP备13008828号

小黑屋|手机版|Archiver|三维网 ( 京ICP备2023026364号-1 )

快速回复 返回顶部 返回列表