QQ登录

只需一步,快速开始

登录 | 注册 | 找回密码

三维网

 找回密码
 注册

QQ登录

只需一步,快速开始

展开

通知     

查看: 4353|回复: 34
收起左侧

[讨论] 各位老师帮忙看下液压图诊断有无错误!

[复制链接]
发表于 2007-9-21 00:59:55 | 显示全部楼层 |阅读模式 来自: 中国河南三门峡

马上注册,结识高手,享用更多资源,轻松玩转三维网社区。

您需要 登录 才可以下载或查看,没有帐号?注册

x

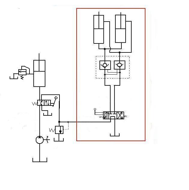
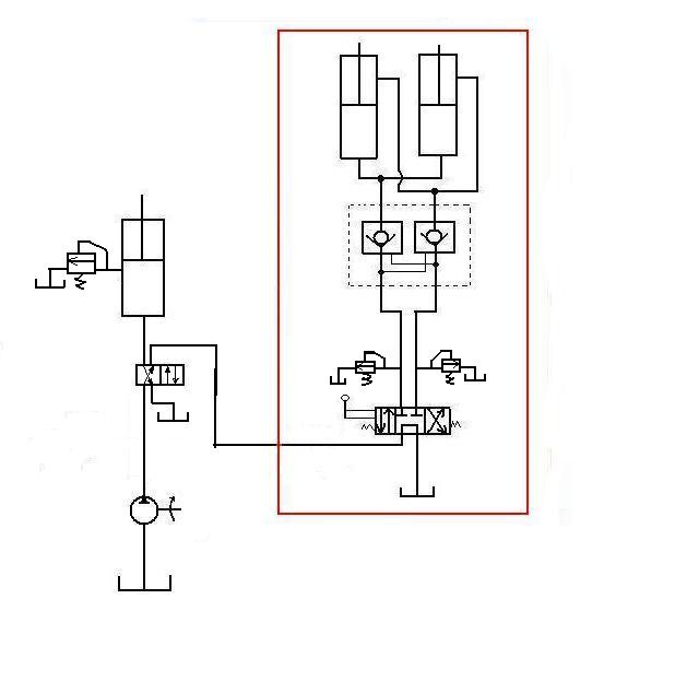
液压系统图修改

液压系统图修改
左侧的是自卸汽车的货箱举升部分液压系统图。    红色部分是现在需要加装的两套同步双向油缸,三位四通阀的P腔接原液压系统两位两通阀的A腔。红色部分能否实现,请各位老师帮忙看下,先谢过!8 w- |! r  a. P6 r6 M" J

  V8 z" f2 ]  K% c    现学现用,用画图做的草图,也不知道规范,只希望大家能看明白。  o) k' Z" F+ ^

' G- B/ u# A; C  }  H' F/ W    若有不明白的地方,我再解释。0 g, ~- E7 O1 _5 `) a7 ^7 d; i

6 i: U0 x. f/ @( R  e
( U  a! a" }2 T" ~5 y4 G# f补充两套液压系统的工作顺序:接通齿轮泵------扳动34SW阀到右位(此时两位两通阀PA口相通着)打开后档------扳34SW阀手柄到中位关闭双向油缸------扳两位两通阀到右位(PA口关闭)举升油缸工作------扳两位两通阀到左位举升油缸回缩------扳动34SW阀到左位关闭后档------扳动34SW阀到中位关闭双向油缸------断开齿轮泵(整个过程泵工作约十分钟)# v, r/ i  Z1 g3 |, V- k' L. Y

1 ~* L* H4 E" E& K/ j- Y$ i在各位老师的提醒下,修改后如下图,上述动作能否实现?
0 Z" U% {/ ?- ^5 A/ M' V: E
7 e3 X: H; w+ e( e0 u[ 本帖最后由 烟灰键盘 于 2007-9-21 23:33 编辑 ]

液压系统改装图

液压系统改装图
发表于 2007-9-21 07:20:40 | 显示全部楼层 来自: 中国江苏徐州
这样一加,您原来和缸回位有些问题了,只能是调节左边的溢流阀才能使其回程了,方便吗?
发表于 2007-9-21 07:21:51 | 显示全部楼层 来自: 中国河南安阳
这个图有问题,自卸汽车的货箱举升部分改了,无法落下,你再改一下。我今天有事。2 r7 x* {7 a  w6 Z" }! W" a! o$ ?+ {
其他会员会给你帮助的。
发表于 2007-9-21 08:11:04 | 显示全部楼层 来自: 中国安徽马鞍山
那个红叉叉,是取消的意思么?如果这样就象楼上两位说的那样了,不可取。% Z4 e* g, F8 G2 O+ i
4 V1 N0 L6 @+ m2 s2 W
另外红框内的好像不能实现同步吧,如果勉强能也是依靠负载强制同步的,这个是否不妥,因为如果负载偏置或两个同步缸的作用位置不当,有一定危险,请考虑。
发表于 2007-9-21 08:19:22 | 显示全部楼层 来自: 中国江苏无锡
支持版主的说法,不能回位,要同步没有看到任何同步的装置。还有补充一点液压锁和换向阀最好用Y型的配!至少是优先考虑的!我看楼主用Y应该没什么问题!

评分

参与人数 1三维币 +5 收起 理由
江边 + 5 补充的好,我没有注意看中位机能

查看全部评分

发表于 2007-9-21 08:31:09 | 显示全部楼层 来自: 中国湖南长沙
有几点哈:
! a; ]& ?* ~+ Q3 Q1 j! n/ G1. 当整个系统没有动作时,泵流量通过溢流阀回油箱,发热大;& I( U: j# U4 L
2. 如前面几位所说,左边的油缸靠调节无杆腔相联的溢流阀才能放下;9 [/ F/ @7 a/ f3 t  M: y5 Z* k
3. 当左边油缸举升时,若操纵右边机构,右边机构负载不大的话,可能
8 I/ C7 j. h* S4 r; f$ ~  |    造成泻压,左边油缸有下降的危险;
, L' v) ]0 I6 h3 X) c" w. L4. 建议把三位四通阀中位机能换成Y型,确保液压锁可靠工作。

评分

参与人数 1三维币 +5 收起 理由
晨砂 + 5 感谢您的应助!

查看全部评分

发表于 2007-9-21 20:05:23 | 显示全部楼层 来自: 中国河南驻马店
楼主的这个图纸可能改动量较大。" t+ U! D6 v, `; `3 }" d
简单的把你新加的这个回路接入系统,可能会引起两个动作的互相干涉。
( y4 I- A- Q5 J+ o7 b& R请楼主回答以下问题:
: J$ \7 I: ]/ A" e: Z/ r1、详细说明这两个动作的先后顺序。- m0 J7 _3 x: n& n; x2 }
2、两根油缸机械上能否保证同步。$ z) _5 q( U1 Z2 l
3、加装的油缸与原来的油缸所需要的压力是否一样(感觉你的新加装的系统压力应该较低,压力较大机构会不会承受了,好像你加装的就是一个上盖的开合)。
发表于 2007-9-21 21:17:14 | 显示全部楼层 来自: 中国辽宁大连
二位二通阀应该直接接到举升油缸上,否则同步缸动作时,举升缸也有可能动作。三位四通手动阀以为中间机能为Y型,以利于液压锁保压。
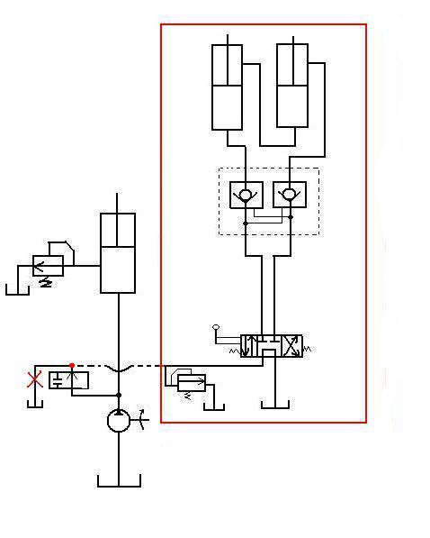
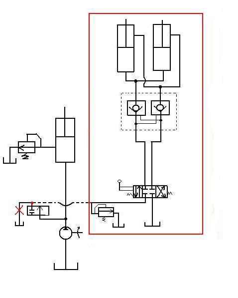
 楼主| 发表于 2007-9-21 22:13:43 | 显示全部楼层 来自: 中国河南三门峡
谢谢大家的提醒,断开原有的两位两通阀的A腔,接至34SO阀的P口后,的确如你们所说的:举升油缸在货箱的重力作用下,是打不开溢流阀的,导致货箱无法下落。那么换成34SW阀是否可行?
0 ~: s2 [9 T" x4 C& V4 v
; w6 X; J) k. C) R% E( Q' q# ]补充说明:现在加装的双向油缸分别安装在自卸车后档的左右两个下角,开关自卸车后档用的,后档上端是铰链连接着。现加装的部分和原车的液压系统不是共同工作,而是先后分别工作的。
( Z& g0 D+ J2 T- l
9 p1 Y) U5 A0 A% f' E3 ~开始卸货时,先接通齿轮泵,由于行驶时两位两通阀在右位,P、A腔是连通着的,只需先扳动三位四通阀至右位, 接通两个双向油缸的有杆腔,活塞杆回缩,拉动Z型机构使后档脱钩,后档在货物的外张力作用下打开。然后扳三位四通阀手柄到中位,断开两个双向油缸,液压油由三位四通阀的O腔流回油箱。接着扳两位两通阀手柄到左位,使P、A断开,举升油缸开始工作,货箱举升卸货。5 G( Y, ?, H: |4 {& O! E
卸货完毕后,扳两位两通阀到右位接通P、A,举升油缸在货箱重力作用下开始下落,液压油经三位四通阀的O腔流回油箱。然后扳动三位四通阀手柄到左位,无杆腔开始工作,活塞杆顶住Z型机构使后档压紧,由液压锁保压。扳动三位四通阀手柄到中位。至此液压系统工作完毕,断开齿轮泵。整个过程齿轮泵大约工作十分钟。1 f) g) w+ Z+ k+ A! I2 J  x
+ K* x) X" u" v
简单地说:接通齿轮泵------扳动34SW阀到右位(此时两位两通阀PA口相通着)打开后档------扳34SW阀手柄到中位关闭双向油缸------扳两位两通阀到右位(PA口关闭)举升油缸工作------扳两位两通阀到左位举升油缸回缩------扳动34SW阀到左位关闭后档------扳动34SW阀到中位关闭双向油缸------断开齿轮泵
4 }- z( g1 [! _$ W2 W9 ^; H: B) _  ^/ [2 U3 c7 Z  |& `
[ 本帖最后由 烟灰键盘 于 2007-9-21 22:57 编辑 ]
 楼主| 发表于 2007-9-21 22:32:22 | 显示全部楼层 来自: 中国河南三门峡
后加装的液压系统通径是10的,可能比原系统的通径小,压力应该也比原系统小。压力可以由后装的溢流阀调节压力。
发表于 2007-9-21 22:37:53 | 显示全部楼层 来自: 中国安徽芜湖
提示一下:
% B+ T2 J' X" S3 D1.泵出口一般直接加溢流阀比较好,如果需要两个不同的压力,可以在需要的旁路再加一个溢流阀;
1 J' z7 B0 S* p- t$ C# P2.采用双液控单向阀,特别注意阀芯面积比和油缸的有杆腔与无杆腔面积比的关系.
发表于 2007-9-21 22:58:24 | 显示全部楼层 来自: 中国河南安阳
楼主的动作循环:
/ a% }: ~8 J. H- p' f1、活塞杆回缩,拉动Z型机构使后档脱钩
, L! S, m1 d$ ?3 ^2 O2、举升油缸工作,货箱举升卸货
/ r5 d* v" V1 N1 l7 K, O- B# \6 A9 C" s& S3、举升油缸在货箱重力作用下下落5 ?) o! U" g' o. K
4、活塞杆顶住Z型机构使后档压紧2 e; \  m  N2 X1 ?% I4 {1 l3 z
请确认
发表于 2007-9-21 23:01:04 | 显示全部楼层 来自: 中国河南安阳
你的原理图实现不了#9楼的动作。
 楼主| 发表于 2007-9-21 23:06:24 | 显示全部楼层 来自: 中国河南三门峡
谢谢11楼的提示。
/ c3 u& C: L# j) ^4 ~, I1.汽车的齿轮泵直接加装溢流阀较困难,自己DIY没有条件啊
2 \! s- v0 k' N' e, g( ^2.我若理解没错的话,应该是有杆腔与无杆腔的横截面积之比吧?这个自己可以计算出,可是双液控单向阀的阀芯面积比不知道该怎样计算,铭牌上只标注有工作压力31兆帕。
9 F. D- J7 j+ b+ r0 W
& [. R4 g( O8 T0 R[ 本帖最后由 烟灰键盘 于 2007-9-21 23:36 编辑 ]
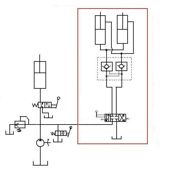
 楼主| 发表于 2007-9-21 23:18:31 | 显示全部楼层 来自: 中国河南三门峡
听君一席话,胜读十年书啊,受益匪浅!; J$ ]$ r3 d5 d! ^

- }% S/ t1 r3 k, h9 X. J根据各位老师的提示,把34SO阀换成34SW较合适,由于不知道Y型是什么意思,没有做出修改。
6 I! d# P6 Y6 @3 u: Z, |( W" X7 V更不知道同步控制该怎样做,所以如图修改双向油缸油路不知能否改善两个双向油缸的同步性(同步精确度要求不是很高)?
! S; \) @( u9 [2 ~; a
1 U6 L. {, i, z- i; b[ 本帖最后由 烟灰键盘 于 2007-9-21 23:23 编辑 ]
液压图1.JPG
 楼主| 发表于 2007-9-21 23:38:05 | 显示全部楼层 来自: 中国河南三门峡
原帖由 9619 于 2007-9-21 22:58 发表 http://www.3dportal.cn/discuz/images/common/back.gif4 V( l" N& x& l" s* @9 b( F
楼主的动作循环:6 P. {8 S! E% f& b: M9 f0 J
1、活塞杆回缩,拉动Z型机构使后档脱钩
$ A1 n# J! @' n' U% j2、举升油缸工作,货箱举升卸货
5 T: Q: ~" \! L8 {3 b3、举升油缸在货箱重力作用下下落+ y, ~7 `/ W: `* R) F# O- e
4、活塞杆顶住Z型机构使后档压紧
6 c* t) `2 B6 o$ n; J7 z  Q请确认

& d0 H0 \4 V! U+ L( J' c- u
. g6 q& c8 O2 [) J( P* |1 N$ k7 X过程的确是这样的!4 f  C5 H+ x0 X: |* I0 S

4 h) I, L8 D- F( S$ F我已经修改了,能否再帮我诊断下能不能实现如上的动作?
发表于 2007-9-21 23:45:08 | 显示全部楼层 来自: 中国河南安阳
上面#15楼的这个图在后挡工作的同时,举升缸要有动作的。
发表于 2007-9-21 23:55:14 | 显示全部楼层 来自: 中国河南安阳
根据你的实际情况,同步精度要求不太高,不用考虑同步问题。在这里液控单向阀与O形法配合也可以使用。
" Z% F" Q( q7 K在你的系统不太大改动的情况下确实难于实现,不知道你的系统压力是多少,能否用两个M型换向阀配合使用,以达到卸荷启动。6 p. l1 }/ o7 W  R( P7 b3 N2 z+ I
下面的图仅供参考,系统为负荷启动。(负荷启动也不太合理)
, m3 B9 k3 w- V$ D; V
! r9 ?7 p  _( n8 Y! r 20070921_e991d0c037681cdf0e4dCkejlWcTI16g.jpg
, }  V& Q# |0 L4 N  i* `( u+ h; S/ ?" _* X- H) M/ y
[ 本帖最后由 9619 于 2007-9-21 23:58 编辑 ]
发表于 2007-9-22 00:12:48 | 显示全部楼层 来自: 中国河南安阳
建议将两位两通阀留下来,给你改动量大了,操作起来也较麻烦。# |" O  r! P/ X; m1 z0 l( Y
请会员积极参与,以便有更好的方案。
( l: Q  M7 `; s# p" B: c3 L/ e4 Q" f; h7 B1 B7 m
0 O  `) \1 c! X0 _9 a1 I$ Z3 T
1.JPG
7 t& I$ E5 k8 }, Z, J2 \- L) D$ }, {% c9 B* V
[ 本帖最后由 9619 于 2007-9-22 00:14 编辑 ]
 楼主| 发表于 2007-9-22 11:27:05 | 显示全部楼层 来自: 中国河南三门峡
谢谢版主及各位老师的帮助,实物测量后,现在要加装的系统与原车液压系统通径相同,都是10mm的内径;铭牌标注的也相同,都是31.5兆帕。询问修车师傅,原车的液压系统工作压力大约16兆帕。
, p/ f, j1 g- b  `
/ a/ ]& y& B$ M- f5 |' O! h
. Q1 S+ _3 E; \+ i8 O5 \5 T9619版主,我在你18楼的图上做了改动,请大家再看看要实现12楼所说的动作过程,图中有无不妥当的地方,拜托了!
液压图3.JPG
发表于 2007-9-22 13:32:41 | 显示全部楼层 来自: 中国河南驻马店
再给你改一下,看一下是否满足你的要求:9 }9 e2 a. y! @, y& \

2 B. k: u9 z) H6 T6 ]2 p 1.JPG

评分

参与人数 1三维币 +6 收起 理由
江边 + 6 多次积极应助。

查看全部评分

 楼主| 发表于 2007-9-22 23:52:21 | 显示全部楼层 来自: 中国河南三门峡
这样改的话,应该可以满足要求,只是在原系统上改动较大,恐怕以我的能力以及身边朋友的帮助难度也较大。4 j* u4 o1 j( L- P; o

3 W  l! F, `; E, e我想问一下,是否有一种这样的液控阀:和单控液压锁是相反的,控制端口没有压力时,两个工作端口是相通的,控制端口有压力时,让他们断开,我不知道是不是有这样的液控阀,网上查也没有找到。$ {' M! ^* b1 e% z1 {: Z$ q/ D( H
0 X* ]- [9 x' N! [
如果有的话,可以像这样改,比较轻松。
液压图4.JPG
发表于 2007-10-19 08:40:42 | 显示全部楼层 来自: 中国上海
双作用缸 回油要有节流阀的
发表于 2007-10-23 16:27:51 | 显示全部楼层 来自: 中国安徽马鞍山

回复 22# 的帖子

如果有这样的阀,你这个原理图更不可取。
1 v& L& U/ ~  x- H/ R有压关闭,也就是说:当3位四通阀任意左右位工作时,左液控单向阀(假设左位工作)直接打开,油液进入油缸,从右油缸的有杆腔回油,同时右液控单向阀关闭,当油从右缸的有杆腔回油到右液控单向阀的时候,由于此阀关闭,回油断,这个回路无法形成。
发表于 2007-10-23 21:01:28 | 显示全部楼层 来自: 中国上海
楼主,看看下面的图是否满足你的需求.右边两缸的同步只能靠机械实现。2 o% p5 ]1 f# e& i4 D
% g; v- B/ ~( x1 E8 t1 i
[ 本帖最后由 hq0305 于 2007-10-23 21:03 编辑 ]
1.JPG
发表回复
您需要登录后才可以回帖 登录 | 注册

本版积分规则


Licensed Copyright © 2016-2020 http://www.3dportal.cn/ All Rights Reserved 京 ICP备13008828号

小黑屋|手机版|Archiver|三维网 ( 京ICP备2023026364号-1 )

快速回复 返回顶部 返回列表