QQ登录

只需一步,快速开始

登录 | 注册 | 找回密码

三维网

 找回密码
 注册

QQ登录

只需一步,快速开始

展开

通知     

全站
10天前
查看: 4609|回复: 6
收起左侧

[讨论结束] 三相异步电动机实现能耗制动的方法?

 关闭 [复制链接]
发表于 2007-9-17 11:07:39 | 显示全部楼层 |阅读模式 来自: 中国山东泰安

马上注册,结识高手,享用更多资源,轻松玩转三维网社区。

您需要 登录 才可以下载或查看,没有帐号?注册

x
哪位高人知道三相异步电动机实现能耗制动的方法?具体怎么实现?谢谢!
发表于 2007-9-17 23:09:01 | 显示全部楼层 来自: 中国福建南平
停机瞬间在电机绕组上接上制动电阻。

评分

参与人数 1三维币 +3 收起 理由
bdblbyq + 3 鼓励参与技术讨论、应助!

查看全部评分

发表于 2007-9-18 06:00:31 | 显示全部楼层 来自: 中国山东烟台
用直流制动或串电阻反向制动。

评分

参与人数 1三维币 +3 收起 理由
bdblbyq + 3 鼓励参与技术讨论、应助!

查看全部评分

 楼主| 发表于 2007-9-18 08:04:03 | 显示全部楼层 来自: 中国山东泰安
接个制动电阻就可以
: X( m0 N* _  i; s8 B谢谢大家!
发表于 2007-9-18 08:24:59 | 显示全部楼层 来自: 中国陕西西安
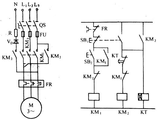
按照下图接制动电阻及二极管就可以实现能耗制动
1.jpg

评分

参与人数 1三维币 +3 收起 理由
bdblbyq + 3 鼓励参与技术讨论、应助!

查看全部评分

发表于 2008-11-6 20:36:37 | 显示全部楼层 来自: 中国福建泉州
希望大家能够在给更加多的讨论
发表于 2008-11-12 21:15:31 | 显示全部楼层 来自: 中国浙江台州
那制动电阻该怎么选择呢?
发表回复
您需要登录后才可以回帖 登录 | 注册

本版积分规则


Licensed Copyright © 2016-2020 http://www.3dportal.cn/ All Rights Reserved 京 ICP备13008828号

小黑屋|手机版|Archiver|三维网 ( 京ICP备2023026364号-1 )

快速回复 返回顶部 返回列表