QQ登录

只需一步,快速开始

登录 | 注册 | 找回密码

三维网

 找回密码
 注册

QQ登录

只需一步,快速开始

展开

通知     

查看: 2650|回复: 18
收起左侧

[讨论] 请高手指点设计一套液压系统

[复制链接]
发表于 2007-9-7 21:55:29 | 显示全部楼层 |阅读模式 来自: 中国山东威海

马上注册,结识高手,享用更多资源,轻松玩转三维网社区。

您需要 登录 才可以下载或查看,没有帐号?注册

x
最近在作套液压系统,真不知如何下手?原因有二个:选国产件吧,泄漏是个问题;选进口的吧,太宰人了;如何这种一下性能和成本?请大家讨论。介绍一下国产较好的液压件厂家也好,提供一个建议也好,使用进口件的体会也好。。。我都想听,倾听大家的指点。
发表于 2007-9-7 22:01:57 | 显示全部楼层 来自: 中国辽宁沈阳
我不是高手,但是我认为:
" E" q* `7 S: T: W1 G系统要求高的,就用进口的。要求低的,就用国产的。
发表于 2007-9-7 22:18:59 | 显示全部楼层 来自: 中国浙江绍兴
同意楼上的说法,具体介绍一下你的系统好了,比如用在什么场合,系统要求的压力和流量多少,大概的控制方式,有多少执行元件等等!
 楼主| 发表于 2007-9-7 22:47:27 | 显示全部楼层 来自: 中国山东威海
我来画图,你来解说,看看谁解说的好。

222.jpg.rar

91.45 KB, 下载次数: 21

发表于 2007-9-8 13:24:43 | 显示全部楼层 来自: 中国江苏常州
楼主图上未介绍对整个系统的要求,四个负载有多大。。。。。等等情况?怎么讨论?
发表于 2007-9-8 13:33:56 | 显示全部楼层 来自: 中国四川自贡
建议楼主全部用国产的,国产的阀类如华德的、力源的、长液的都非常好用。为什么迷信国外的呢?力士乐那么牛的,售后你就知道是那回事了?
  h! m5 t3 U" P* J) l泵类,阀类国产代替进口件的很多呀。。。楼主支持一下国货呢!
发表于 2007-9-8 16:13:20 | 显示全部楼层 来自: 中国北京
用进口件较好,为了省钱,可用螺纹插装阀
发表于 2007-9-8 16:47:33 | 显示全部楼层 来自: 中国河南郑州
液压元件的选型与成本有很大的关系,选型方案及售价需要与客房共同确定,一般地:国产与进口都能满足系统要求,这时更多的是客房对报价的接受程度了,通常密封选用进口的,常用的泵、阀选用国内知名厂家就会很好的控制成本,给用户一个好方案,并不是一未追求进口的。
发表于 2007-9-8 19:34:56 | 显示全部楼层 来自: 中国河北保定
给楼主提点建议:首先,第一次看你画的原理图,显得比较乱,执行元件处的连线尽量避免相交,你可以把它画在阀的上方。其次,进口件与国产件应配合使用,比较重要的件再采用进口的。第三,楼主应该对整个系统的要求进行描述一下,四个负载有多大,系统需要的功率等,好多参数都没有,别人很难替你作出详细的选择。
发表于 2007-9-8 23:06:15 | 显示全部楼层 来自: 中国山东泰安
建议楼主还是用国产的,现在液压件国产的质量也不错,没必要崇洋媚外,而外国的成本太高,服务不好,还是支持国产品牌吧
发表于 2007-9-10 10:22:42 | 显示全部楼层 来自: 中国浙江温州
如果是我我就要采用国产件,但有一条,这要看你的液压系统用在什么地方,如果涉及到人身安全,阀及密封件最好用进口的。
发表于 2007-9-10 15:52:00 | 显示全部楼层 来自: 中国上海
楼主啊!# z) V, m* ]3 s. C$ B3 B8 M" P
我想提醒你!
( T' p; k' m. b' M. w
' f. u9 l7 F2 s选产品不能因为产品贵而不用它!# L. p' g# `& ], d$ g; `
& M7 o9 D5 |) Q- F
选它贵就要认识到它贵能给你带来的价值!$ V% f2 _4 [& }( v$ S
你选用的贵的进口的产品,可以为你的产品提高质量,提高竞争力!!!!
/ x  B9 T5 n  m# N, e9 Y/ c5 ?
9 h5 \* a! Z* A斑竹,,,,,你同意吗?
发表于 2007-9-10 16:11:26 | 显示全部楼层 来自: 中国河南郑州
同意楼上的说法,具体介绍一下你的系统好了,比如用在什么场合,系统要求的压力和流量多少,大概的控制方式,关键看老板的意识
发表于 2007-9-12 10:32:08 | 显示全部楼层 来自: 中国湖北武汉
关键部位用进口的,不是很重要的地方可以用国产的,这样性能和经济性都比较好!
发表于 2007-9-12 15:25:02 | 显示全部楼层 来自: 中国福建福州
同意楼上的!
发表于 2007-9-12 17:28:57 | 显示全部楼层 来自: 中国河南新乡
看你的系统要求了,我感觉国产的多路阀体积相同流量这么那么大?
发表于 2007-9-12 18:10:55 | 显示全部楼层 来自: 中国北京
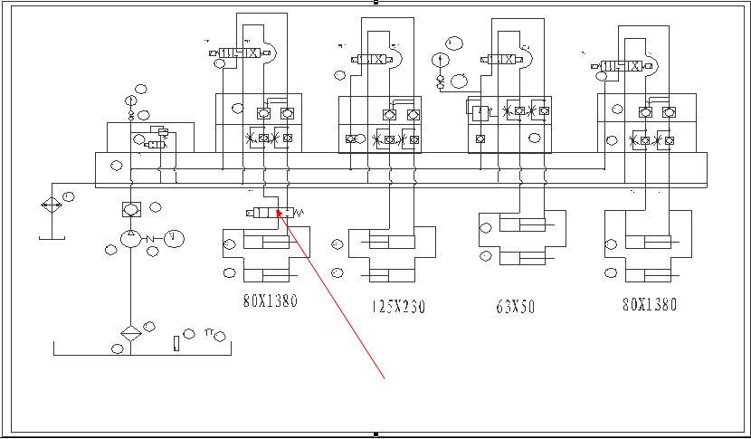
给大家贴个图,楼主介绍一下工况(特别是泄露的具体要求),便于大家给你分析、讨论!: P2 j; L! a. p" S' `
我感觉箭头所指的阀可不要。: B3 k* e, j# j! d4 a* N
看了一下整个系统,对阀而言完全可以全部国产化!
1.JPG
发表于 2007-9-12 18:23:38 | 显示全部楼层 来自: 中国广东广州
柱塞泵选用贵州力源或上海液压泵厂的,阀选用华德的,油缸选用韶关伟光,附件选用上海高行、温州黎明、启东润滑设备厂的
 楼主| 发表于 2007-9-16 22:59:11 | 显示全部楼层 来自: 中国山东威海
感谢17#的指点,最终我确实去掉了那个阀,阀的泄漏不严重就行,缸不能有泄漏
发表回复
您需要登录后才可以回帖 登录 | 注册

本版积分规则


Licensed Copyright © 2016-2020 http://www.3dportal.cn/ All Rights Reserved 京 ICP备13008828号

小黑屋|手机版|Archiver|三维网 ( 京ICP备2023026364号-1 )

快速回复 返回顶部 返回列表