QQ登录

只需一步,快速开始

登录 | 注册 | 找回密码

三维网

 找回密码
 注册

QQ登录

只需一步,快速开始

展开

通知     

全站
9天前
查看: 1536|回复: 2
收起左侧

[分享] 机械制图教案

[复制链接]
发表于 2007-8-31 10:49:37 | 显示全部楼层 |阅读模式 来自: 中国山东济南

马上注册,结识高手,享用更多资源,轻松玩转三维网社区。

您需要 登录 才可以下载或查看,没有帐号?注册

x
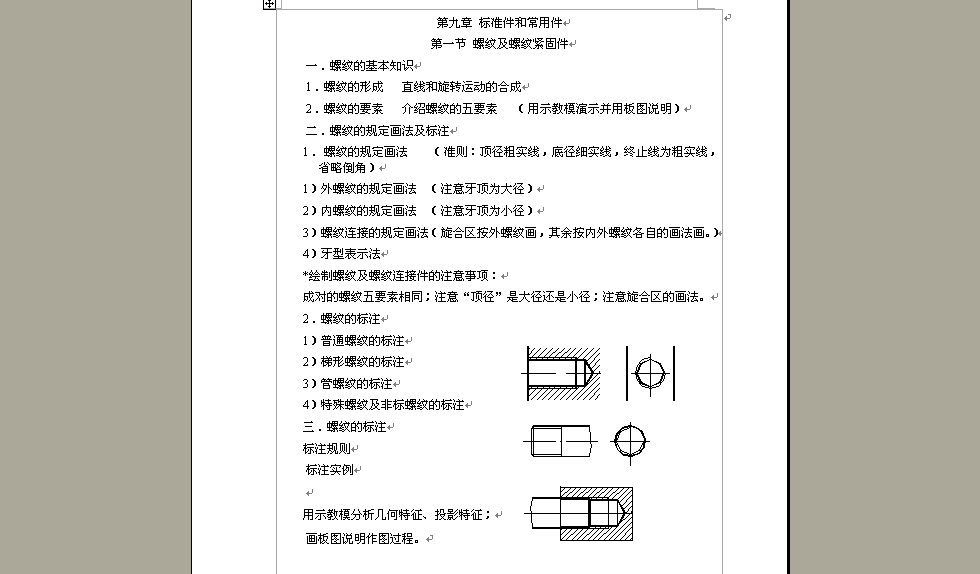
机械制图教案 机械制图教案.rar (509.9 KB, 下载次数: 40)
1.gif
2.gif

评分

参与人数 1三维币 +5 收起 理由
plc + 5 好资料

查看全部评分

发表于 2007-9-7 12:06:39 | 显示全部楼层 来自: 中国广东
感觉齿轮那节写得重点不好
发表于 2007-9-7 14:28:42 | 显示全部楼层 来自: 中国上海
没有流量,没法下载,谁贡献我点,谢谢了
发表回复
您需要登录后才可以回帖 登录 | 注册

本版积分规则


Licensed Copyright © 2016-2020 http://www.3dportal.cn/ All Rights Reserved 京 ICP备13008828号

小黑屋|手机版|Archiver|三维网 ( 京ICP备2023026364号-1 )

快速回复 返回顶部 返回列表