QQ登录

只需一步,快速开始

登录 | 注册 | 找回密码

三维网

 找回密码
 注册

QQ登录

只需一步,快速开始

展开

通知     

全站
8天前
查看: 2157|回复: 5
收起左侧

[讨论结束] 此零件的机加工工艺

[复制链接]
发表于 2007-8-30 09:34:47 | 显示全部楼层 |阅读模式 来自: 中国上海

马上注册,结识高手,享用更多资源,轻松玩转三维网社区。

您需要 登录 才可以下载或查看,没有帐号?注册

x
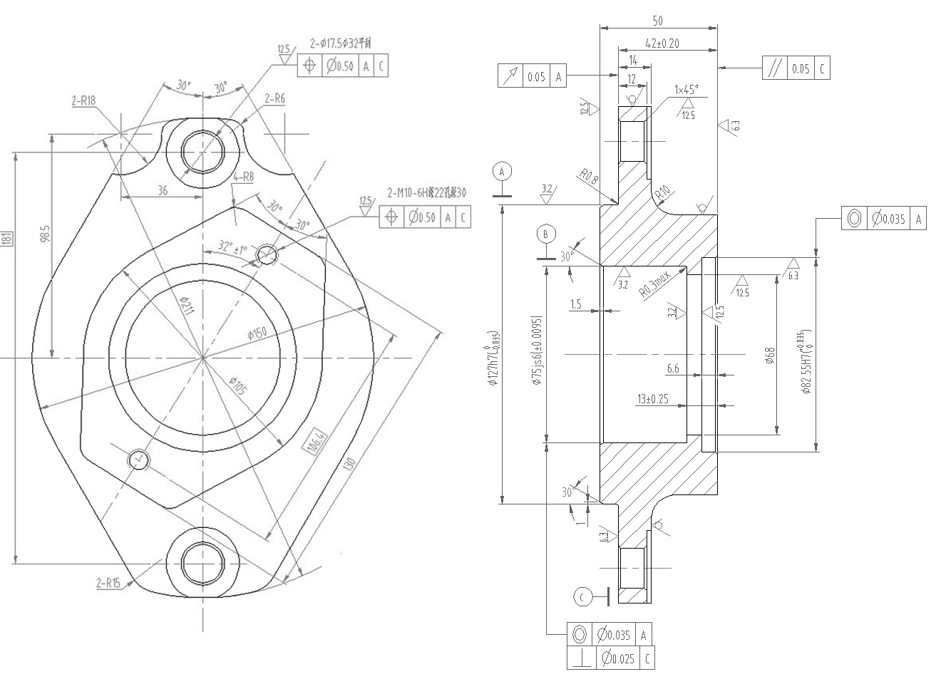
这是个轴承座零件,加工精度要求较高.& h0 z8 \& C: t
我们厂现在的工艺是:# B* V* |* m! F  S, {! h
1.内撑孔∮75粗车∮82.55.6 a; [/ B+ g7 B5 o' b* ?
2.内撑粗车后的∮82.55,粗、精车基面A、B、C及其端面.(其中粗、精加工分开做.
" s) h: r0 }- j: n$ `& a1 j" G+ l3.精车∮82.55.(专用夹具)
7 S& C5 c: {% H! i4.钻孔2-∮8.5,钻孔2-∮15,扩孔2-∮17.5.(专用夹具)7 ~: n' Q7 V( s' S8 H4 h/ S+ \
5.攻2-M10.& @5 L4 T% e* v# r2 f9 X* ~/ e
大家看看这工艺能不能改进?
未标题-5.jpg
发表于 2007-8-31 17:27:57 | 显示全部楼层 来自: 中国广东惠州
楼主的工艺,加工第二工序时一定会很慢并且尺寸也不是很稳定吧?因为装夹长度过短,装夹刚性不够,切削力稍大一点工件就会松动。
发表于 2007-8-31 20:19:47 | 显示全部楼层 来自: 中国浙江湖州
楼主反而φ75±0.0095的尺寸能一次车出,φ82.55的却要车两次?
. L) h- q) L- m& k这样行吗
5 J/ m1 s; q: b先把φ127和φ75一次车出来,再以φ75为基准车φ82.55,再把断面的那些基准车出来,最后是否要磨φ75的孔啊
发表于 2007-8-31 21:25:48 | 显示全部楼层 来自: 中国湖北宜昌
上加工中心加工可以一次完成
发表于 2007-9-2 10:21:54 | 显示全部楼层 来自: 中国浙江台州
按你提供的工艺质量很难保证,因为这样的工件必须先粗加工\半精加工,保证精加工的余量均匀,这样你的形位公差和尺寸公差才有可能得到保证!
发表于 2007-9-2 21:33:58 | 显示全部楼层 来自: 中国黑龙江佳木斯
作一个工艺请大家给指点一下:) z" E1 h! n- y- r0 G: N: ^
1铸料 (锻)   2,热处理调质处理    3划线,划75孔中心位置线,   4车,(1)夹105外圆,以划线位置车75内孔及127外圆,车左端面及C端面至尺寸,车211外圆并在211外圆的右端面车一宽10找正带(为下一工序找正用),6 `7 N9 y% R: @" l  e0 i) ]
(2)掉头,以211外圆及端面找正带找正,车82.55及68内孔,平右端面至尺寸,定总长,
7 A1 S4 Z4 I/ S6 m. j+ V余全部车成.
$ K6 @7 I' _9 P4 b5,划线,划2-M10及17.5孔位置线.
# T( j5 ?9 f9 m' ~$ O5 X6钻2-M10底孔及17.5孔并锪平32孔# d( R! a- \3 q% y1 A0 t
7攻,攻M10螺纹.2 S( G8 K6 D5 A" G
8检,综检.
发表回复
您需要登录后才可以回帖 登录 | 注册

本版积分规则


Licensed Copyright © 2016-2020 http://www.3dportal.cn/ All Rights Reserved 京 ICP备13008828号

小黑屋|手机版|Archiver|三维网 ( 京ICP备2023026364号-1 )

快速回复 返回顶部 返回列表