|
|

楼主 |
发表于 2007-8-31 00:20:25
|
显示全部楼层
来自: 中国广东江门
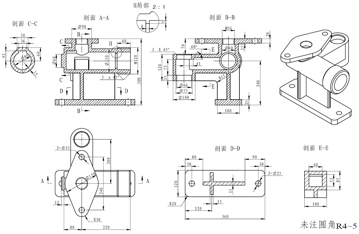
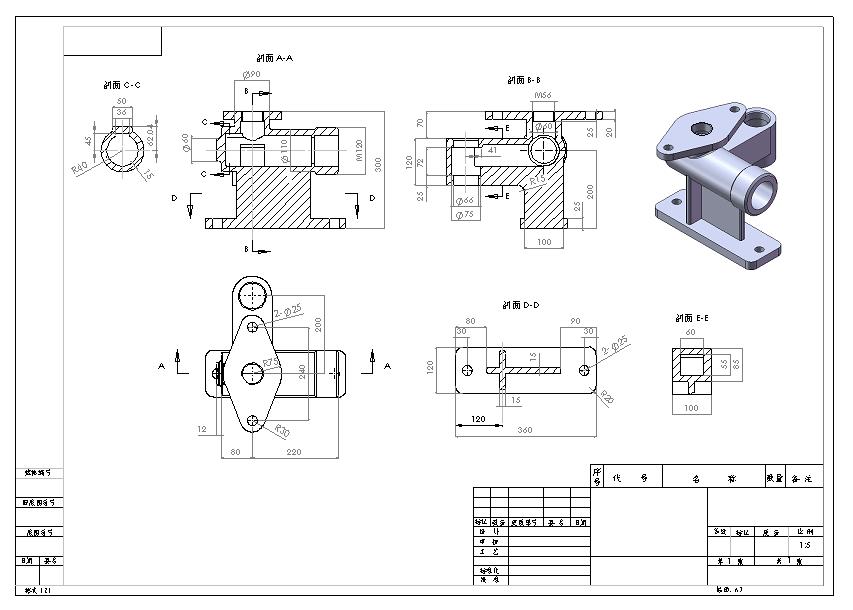
3楼的做是做出来了,鼓励一下,但你没有按照题目要求来做,题意是要:采用多实体方法独立设计内腔形态来做的!
! e$ k2 x; l+ V# a5 J; J) r6 w! P0 ^- O9 S; a. }# Z
& a; _1 J9 ^& o. d; q" E2 Q
注意:要采用独立内腔形态来作的!; e/ u, d, L9 r+ N# v5 B5 X
+ j* n0 H( h1 h0 l/ P$ J
下面给个参考答案,解压后把两个零件文件放在同一个文件夹下!0 N _0 G+ ]8 G3 e; g/ [% {; E1 j
& c* p0 j. C& K[ 本帖最后由 gudufei 于 2007-8-31 00:25 编辑 ] |
|