QQ登录

只需一步,快速开始

登录 | 注册 | 找回密码

三维网

 找回密码
 注册

QQ登录

只需一步,快速开始

展开

通知     

查看: 3249|回复: 11
收起左侧

[讨论] 递进式分配阀的工作原理

[复制链接]
发表于 2007-8-27 04:54:15 | 显示全部楼层 |阅读模式 来自: 中国安徽铜陵

马上注册,结识高手,享用更多资源,轻松玩转三维网社区。

您需要 登录 才可以下载或查看,没有帐号?注册

x
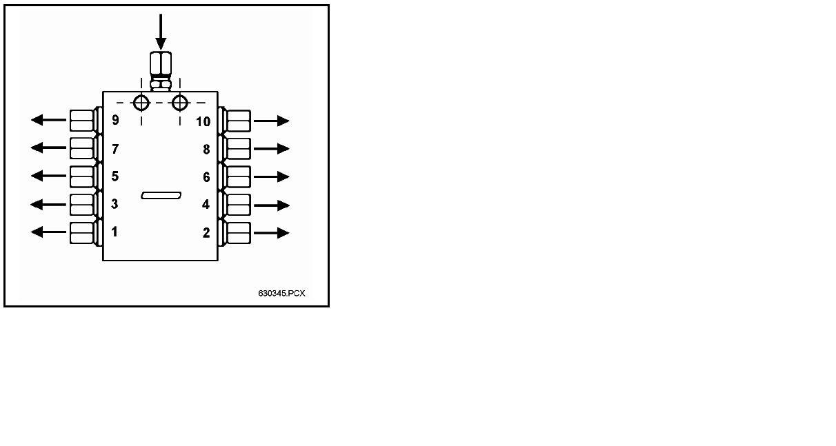
请大家分析一下,该油路的正常工作顺序:
3 Z4 Q' E3 ^; S8 d0 Q 递进式分配阀.JPG

评分

参与人数 1三维币 +3 收起 理由
柠檬咖啡 + 3 鼓励发起技术讨论

查看全部评分

发表于 2007-8-27 13:47:40 | 显示全部楼层 来自: 中国广东深圳
这是是递进分配器   我知道lincoln的出由顺序    从上到下再从右到左
发表于 2007-8-27 13:48:51 | 显示全部楼层 来自: 中国广东深圳
这个顺序跟内部结构相关  也不是都这样的   还有看当时里面的柱塞停的位置阿
发表于 2007-8-28 20:30:15 | 显示全部楼层 来自: 中国安徽铜陵

应该是

这好象是润滑油脂供给阀体,工作顺序为,2-9-7-5-3-1-10-8-6-4
发表于 2007-8-28 20:37:14 | 显示全部楼层 来自: 中国安徽铜陵

补充

补充一下,它是利用阀的阀芯往复运行来切断或打开油路,主要利用供给的润滑油脂来推动阀芯左右运行,同时将左右腔内润滑油脂,压送出去,达到润滑目的。

评分

参与人数 1三维币 +3 收起 理由
晨砂 + 3 感谢您参与讨论!

查看全部评分

发表于 2007-8-29 13:18:02 | 显示全部楼层 来自: 中国广东深圳
我贴了个图出来啊,我贴出来的那种结构是不能堵1、2号口的,其他的可以堵上( V. \+ \, a% d. H
这种阀有个毛病就是任何一条管路堵死,其他管路不再出油,有这种阀的同志们检修的时候要注意了哈
发表于 2007-8-29 13:22:06 | 显示全部楼层 来自: 中国广东深圳
我看你的阀和阀下面的长方形的方框,应该是lincoln的,方框上面应该有个标志哈,如果不是也肯定是仿制的* j& N; f1 h. f% F' }. O
不知道论坛有多少人做润滑的,希望加qq29682071交流交流哈
发表于 2007-8-29 19:59:10 | 显示全部楼层 来自: 中国河北唐山
工作顺序为,2-4-6-8-10-1-3-5-7-9
/ X6 z7 i  S% ]( b  c6 v
5 ~* {/ p! [+ O  ?) o6 t; [[ 本帖最后由 fnwwxl 于 2007-8-29 20:21 编辑 ]
未命名.JPG
头像被屏蔽
发表于 2007-8-29 20:13:15 | 显示全部楼层 来自: 中国江苏南通
提示: 作者被禁止或删除 内容自动屏蔽
发表于 2007-8-29 21:45:59 | 显示全部楼层 来自: 中国上海
这是BIJUR公司的一个关于单线分配器的动画,供参考。

SeriesProgressive_Bijur.swf

175.43 KB, 下载次数: 19

发表于 2007-8-29 22:42:48 | 显示全部楼层 来自: 中国安徽马鞍山
看下这两个帖子:( Z) z2 Z1 {! T7 w  u3 L+ l% M+ R
http://www.3dportal.cn/discuz/vi ... &extra=page%3D1( @$ t& u) R* h# @- g& \
http://www.3dportal.cn/discuz/vi ... &extra=page%3D1
发表于 2009-5-7 08:29:05 | 显示全部楼层 来自: 中国河北秦皇岛
谢谢楼主 :)

评分

参与人数 1三维币 -20 收起 理由
华氏911 -20 严重灌水

查看全部评分

发表回复
您需要登录后才可以回帖 登录 | 注册

本版积分规则


Licensed Copyright © 2016-2020 http://www.3dportal.cn/ All Rights Reserved 京 ICP备13008828号

小黑屋|手机版|Archiver|三维网 ( 京ICP备2023026364号-1 )

快速回复 返回顶部 返回列表