QQ登录

只需一步,快速开始

登录 | 注册 | 找回密码

三维网

 找回密码
 注册

QQ登录

只需一步,快速开始

展开

通知     

全站
11天前
查看: 1536|回复: 7
收起左侧

[已解决] 请教高手,这个如何弄

[复制链接]
发表于 2007-8-17 14:53:16 | 显示全部楼层 |阅读模式 来自: 中国广东江门

马上注册,结识高手,享用更多资源,轻松玩转三维网社区。

您需要 登录 才可以下载或查看,没有帐号?注册

x
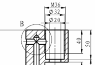
如题,怎么在立体中搞螺纹线M36?
11.bmp
12.bmp
发表于 2007-8-17 15:43:52 | 显示全部楼层 来自: 中国浙江杭州
不太清楚,不是有异型孔特征嘛?
发表于 2007-8-17 15:51:40 | 显示全部楼层 来自: 中国上海
建模的时候使用异型孔的命令做,工程图时候就有螺纹线了!
& g" s% |! E/ O9 d3 M& G, }" ~' S( Q, X  Q
[ 本帖最后由 wysir 于 2007-8-17 15:58 编辑 ]
Image00000.jpg
Image00001.jpg
Image00002.jpg
Image00003.jpg
发表于 2007-8-17 15:56:00 | 显示全部楼层 来自: 中国辽宁沈阳
采用异型孔特征来做,做出后可以贴图表示螺纹。不知道还有没有更好的方法
 楼主| 发表于 2007-8-17 16:45:21 | 显示全部楼层 来自: 中国广东江门
多谢,用异形孔我也做过,但如果是M36改成是M40的话,在导向异形孔上是无此尺寸的,那又应该如何呢?
发表于 2007-8-21 16:18:33 | 显示全部楼层 来自: 中国上海
用装饰螺纹线做
发表于 2007-8-21 17:03:39 | 显示全部楼层 来自: 中国广东揭阳
呵呵,直接扫描切除的也应该可以哈
发表于 2007-8-21 18:15:59 | 显示全部楼层 来自: 中国广东潮州
用修饰做比较好,不浪费资源
发表回复
您需要登录后才可以回帖 登录 | 注册

本版积分规则


Licensed Copyright © 2016-2020 http://www.3dportal.cn/ All Rights Reserved 京 ICP备13008828号

小黑屋|手机版|Archiver|三维网 ( 京ICP备2023026364号-1 )

快速回复 返回顶部 返回列表