QQ登录

只需一步,快速开始

登录 | 注册 | 找回密码

三维网

 找回密码
 注册

QQ登录

只需一步,快速开始

展开

通知     

全站
10天前
查看: 2380|回复: 9
收起左侧

[讨论] 液压锁紧会慢慢松开,系统不保压

[复制链接]
发表于 2007-8-15 12:15:23 | 显示全部楼层 |阅读模式 来自: 中国江苏扬州

马上注册,结识高手,享用更多资源,轻松玩转三维网社区。

您需要 登录 才可以下载或查看,没有帐号?注册

x
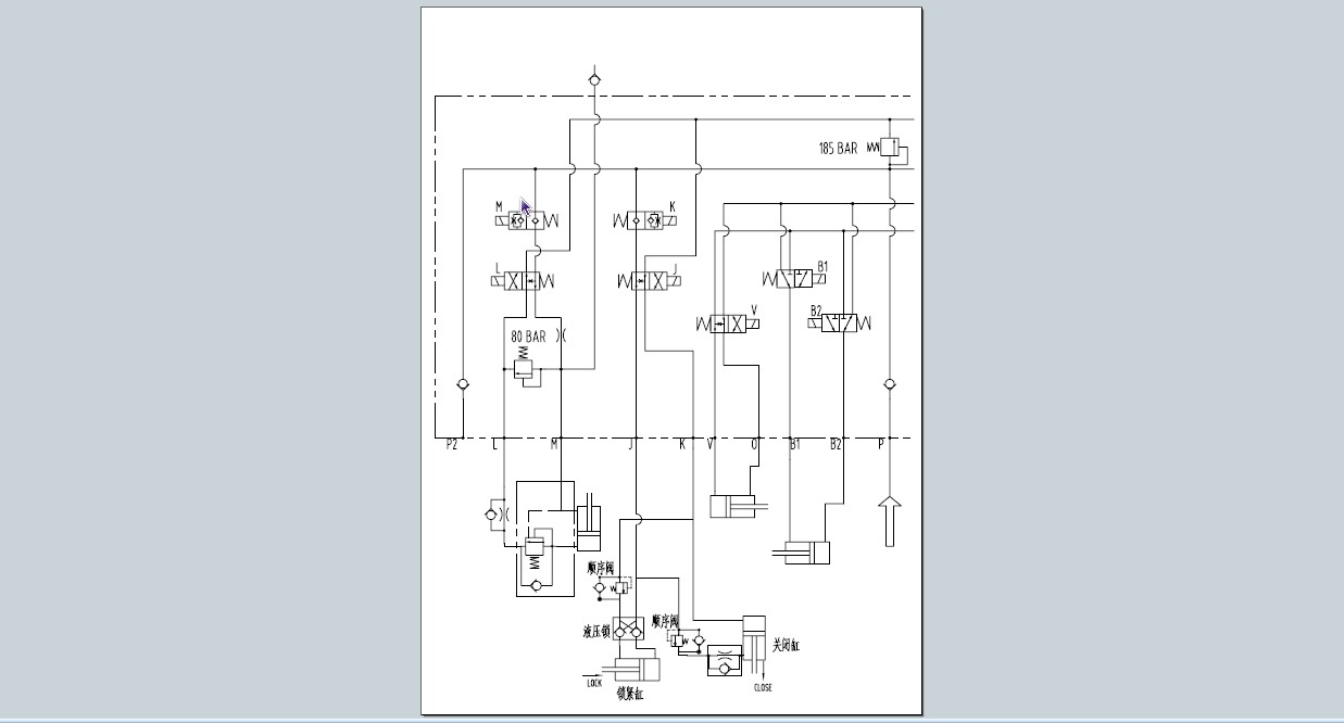
如下图中,关闭缸和锁紧缸实现顺序作用,锁紧缸锁紧后会慢慢松开,系统不保压,请帮忙看看是什么原因
Image000001.jpg

工作图.pdf

39.41 KB, 下载次数: 11

发表于 2007-8-15 12:42:44 | 显示全部楼层 来自: 中国江苏无锡
1,最大可能就是你的液压锁有泄漏了,要是方便的话可以换个试试。/ Y$ K8 ?* O% ]" \9 c$ Z
2,要是换了液压锁问题还不能解决的话,锁紧缸有内泄的可能性也是存在的,不能忽视!
2 o4 s  r- I& C" M! k3.其次就是最小可能性的了,就是两个顺序阀也有一定量的泄漏也会影响液压锁的性能。(不过看图锁紧后电磁阀应该在左位这个可能性几乎没有)
. F; N8 b! Q$ l! J' D  X: }/ ~4 Y
" x6 s% j1 z* H6 B# V% u
8 w3 m; y' d4 k" S. ?4 V这只是个人的一点愚见,希望对你能够有用!说错的地方望高人纠正!
2 I  i# a4 Y7 w3 O5 |
8 Z/ o; o- w1 a6 E[ 本帖最后由 wuwanfu 于 2007-8-15 12:44 编辑 ]

评分

参与人数 1三维币 +10 收起 理由
binzhang + 10 应助

查看全部评分

发表于 2007-8-15 12:48:54 | 显示全部楼层 来自: 中国湖北武汉
当泵停止运行时,关闭缸有杆腔压力大于锁紧缸无杆腔的压力!锁紧缸无压力支撑,所以无法锁死!
% @) X8 O3 b0 p9 O
7 f% b5 S3 x% F* _. o# D
1 U$ U% M! h  O# P) I" }估计改变锁紧缸的参数可以解决问题!
& r# A# [7 q# `9 q; S; c
( A6 x2 x' \% {- d! x! L[ 本帖最后由 mtmtmt 于 2007-8-15 13:32 编辑 ]
发表于 2007-8-15 21:21:06 | 显示全部楼层 来自: 中国河南驻马店
没看明白你的动作,如果向左是锁紧的,你的系统中液压锁与顺序阀的位置有问题。
发表于 2007-8-15 21:43:48 | 显示全部楼层 来自: 中国四川广元
图片上向右是锁紧!
发表于 2007-8-16 06:19:16 | 显示全部楼层 来自: 中国安徽铜陵
本人赞成wuwanfu 朋友的观点。但从楼主描述的现象来看,感觉锁紧缸内泄也是有可能的。
发表于 2007-8-16 08:00:42 | 显示全部楼层 来自: 中国江苏徐州
液压阀J、K如果有泄漏,也会造成液压锁误打开。# ^  Q1 X# p: W/ A$ z
再就是局部原理图,不知道您的工况,分析可能不对,您可以查一下,锁紧缸锁紧后,还有哪些阀在动作,是否有串到液压锁控制油路的可能,如果有,就得排除掉。8 D% X5 J2 {. X# ], F, H
$ o6 v- D4 l5 g  C9 _6 N
[ 本帖最后由 goldfluid 于 2007-8-16 08:03 编辑 ]
发表于 2007-9-19 12:22:35 | 显示全部楼层 来自: 中国辽宁本溪
大家说到的都有道理,我们单位也曾经发生过这样的故障,但是经过检查不是上诉原因
& Q0 b! ~. D( N7 v8 Z' g8 b我们单位的电磁阀是威格式的,最后的原因就是电磁阀不回中位,造成泄漏.8 ^9 T1 r% i, L- R1 G  @2 K
仅供参考.
 楼主| 发表于 2007-9-26 10:51:02 | 显示全部楼层 来自: 中国江苏扬州
先说明一下,希望关闭缸先实现关闭动作(无杆腔进油),待压力到达6MPa时,连接锁紧缸有杆腔的顺序阀打开,有杆腔进油实现锁紧,换向作用后,锁紧缸无杆腔进油,到达压力到达6MPa时,关闭缸的有杆腔进油,但锁紧缸就是会慢慢松开
发表于 2008-3-7 21:11:37 | 显示全部楼层 来自: 中国湖北武汉
你说的不保压是怎么回事 是油缸有动作还是压力泄掉了
发表回复
您需要登录后才可以回帖 登录 | 注册

本版积分规则


Licensed Copyright © 2016-2020 http://www.3dportal.cn/ All Rights Reserved 京 ICP备13008828号

小黑屋|手机版|Archiver|三维网 ( 京ICP备2023026364号-1 )

快速回复 返回顶部 返回列表