QQ登录

只需一步,快速开始

登录 | 注册 | 找回密码

三维网

 找回密码
 注册

QQ登录

只需一步,快速开始

展开

通知     

全站
9天前
查看: 5865|回复: 32
收起左侧

[讨论结束] 这个轴能手工推进孔去吗?

[复制链接]
发表于 2007-8-3 16:18:37 | 显示全部楼层 |阅读模式 来自: 中国山西太原

马上注册,结识高手,享用更多资源,轻松玩转三维网社区。

您需要 登录 才可以下载或查看,没有帐号?注册

x
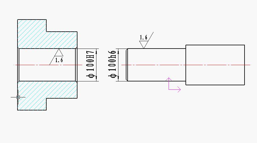
这个轴和孔的配合公差及表面粗糙度如下图,能手工将轴推进孔去吗?
孔与轴.jpg
发表于 2007-8-3 16:25:05 | 显示全部楼层 来自: 中国浙江宁波
这个肯定没问题,因为孔是往上走,轴是往下走.属于间隙配合.
1.png
2.png
3.png

评分

参与人数 1三维币 +5 收起 理由
plc + 5 应助

查看全部评分

发表于 2007-8-3 16:48:52 | 显示全部楼层 来自: 中国山东济南
楼上讲得很详细,如果加工没问题的话,用手可以推进去

评分

参与人数 1三维币 +3 收起 理由
plc + 3 应助

查看全部评分

发表于 2007-8-3 19:41:29 | 显示全部楼层 来自: 中国江苏南京
进不去的,要手工推进去,至少要在0.15mm以上,否则要用工具敲

评分

参与人数 1三维币 +5 收起 理由
plc + 5 应助

查看全部评分

发表于 2007-8-3 21:48:56 | 显示全部楼层 来自: 中国辽宁朝阳
如果单看尺寸应该没问题,就是不知道多长,否则的话你应该考虑一下形位公差,如果形位差点可就难说了,

评分

参与人数 1三维币 +5 收起 理由
userkypdy + 5 积极讨论

查看全部评分

发表于 2007-8-3 21:51:45 | 显示全部楼层 来自: 中国北京
连行位公差都没有,悬 ,我估计进不去,表面看能进去,但是如果行位公差取尺寸精度的的一半,还有可能过盈了,如果有包容原则我想用木锤轻轻敲击将没有问题
发表于 2007-8-3 22:00:47 | 显示全部楼层 来自: 中国江苏常州
肯定不能用手推进去," e7 _4 ]5 o+ [9 n8 d
这个我看了多 次拉
( q8 ~8 e7 \- P% {# AH/h的配合事实上必须用榔头敲进去,6 d; V# n/ o& y9 J. K8 z* T
如果配合长度长的哈,考虑到形位公差
) x$ j- ^0 K: \6 j% Q7 n+ ]更不行拉) L# o+ S+ o# i
---------------------------
3 n1 K. a( z& q% u/ U2 M0 a也说说你的高见?

评分

参与人数 1三维币 +6 收起 理由
userkypdy + 6 老大好厉害,经验丰富

查看全部评分

发表于 2007-8-3 23:28:51 | 显示全部楼层 来自: 中国江西九江
直径100的东西,没有形位公差的要求很难说0 i) u" ~# Y6 G: ^9 N
H7/h6是最小间隙为零的间隙配合,不考虑形位公差,当孔和轴都为了0,能推吗?. p; A7 T; p* B/ t$ i

  \2 b0 g% w: Y7 C/ G[ 本帖最后由 asdolmlm 于 2007-8-3 23:33 编辑 ]

评分

参与人数 1三维币 +5 收起 理由
userkypdy + 5 积极参与

查看全部评分

发表于 2007-8-4 01:48:19 | 显示全部楼层 来自: 中国天津
如果我做图,我会把孔的粗糙度做成3.2。
# ]& ]! k4 P7 ^3 K  `5 i2 I没有任何形位公差,就要看加工的是什么床子了。+ N" U& i$ P! o8 p3 T; r9 J
6 y2 r" j0 f( H5 ?: p- y
[ 本帖最后由 fgzhangwei 于 2007-8-4 01:49 编辑 ]
发表于 2007-8-4 02:34:54 | 显示全部楼层 来自: 越南
以本人的经验,肯定不行,配合的长度越长,更不可能。一般人们总是以为是间隙配合,就一定存在间隙。其实,我们所说的配合有两个方面的公差,那就是尺寸公差和形位公差,形位公差影响到实际的间隙,而且人的手的推力并不大,零件表面光洁度不好的话,即使放了润滑油都不行。

评分

参与人数 1三维币 +5 收起 理由
userkypdy + 5 积极参与

查看全部评分

发表于 2007-8-4 08:03:41 | 显示全部楼层 来自: 中国辽宁阜新
肯定推不进去。按楼主给的尺寸和精度,即便形成最大间隙也推不进去,因为还有形位偏差、粗糙度影响,还有个材料硬度问题。

评分

参与人数 1三维币 +5 收起 理由
userkypdy + 5 积极参与

查看全部评分

发表于 2007-8-4 10:07:32 | 显示全部楼层 来自: 中国福建泉州
欧认为不一定。
$ T- w. M% H' R; O1.如果轴的尺寸是在上偏差,而孔的尺寸刚好是在下偏差,这样两者的间隙几乎为零,因此这种情况下,用手是很难推进去的;5 W- U& h# b8 G% _0 y' ]
2.如果轴的尺寸是在下偏差,而孔的尺寸是在上偏差,这样两者的配合有一定的间隙,因此这种情况下,用手是可以推进去.

评分

参与人数 1三维币 +4 收起 理由
userkypdy + 4 积极参与

查看全部评分

发表于 2007-8-4 10:15:19 | 显示全部楼层 来自: 中国山东济宁
"发表于 2007-8-3 19:41 资料 个人空间 短消息  % T7 o  ]7 h. Z# K7 r! y
进不去的,要手工推进去,至少要在0.15mm以上,否则要用工具敲"
& {8 _4 z! I) V, R  e. L' ]
% C% i+ \  C  M9 G用不了大0.15mm吧.
头像被屏蔽
发表于 2007-8-4 10:48:57 | 显示全部楼层 来自: 中国浙江杭州
提示: 作者被禁止或删除 内容自动屏蔽
发表于 2007-8-4 11:33:50 | 显示全部楼层 来自: 中国四川广元
没有形位公差,没有配合长度,没有装配条件,不好妄断!

评分

参与人数 1三维币 +3 收起 理由
userkypdy + 3 参与

查看全部评分

 楼主| 发表于 2007-8-4 18:07:29 | 显示全部楼层 来自: 中国山西太原
像这种简单的装配关系的加工图上,一搬不标形位公差,由尺寸公差完全可以控制。因为位置公差从图上可看出不存在,形状公差要标的话就是圆度和圆柱度了,圆度在测量时已包括在尺寸公差里了。致于圆柱度,圆柱度误差的形成是机床精度和刀具的磨损形成的锥度误差。但这里加工长度为140mm,机床误差和刀具磨损误差都可忽略,所以只用尺寸公差控制就可以了。. @! R: O% P. R1 g
我们曾做过一次试验,在一批各120件的联轴器和轴的加工后,120套合格件中只有11套能用手推进去,大概是9%。其余都进不去。1 P% T. C7 n8 K2 `' R( o
以上大多数同行分析的都是对的,在此谢谢各的参与。
! T7 n+ u# g9 |7 c
6 ?! }5 t8 {- W! k, h[ 本帖最后由 gaoyns 于 2007-8-4 18:09 编辑 ]

评分

参与人数 1三维币 +6 收起 理由
userkypdy + 6 总结

查看全部评分

发表于 2007-8-4 20:26:46 | 显示全部楼层 来自: 中国山东威海
肯定用手推不进去,要想用手能推进去的话,孔至少比轴大5丝左右,上面的H7/h6看是间隙配合,但是在加工过程中有可能孔最小,轴最大等情况

评分

参与人数 1三维币 +3 收起 理由
userkypdy + 3 参与

查看全部评分

发表于 2007-8-4 20:48:07 | 显示全部楼层 来自: 中国安徽芜湖
原帖由 gaoyns 于 2007-8-4 18:07 发表 http://www.3dportal.cn/discuz/images/common/back.gif
( h6 G% q! _& h像这种简单的装配关系的加工图上,一搬不标形位公差,由尺寸公差完全可以控制。因为位置公差从图上可看出不存在,形状公差要标的话就是圆度和圆柱度了,圆度在测量时已包括在尺寸公差里了。致于圆柱度,圆柱度误 ...

! G( _  `! @; {% P/ |1 G6 z0 L! @( P5 k, A: q
如果这两个零件的配合面的长度要短一些,那么用手推进去的概率还要大一些。

评分

参与人数 1三维币 +3 收起 理由
userkypdy + 3 参与

查看全部评分

发表于 2007-8-4 23:28:11 | 显示全部楼层 来自: 中国江苏常州
本人认为不可能用手推进去
  ^; n. t8 p6 b5 v% [. u1.公差本身就决定 100/100 的可能性
+ `  S! ~9 g# k8 y2.这里边应该有象垂直度,跳动的形位公差没有标注,也就要按照GB的默许公差.

评分

参与人数 1三维币 +3 收起 理由
userkypdy + 3 参与

查看全部评分

发表于 2007-8-5 07:55:26 | 显示全部楼层 来自: 中国上海
这道题如果仅以楼主设的条件和限止的话,从装配工艺上来说可以用手来放入、因为楼主并未限制你将孔形零件加热或将轴形零件冷冻后安装。

评分

参与人数 1三维币 +4 收起 理由
userkypdy + 4 参与

查看全部评分

发表于 2007-8-5 08:44:27 | 显示全部楼层 来自: 中国云南昆明
按照理论上的数据,用手推进去是有可能的,但实际安装过程是不确定的,当轴和孔的轴线出现不同轴时就会卡住,所以安装时要基本绝对保证安装同轴度的问题,做个稳定的V型槽支架,找正中心后,应该可以用手工推进去。

评分

参与人数 1三维币 +4 收起 理由
userkypdy + 4 参与

查看全部评分

发表于 2007-8-5 09:33:44 | 显示全部楼层 来自: 中国河南郑州
从公差上看应该可以用手装进去,但也不绝对,总之用手时需要边推边旋转,挺费劲的

评分

参与人数 1三维币 +3 收起 理由
userkypdy + 3 参与

查看全部评分

发表于 2007-8-5 11:19:29 | 显示全部楼层 来自: 中国浙江宁波
这就是一个明显的理论与实际的问题了1 c$ C4 A- \) G( G
理论是间隙配合,如果按这个公差加工出来的话,就是过盈配合,那是相当紧的.

评分

参与人数 1三维币 +3 收起 理由
userkypdy + 3 参与

查看全部评分

发表于 2007-8-5 12:46:21 | 显示全部楼层 来自: 中国浙江宁波
不一定啊,和两个材料的硬度有关系。

评分

参与人数 1三维币 +3 收起 理由
userkypdy + 3 参与

查看全部评分

发表于 2007-8-5 14:58:18 | 显示全部楼层 来自: 中国广东佛山
这个用推比较难说,它的最小间隙是0,最大间隙是0.057,如果孔取上差轴取下差它的间隙就有0.057,这样就可以用手推进去,但是实际上加工不可能这么走极端的,基本上都在中差左右,这样的话要轻敲。当然这也得考虑长度和粗糙度。。。。。。

评分

参与人数 1三维币 +4 收起 理由
userkypdy + 4 参与

查看全部评分

发表回复
您需要登录后才可以回帖 登录 | 注册

本版积分规则


Licensed Copyright © 2016-2020 http://www.3dportal.cn/ All Rights Reserved 京 ICP备13008828号

小黑屋|手机版|Archiver|三维网 ( 京ICP备2023026364号-1 )

快速回复 返回顶部 返回列表