QQ登录

只需一步,快速开始

登录 | 注册 | 找回密码

三维网

 找回密码
 注册

QQ登录

只需一步,快速开始

展开

通知     

查看: 1603|回复: 3
收起左侧

[讨论] 关于多路阀

[复制链接]
发表于 2007-8-2 19:25:51 | 显示全部楼层 |阅读模式 来自: 中国河南新乡

马上注册,结识高手,享用更多资源,轻松玩转三维网社区。

您需要 登录 才可以下载或查看,没有帐号?注册

x
谢谢大家帮忙看关于液压泵的问题,泵是俄罗斯的轮式挖掘机上用的,具体型号查不到,此两路分别连到了两个多路阀上,中间还有通路(应该是合流),但是有一路好像和回油管路相通,还是看我画的草图,1-8是换向阀,10,12是带可调溢流阀+ C* H( S' _! r/ h8 B) I6 K
9、11不知是何阀,接9上的两路是否相通,不知大家谁见过此9阀,有无检测的好方法,请帮忙,多谢!

" h  y9 f! N0 ^* M4 A3 e; D/ l- V9 Y$ ]; N- d- W
[ 本帖最后由 jingdongbo 于 2007-8-4 13:58 编辑 ]
多路阀2.jpg
photo001.jpg
发表于 2007-8-2 20:07:38 | 显示全部楼层 来自: 中国四川成都
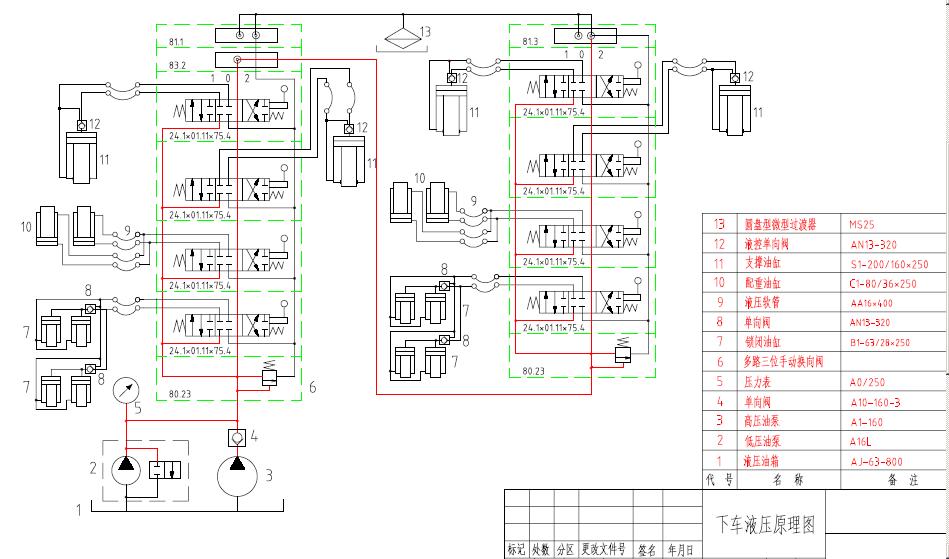
给你看一份前东德产的起重机下车液压原理,对你也许有所启发。
东德起重机下车液压原理.JPG
头像被屏蔽
发表于 2007-8-2 22:46:29 | 显示全部楼层 来自: 中国山西大同
提示: 作者被禁止或删除 内容自动屏蔽
 楼主| 发表于 2007-8-4 14:14:36 | 显示全部楼层 来自: 中国河南新乡
.2楼的原理图 和我的图十分相似,81.1和83.2应在一端,应对应9和回油箱的口,这很有启发,但有一点不同,到右阀的位置,从这一点看,又像是双泵合流
$ K( ]& B1 a6 m+ y3 _0 G
, c0 [# d" S6 \  ]5 w         十分感谢4 r! B( J. Y$ V8 X* Z

% B3 N: |7 C7 J% n! ~[ 本帖最后由 jingdongbo 于 2007-8-4 14:29 编辑 ]
发表回复
您需要登录后才可以回帖 登录 | 注册

本版积分规则


Licensed Copyright © 2016-2020 http://www.3dportal.cn/ All Rights Reserved 京 ICP备13008828号

小黑屋|手机版|Archiver|三维网 ( 京ICP备2023026364号-1 )

快速回复 返回顶部 返回列表