QQ登录

只需一步,快速开始

登录 | 注册 | 找回密码

三维网

 找回密码
 注册

QQ登录

只需一步,快速开始

展开

通知     

查看: 3618|回复: 6
收起左侧

[已解决] 这两张原理图该怎么看

[复制链接]
发表于 2007-8-1 09:17:14 | 显示全部楼层 |阅读模式 来自: 中国江苏常州

马上注册,结识高手,享用更多资源,轻松玩转三维网社区。

您需要 登录 才可以下载或查看,没有帐号?注册

x
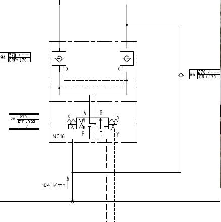
第一张图液压锁后面分别接有杆腔和无杆腔,图中的86单向阀起什么作用?2 ?& z  N: ~7 }6 E' \
第二张图那个Y口是什么口?是泻油口还是遥控口?是不是NG6电磁阀不通电减压阀不起作用?通电减压压力由NG6电磁阀上面的直动式溢流阀调节?
& G9 ~5 n" k! o9 y: y
) B$ e0 J! u$ m0 O5 x[ 本帖最后由 vinsenxgx 于 2007-8-2 16:31 编辑 ]
20070727.jpg
20070731.jpg
发表于 2007-8-1 09:42:00 | 显示全部楼层 来自: 中国江苏无锡
图1:换向阀右位得电,和单向阀86组合,形成差动.
$ y; y; ?, Q& d4 Z8 g) p4 l) c这个图你只要注意下换向阀的右位,P-A通的时候B-T是不通的.  [( i: A0 y0 W
有杆腔油通过单向阀,到换向阀P到A,到无杆腔,是个差动.
! A; B, T+ E, x! k. b并且肯定是左边油口接无杆腔,右边接有杆腔
$ Z. H2 r$ |/ C2 d; M5 |. F" _1 R8 P; K" \+ v! x
图2:Y口可以说是个卸油口,(一般情况直接接油箱)但在这里通过控制卸油口的压力
; O/ }0 ?# L! ~9 J9 H* M8 k- {& e来控制减压阀减压的压力.你看一下那个减压阀的内部结构就了解了.
 楼主| 发表于 2007-8-1 10:57:53 | 显示全部楼层 来自: 中国江苏常州
原帖由 xuping5114 于 2007-8-1 09:42 发表 http://www.3dportal.cn/discuz/images/common/back.gif+ ~: W* K" G; h) j
图1:换向阀右位得电,和单向阀86组合,形成差动.
) J) W0 f2 D1 |" z5 r这个图你只要注意下换向阀的右位,P-A通的时候B-T是不通的.
( J& E3 H) R- V) p8 y$ E- N有杆腔油通过单向阀,到换向阀P到A,到无杆腔,是个差动.- G7 y6 r9 N8 S) X0 F9 o
并且肯定是左边油口接无杆腔,右边接有杆腔& [8 Q5 I8 L( ]4 I0 x

6 r. o$ u  ~/ n+ d$ |3 L0 i$ P2 ^图2:Y口可以说是个卸油口,(一般情况直接接油箱)但在这里通过控制卸油口的压力
! O4 D+ h; K: l$ X& n来控制减压阀减压的压力.你看一下那个减压阀的内部结构就了解了.
1 v  d! ?0 B+ A0 S0 S/ U
那是不是NG6电磁阀不通电减压压力由主先导型减压阀调定,通电后由直动溢流阀调定,而且调定压力要大于主先导减压阀的调定压力?
( t+ [( D1 v* \: a& }3 V: i% F这种两级调压的我还是第一次见到,一般是利用K口(遥控口)来多级调压比较多!
( W% {8 K; g9 E$ c& t* ^下面那张图是先导减压阀的结构图,能否讲下他是如何用Y口进行调压的?' {- r4 i3 ~; s. G; B. ~

( F9 v2 D7 J$ {8 E/ |1 R. h  a[ 本帖最后由 vinsenxgx 于 2007-8-1 11:05 编辑 ]
先导减压阀.jpg
发表于 2007-8-1 12:48:36 | 显示全部楼层 来自: 中国江苏无锡
一般常规的是通过调节手柄,旋紧或者松开调节弹簧力来实现调节减压阀的压力的.% X0 m4 v! g: ~5 @5 R8 H8 t/ M' s& p
在这里当电磁阀不得电,就是上面的情况,只是由弹簧来调节.
) L, L0 @' H, N- h" @当得电后,是由弹簧和Y口压力共同来调节的,这里Y口也有个压力,再加上弹簧两个力共同控制的.8 O; }3 u, I6 I. F  A3 E2 V
这里相当于2个弹簧,一个是本身的,另一个是Y口提供的压力,调节Y口的压力,也就相当于调节另一个弹簧的力.
- K1 `( F, a$ o4 T这种用法在多级调压上用的也是比较多的.

评分

参与人数 1三维币 +8 收起 理由
江边 + 8 积极参与应助,谢谢您的积极参与

查看全部评分

发表于 2007-8-1 12:52:24 | 显示全部楼层 来自: 中国重庆
第一图中单向阀起到差动的作用;
5 Y# X* g9 L) T  i# j) F+ p第二图中y是遥控口,起到多集鸭梨调节的作用。
发表于 2007-8-2 12:01:17 | 显示全部楼层 来自: 中国上海
长见识了,吸收一下,差动回路还可以这样来保压啊!
5 R! R7 V' a0 q# C& R
8 A4 J% w# l% v/ g1 S[ 本帖最后由 jszjlhb 于 2007-8-2 12:04 编辑 ]
发表于 2007-8-4 20:11:49 | 显示全部楼层 来自: 中国江苏扬州
看来 大家都是行家呀!
发表回复
您需要登录后才可以回帖 登录 | 注册

本版积分规则


Licensed Copyright © 2016-2020 http://www.3dportal.cn/ All Rights Reserved 京 ICP备13008828号

小黑屋|手机版|Archiver|三维网 ( 京ICP备2023026364号-1 )

快速回复 返回顶部 返回列表