QQ登录

只需一步,快速开始

登录 | 注册 | 找回密码

三维网

 找回密码
 注册

QQ登录

只需一步,快速开始

展开

通知     

全站
9天前
查看: 1942|回复: 5
收起左侧

[已解决] 动压轴承座同心度的测量问题

[复制链接]
发表于 2007-7-26 10:39:47 | 显示全部楼层 |阅读模式 来自: 中国上海

马上注册,结识高手,享用更多资源,轻松玩转三维网社区。

您需要 登录 才可以下载或查看,没有帐号?注册

x
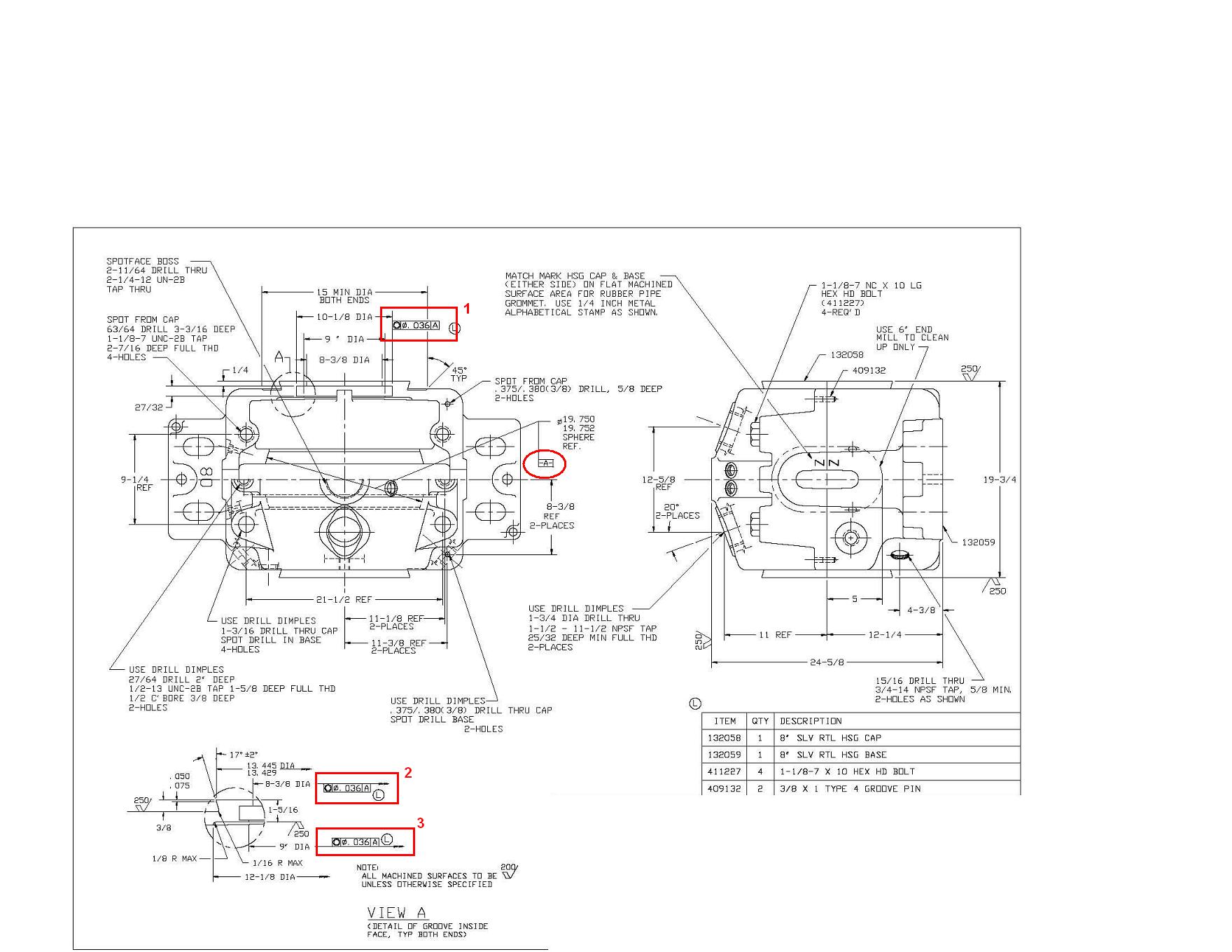
请大家查看图纸,零件是个动压轴承的下底座,中心是球孔面,基准A。现在要测量侧部的孔1.2.3对中心球面A的同心度,想请教大家这个该怎么理解这个同心度,谢谢了。7 F% g) _( J3 m3 z6 a0 K. m
4 J4 x( _  K9 S
测量是用的三坐标。
4 A% k: _4 L9 r" d% O+ u. H2 V
9 g$ K/ l" U$ o# @[ 本帖最后由 daviddzj 于 2007-7-27 13:38 编辑 ]
132393L1.jpg
发表于 2007-7-26 10:50:59 | 显示全部楼层 来自: 中国浙江宁波
我粗略看,理解为两垂直孔,像变速箱体, c. u. b8 U6 L" t
用光学测量仪,可以很好的检测出来,有条件得买最高档的那种,什么笔记本,激光,红外线全给装上.
发表于 2007-7-26 19:37:56 | 显示全部楼层 来自: 中国江苏常州
抛砖引玉:) f0 W6 b" O  {) h- T- Q' P
一号的这个老外的图纸实际上是个对称度,Y向的对于Z向的对称度,而且必须符合最小实体原则,你可以做一个夹具来间接的测其对称度等于同轴度.8 q" ]6 b& p+ W& M4 H( z* l$ }, L  j
---------------------------------------
2 q6 E7 |3 M/ b一家之盐
- E  w# M+ t1 U& t* V6 F; p( J/ ^4 p( ]
[ 本帖最后由 eastlakewater 于 2007-7-26 19:40 编辑 ]
 楼主| 发表于 2007-7-27 10:05:19 | 显示全部楼层 来自: 中国上海
想问下对球心的对称度,该怎么理解呢?
发表于 2007-7-27 10:47:46 | 显示全部楼层 来自: 中国湖北十堰
1一个公差的标注主要是有组件的功能要求定的,理解公差的标注要从设计者的设计意图及零件的功能出发.$ E; H# o% R9 z
2.用三坐标应该可以测量.三坐标应该可以找出球的球心及各孔的中心,向侧面投影求出同轴.
 楼主| 发表于 2007-7-27 10:58:12 | 显示全部楼层 来自: 中国上海
和我们工程师交流过,对图纸理解了,同心度是要求上下两侧的的圆孔的轴线对球心的同心度。
! @: e! d" n6 ~然后内部球面,由于加工面比较窄,三坐标测量时必须使用扫描测量方法,两侧各扫描三个截面。
发表回复
您需要登录后才可以回帖 登录 | 注册

本版积分规则


Licensed Copyright © 2016-2020 http://www.3dportal.cn/ All Rights Reserved 京 ICP备13008828号

小黑屋|手机版|Archiver|三维网 ( 京ICP备2023026364号-1 )

快速回复 返回顶部 返回列表