QQ登录

只需一步,快速开始

登录 | 注册 | 找回密码

三维网

 找回密码
 注册

QQ登录

只需一步,快速开始

展开

通知     

全站
10天前
查看: 5137|回复: 32
收起左侧

[已解决] 求助,这个图用SW怎么画,我搞了很久画不出来。。。[

[复制链接]
发表于 2007-7-20 22:49:36 | 显示全部楼层 |阅读模式 来自: 中国广东广州

马上注册,结识高手,享用更多资源,轻松玩转三维网社区。

您需要 登录 才可以下载或查看,没有帐号?注册

x
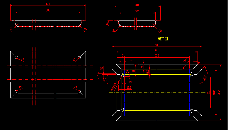
求助,这个图用SW怎么画,我搞了很久画不出来。。。 内箱底板.DRF.rar (71.94 KB, 下载次数: 19)
发表于 2007-7-21 08:10:27 | 显示全部楼层 来自: 中国
这是个板金件哦,楼主
发表于 2007-7-21 09:18:59 | 显示全部楼层 来自: 中国江苏常州
可以扫描出来,楼主试试看。
发表于 2007-7-21 09:52:12 | 显示全部楼层 来自: 中国浙江杭州
画出来可以,只是不能像钣金件般做展开的,不过可以借助SW的钣金插件
; E5 i* M1 |, EBLANKWORKS或3Dquickpress来展开做参考!
发表于 2007-7-21 11:43:53 | 显示全部楼层 来自: 中国台湾
這題不該有困難   :funk:
零件2.jpg
发表于 2007-7-21 11:45:28 | 显示全部楼层 来自: 中国台湾
就那嚜2個而已 :lol:
零件2.jpg
发表于 2007-7-21 11:55:30 | 显示全部楼层 来自: 中国浙江杭州

回复 #6 hidingman 的帖子

像你这样做的是不难,可难的是要做得像楼主发的图,四个角用R7过渡.
发表于 2007-7-21 12:23:19 | 显示全部楼层 来自: 中国台湾
原帖由 hahap 于 2007-7-21 11:55 发表 http://www.3dportal.cn/discuz/images/common/back.gif
7 P) o5 n/ B2 Y( a3 g) W像你这样做的是不难,可难的是要做得像楼主发的图,四个角用R7过渡.

4 M  O: A' R- t7 e* ^) E7 J# l' r) z5 q5 t. O. O
鈑金件交接部份 都是用焊接來修飾 產生圓角
发表于 2007-7-21 12:25:56 | 显示全部楼层 来自: 中国浙江杭州
这不是在讲工艺呀,楼主的意思是想做成图片效果的钣金件,后做展开来确定尺寸,可我觉得这样带R角的钣金件真做不出来!
发表于 2007-7-21 19:12:11 | 显示全部楼层 来自: 中国台湾
從鈑金展開相似程度來看 該是沒問題啊
 楼主| 发表于 2007-7-21 22:18:01 | 显示全部楼层 来自: 中国广东广州
四个角必须用R7过渡,并能展开如图!!!!!
3 _6 ^- C& c! S+ X% @! S) r此板金件为冰箱内胆,只能烧氩弧焊后打磨,并要通过美国NSF卫生认证,因为板厚为0.6MM,要尽量完美,减小烧焊及变形,保持外形美观,请高手下载一楼CAD文件看清楚,帮助?
+ K. U+ P: [7 N+ H6 I
1 s3 x( X' l  `; l7 u[ 本帖最后由 hyhshch 于 2007-7-21 22:32 编辑 ]
发表于 2007-7-21 22:45:50 | 显示全部楼层 来自: 中国江苏无锡

回复 #9 hahap 的帖子

你说得很对,关键是R7过渡是钣金无法做出来的,不过看楼主的说法,好象感觉上应该不光是钣金件,还有焊接件成份在里面吧!
发表于 2007-7-21 23:29:32 | 显示全部楼层 来自: 中国江苏苏州
这个应该拉伸得到的
! u. o6 E9 n$ y' r: g) h6 b7 T焊接应该很难得到
发表于 2007-7-21 23:33:13 | 显示全部楼层 来自: 中国上海
发个教程上来吧,非常感谢
发表于 2007-7-22 08:05:36 | 显示全部楼层 来自: 中国浙江杭州
我觉得拉伸更好吧,为什么要冲出缺口后折弯,焊接后再打磨呢?
' t. W  j7 d# s7 G. l4 c) z  g7 p高度只有14且R角也大,一次拉伸就好啦!个人看法.
 楼主| 发表于 2007-7-22 09:06:55 | 显示全部楼层 来自: 中国广东广州
拉伸是好啊,我们有八个型号,大大小 小,但你们考虑到模具费要多少钱吗?
发表于 2007-7-22 09:21:11 | 显示全部楼层 来自: 中国浙江宁波
真的要做到过渡顺滑
5 T9 C  g" S/ P: E只有用曲面做
( n( D1 v) z1 T5 P! z再加厚
 楼主| 发表于 2007-7-22 09:49:32 | 显示全部楼层 来自: 中国广东广州
用Vertex G4 软件很容易就可做出来,但用SW我搞不出来,不知是SW钣金方面不行,还是我们不懂得用!!!
发表于 2007-7-22 11:06:14 | 显示全部楼层 来自: 中国台湾
原帖由 hyhshch 于 2007-7-22 09:49 发表 http://www.3dportal.cn/discuz/images/common/back.gif
6 W" s: g; G, Q" D; p- `7 v用Vertex G4 软件很容易就可做出来,但用SW我搞不出来,不知是SW钣金方面不行,还是我们不懂得用!!!

+ B# g, E3 z3 ]& U( y& f' c6 _: ~, b/ t& ^/ d' H3 p- Q
既然那麼容易 那就用Vertex G4 3D實體 來看看吧  到底是何模樣- `2 i1 o4 X; l9 |7 E
用你的展開圖 折回去也是缺口  根本沒有圓角過渡
test.png
发表于 2007-7-22 11:45:04 | 显示全部楼层 来自: 中国广东汕头
很想学学怎么画出来的...
发表于 2007-7-22 11:48:00 | 显示全部楼层 来自: 中国上海
先放羊,后切除,然后边线延长,
发表于 2007-7-22 13:15:09 | 显示全部楼层 来自: 中国台湾
ending test ............閃
test.png
发表于 2007-7-22 13:37:20 | 显示全部楼层 来自: 美国
还使用proe做这个东西最容易,先用实体做出来然后转换成钣金。一下子搞定。
发表于 2007-7-22 22:11:27 | 显示全部楼层 来自: 中国四川成都

回复 #22 hidingman 的帖子

按楼主的展开图根本不可能折出四角R7的钣金件。
发表于 2007-7-22 23:23:50 | 显示全部楼层 来自: 中国台湾
原帖由 fxj-99 于 2007-7-22 22:11 发表 http://www.3dportal.cn/discuz/images/common/back.gif
% Y: X# V3 C$ o7 J按楼主的展开图根本不可能折出四角R7的钣金件。

  n( l0 F* k+ G
6 P' n/ T& @# B' A& h; U  U4 r$ O% C3 Q
1 B: y; N* X1 |' N' R# L就是 就是   :handshake
发表回复
您需要登录后才可以回帖 登录 | 注册

本版积分规则


Licensed Copyright © 2016-2020 http://www.3dportal.cn/ All Rights Reserved 京 ICP备13008828号

小黑屋|手机版|Archiver|三维网 ( 京ICP备2023026364号-1 )

快速回复 返回顶部 返回列表