QQ登录

只需一步,快速开始

登录 | 注册 | 找回密码

三维网

 找回密码
 注册

QQ登录

只需一步,快速开始

展开

通知     

全站
9天前
查看: 1802|回复: 4
收起左侧

[讨论] 液压装配图

[复制链接]
发表于 2007-6-19 16:10:05 | 显示全部楼层 |阅读模式 来自: 中国江苏盐城

马上注册,结识高手,享用更多资源,轻松玩转三维网社区。

您需要 登录 才可以下载或查看,没有帐号?注册

x
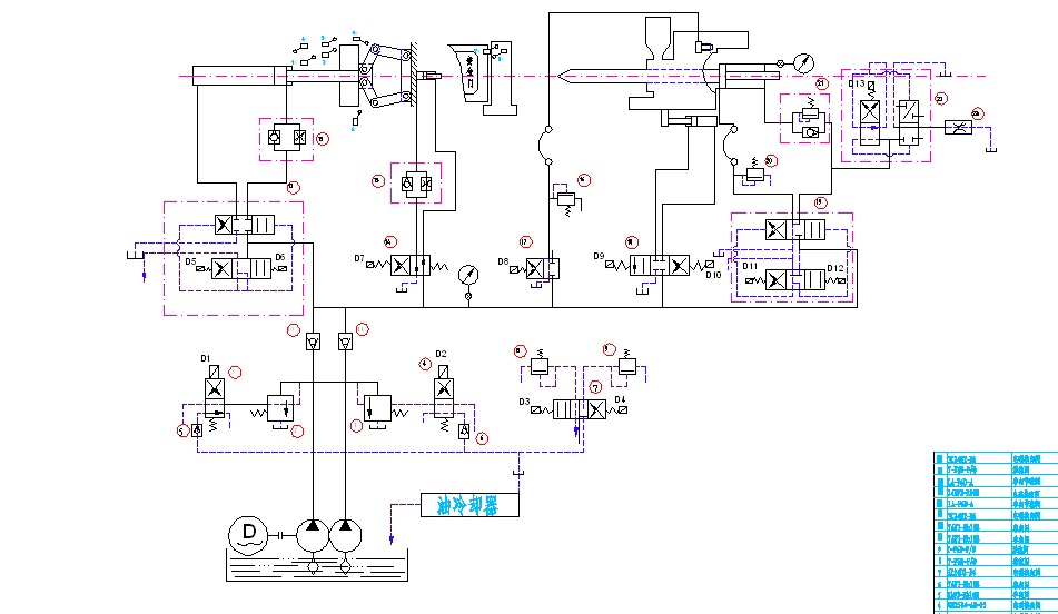
这原理图,要画装配结构图,怎么画?一天能画好吗?
液压原理图.jpg
发表于 2007-6-19 21:34:25 | 显示全部楼层 来自: 中国河南驻马店
刚看到论坛里有一个这样的图,你是学生吧。.
) W5 Z1 m2 @! C3 U在没有图库的情况下,一天很难做出来的,尤其是一些元件的外形,还有油箱的结构及管路的布局等等。1 S+ B5 s5 h9 K3 n* M6 |
建议你先到工厂看一看,增加一些实践知识,相信你会画得非常出色的。
发表于 2007-6-20 15:47:38 | 显示全部楼层 来自: 中国河北秦皇岛
看着好复杂啊
* ^4 l' d7 P. L比我的毕业设计难多了2 }8 O4 G) R$ @5 z6 s) D1 r" c, D
楼住强啊
发表于 2007-6-20 16:29:33 | 显示全部楼层 来自: 中国河北邢台
一天是不行的,你就是有相应的图库,你在各个阀的安排上,以及油路上还是要进行设计的吧
发表于 2007-6-20 22:39:45 | 显示全部楼层 来自: 中国山西临汾
一天根本不可能,一周时间还差不多,你首先得设计阀控部分,集成块如果选不了自己设计那就得用更长时间了,然后动力部分,再有液压站,还有管路,系统验算,一周挺不容易了
发表回复
您需要登录后才可以回帖 登录 | 注册

本版积分规则


Licensed Copyright © 2016-2020 http://www.3dportal.cn/ All Rights Reserved 京 ICP备13008828号

小黑屋|手机版|Archiver|三维网 ( 京ICP备2023026364号-1 )

快速回复 返回顶部 返回列表