QQ登录

只需一步,快速开始

登录 | 注册 | 找回密码

三维网

 找回密码
 注册

QQ登录

只需一步,快速开始

展开

通知     

查看: 3788|回复: 9
收起左侧

[分享] 快速夹紧机构的夹具图(已处理,无病毒)

 关闭 [复制链接]
发表于 2007-6-1 21:44:27 | 显示全部楼层 |阅读模式 来自: 中国上海

马上注册,结识高手,享用更多资源,轻松玩转三维网社区。

您需要 登录 才可以下载或查看,没有帐号?注册

x
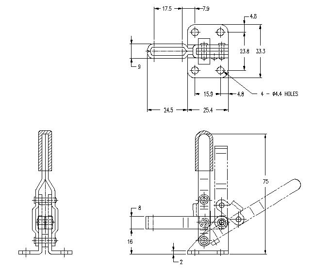
很有用的夹具图' E9 h$ |# h3 j% t( s5 b

1 K8 L9 _' ~* B) s[ 本帖最后由 zyj10282005 于 2007-6-4 21:29 编辑 ]
快速夹紧.JPG

goodhand.part1.rar

1.72 MB, 下载次数: 54

goodhand.part2.rar

1.72 MB, 下载次数: 40

goodhand.part3.rar

319.34 KB, 下载次数: 52

发表于 2007-6-2 09:34:54 | 显示全部楼层 来自: 中国湖北武汉
最好能贴上目录和简介。
发表于 2007-6-2 14:56:34 | 显示全部楼层 来自: 中国上海
不好意思兄弟,你上面传的文件好象有病毒,我下了下,还好我装了个金山,不然又中毒了
发表于 2007-6-3 22:08:50 | 显示全部楼层 来自: 中国河南焦作
goodhand.part1.rar (1.95 MB, 下载次数: 21)

goodhand.part2.rar

1.8 MB, 下载次数: 31

发表于 2007-6-3 23:43:01 | 显示全部楼层 来自: 中国陕西西安
能不能多介绍一下,什么夹具图.应用场合
发表于 2007-6-4 12:42:05 | 显示全部楼层 来自: 中国江苏南通
求摇臂轴座(195号柴油机)工序卡片    及夹具图
发表于 2007-6-4 12:53:17 | 显示全部楼层 来自: 中国浙江杭州
夹具上面的夹紧装置,用手推或者压就可以夹紧工件,有不同的规格,
 楼主| 发表于 2007-6-4 21:20:54 | 显示全部楼层 来自: 中国上海
我用卡巴没查出来啊。
发表于 2007-6-5 08:01:46 | 显示全部楼层 来自: 中国湖北十堰

回复 #8 jihua8028 的帖子

不是说过了么?plc老大已经都杀过毒了么
发表于 2007-6-5 08:08:16 | 显示全部楼层 来自: 中国湖北十堰
这个以前论坛上不是有吗?而且也没有发现病毒啊!
发表回复
您需要登录后才可以回帖 登录 | 注册

本版积分规则


Licensed Copyright © 2016-2020 http://www.3dportal.cn/ All Rights Reserved 京 ICP备13008828号

小黑屋|手机版|Archiver|三维网 ( 京ICP备2023026364号-1 )

快速回复 返回顶部 返回列表