QQ登录

只需一步,快速开始

登录 | 注册 | 找回密码

三维网

 找回密码
 注册

QQ登录

只需一步,快速开始

展开

通知     

全站
11天前
查看: 1737|回复: 17
收起左侧

[已解决] 又有新问题啦.

[复制链接]
发表于 2007-4-23 18:26:28 | 显示全部楼层 |阅读模式 来自: 中国广东中山

马上注册,结识高手,享用更多资源,轻松玩转三维网社区。

您需要 登录 才可以下载或查看,没有帐号?注册

x
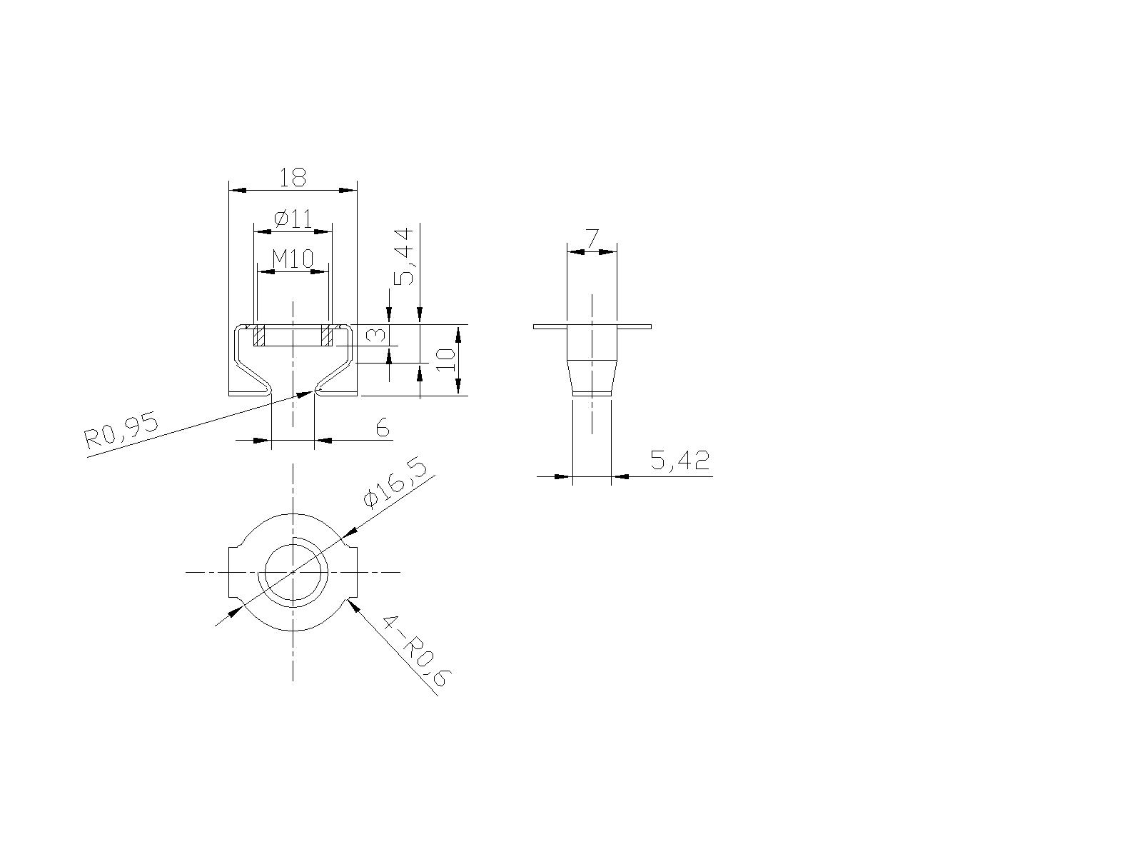
客气的话,我就不多说了,希望各位帮助啦.(最好是提供模型)
小五金.jpg

小五金.rar

101.92 KB, 下载次数: 15

CAD

发表于 2007-4-23 19:14:54 | 显示全部楼层 来自: 中国广东中山
楼主太依赖别了吧,这么简单的钣金 下次我不会做了!
: f; p4 s! ]0 T- V5 r
: m7 }, p; [( P- A要来就来点难度的!
& Y6 a4 ?8 g3 s2 n0 Y
$ R. G8 o$ d8 p; Y' y[ 本帖最后由 hahap 于 2007-4-24 08:31 编辑 ]
1.JPG

1.rar

40.28 KB, 下载次数: 11

评分

参与人数 1三维币 +3 收起 理由
艾飞 + 3 不厌其烦

查看全部评分

发表于 2007-4-23 19:42:35 | 显示全部楼层 来自: 美国
这个图好像有很严重的错误。如果假设左上角的主视图是正确的话,那么右上角的右视图(或者左视图)以及下部的俯视图都有严重的错误,很多线条都漏掉了没画出来。
发表于 2007-4-23 19:54:19 | 显示全部楼层 来自: 美国
注意到两个问题,请来探讨一下。谢谢。如果原图真的有错误,我不做了,免得误导对图的正确理解。
confusion.JPG

评分

参与人数 1三维币 +3 收起 理由
艾飞 + 3 指点的是

查看全部评分

发表于 2007-4-24 01:44:06 | 显示全部楼层 来自: 美国
谢谢“艾飞”版筑加分!我发现很多人工程制图都很不规范,很误导人。这样的图怎么能够用于生产制造呢?!
发表于 2007-4-24 09:28:32 | 显示全部楼层 来自: 中国浙江杭州

回复 #2 hahap 的帖子

我怎么做不成功呀?
未命名.JPG
 楼主| 发表于 2007-4-24 12:24:38 | 显示全部楼层 来自: 中国广东中山

回复 #4 帝国工程师 的帖子

谢谢你的指出,图纸有问题.
 楼主| 发表于 2007-4-24 12:37:30 | 显示全部楼层 来自: 中国广东中山

回复 #2 hahap 的帖子

我知道你厉害,下次遇到难题可得帮忙.
发表于 2007-4-24 14:10:20 | 显示全部楼层 来自: 中国广东中山

回复 #6 wsy0805 的帖子

把正交切除的勾去掉!
发表于 2007-4-24 15:06:06 | 显示全部楼层 来自: 中国浙江杭州
楼上的高手,再请问一下,那么那个螺纹是怎么做出来的,好像用边线法兰不行吧
发表于 2007-4-25 07:35:21 | 显示全部楼层 来自: 中国广东中山

回复 #10 wsy0805 的帖子

偶不是高手,你的问题,在论坛里我至少回答过三次了,自己搜下论坛吧!
发表于 2007-4-25 10:36:48 | 显示全部楼层 来自: 中国浙江杭州
我找不到呀,能不能说说在那儿呀,我找了一早上了.
发表于 2007-4-25 11:12:31 | 显示全部楼层 来自: 中国广东中山
给个图你看应该明白过来了吧,自己试下@
1.JPG
发表于 2007-4-25 11:27:26 | 显示全部楼层 来自: 中国北京
我记得有种这样的螺母,是固定在方孔中的!安装很方便!
发表于 2007-4-25 13:21:43 | 显示全部楼层 来自: 中国浙江杭州
哦,原来是用装饰螺纹线呀.不过,就是这个沉下去的地方用边线法兰我还是做不上去,是因为我用06没有圆上做边线法兰的缘故吗?
发表于 2007-4-26 17:19:14 | 显示全部楼层 来自: 中国北京
不对,应该用成形工具
发表于 2007-4-27 00:17:41 | 显示全部楼层 来自: 中国北京
谢谢, w( @9 e% n5 R4 z6 A, n
我知道了
发表于 2007-4-27 22:31:01 | 显示全部楼层 来自: 中国广东佛山
我总感觉钣金、扫描还有放样,难度大。。。郁闷,
发表回复
您需要登录后才可以回帖 登录 | 注册

本版积分规则


Licensed Copyright © 2016-2020 http://www.3dportal.cn/ All Rights Reserved 京 ICP备13008828号

小黑屋|手机版|Archiver|三维网 ( 京ICP备2023026364号-1 )

快速回复 返回顶部 返回列表