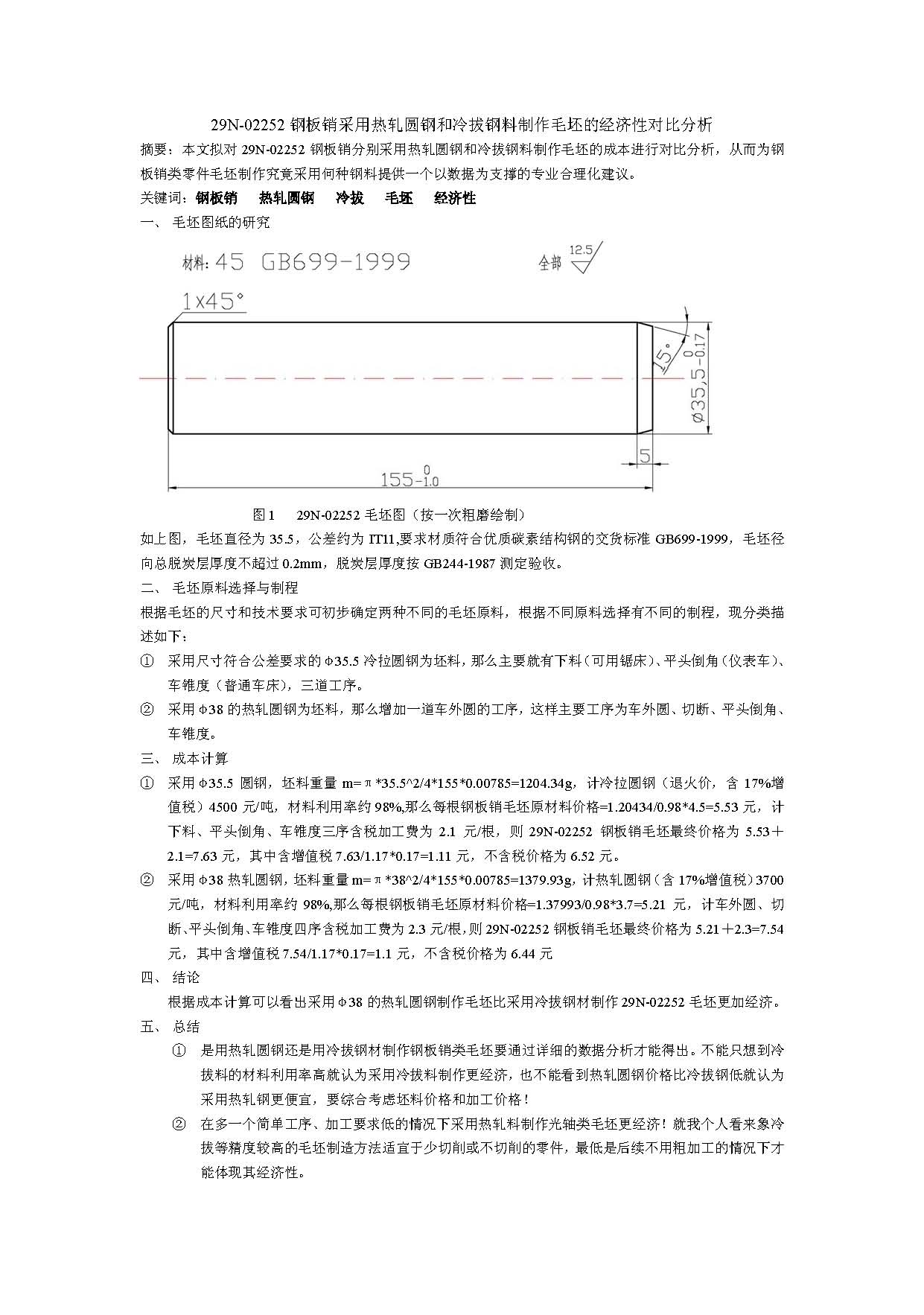
|
|
发表于 2007-5-9 14:56:24
|
显示全部楼层
来自: 中国上海
有几点疑问:5 L, E# E6 E3 k7 S' h, F
1.有φ35.5规格的冷拉圆钢吗?查GB/T905-1994《冷拉圆钢、方钢、六角钢尺寸、外形、重量及允许偏差》,是没有这个规格的。; i1 A4 J4 `& r7 a
2.怎么得出98%的材料利用率的?" T s0 F, }9 g3 P
3.冷拉圆钢有弯曲度,中等精度的为2mm/m,折合到155mm,大约0.3mm,不一定每个销子都会弯曲,但肯定是有弯的,符合要求吗?' e9 N6 A* c1 H" P; \% W$ i
1 |: W# l! l9 {" P, X
/ y2 C) e+ D8 D! G【楼主对我的疑问的回答好像是和我吵架一样。】
- b, p v1 l" K: b: \
. }/ ~) G( h" S1 F3 R6 B, j0 j6 u[ 本帖最后由 lhf999 于 2007-5-10 11:57 编辑 ] |
|