QQ登录

只需一步,快速开始

登录 | 注册 | 找回密码

三维网

 找回密码
 注册

QQ登录

只需一步,快速开始

展开

通知     

查看: 1936|回复: 8
收起左侧

[已解决] 各位过来做这个吧

[复制链接]
发表于 2007-4-22 16:45:55 | 显示全部楼层 |阅读模式 来自: 中国广东中山

马上注册,结识高手,享用更多资源,轻松玩转三维网社区。

您需要 登录 才可以下载或查看,没有帐号?注册

x
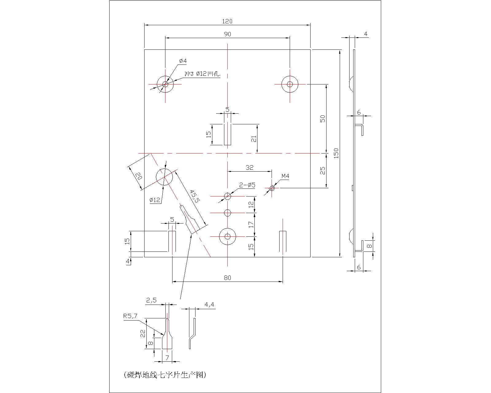
各位帮忙做啦,图片不清晰的话,附带CAD图.谢谢大家.

五金制做

五金制做

五金.rar

51.62 KB, 下载次数: 8

cad

发表于 2007-4-22 16:51:07 | 显示全部楼层 来自: 中国广东中山
晚上回去了试下,现快下班了,NO TIME
发表于 2007-4-22 18:29:42 | 显示全部楼层 来自: 美国
这张图好像有很严重的制图错误。很多地方都标准的不对,如果不是由于什么特殊行业的要求的话。
发表于 2007-4-23 09:00:04 | 显示全部楼层 来自: 中国广东中山
心动不如行动啊,动手练习一个!
1.JPG

评分

参与人数 1三维币 +3 收起 理由
艾飞 + 3 的确非常热心。。。

查看全部评分

 楼主| 发表于 2007-4-23 10:39:09 | 显示全部楼层 来自: 中国广东中山

回复 #4 hahap 的帖子

能不能提供模型
发表于 2007-4-23 13:27:12 | 显示全部楼层 来自: 中国广东中山

回复 #5 lai236994 的帖子

这是用SW2007做的文件,

五金.rar

68.98 KB, 下载次数: 20

 楼主| 发表于 2007-4-23 14:08:01 | 显示全部楼层 来自: 中国广东中山

回复 #7 hahap 的帖子

非常感谢,以后我什么不会做的都发上来,
发表于 2007-4-23 20:15:40 | 显示全部楼层 来自: 中国台湾
原帖由 hahap 于 2007-4-23 09:00 发表 http://www.3dportal.cn/discuz/images/common/back.gif+ j# [9 j! K2 @' [3 g4 G% {. [: [) b
心动不如行动啊,动手练习一个!
. l& p8 S* @2 @) N( x8 ?1 w

+ f- M. _1 s  E3 r) U1 N( I都難不倒 hahap ~~~高人
发表于 2007-4-23 20:23:26 | 显示全部楼层 来自: 中国广东江门
呵呵  这里的高手还是蛮多的哦
发表回复
您需要登录后才可以回帖 登录 | 注册

本版积分规则


Licensed Copyright © 2016-2020 http://www.3dportal.cn/ All Rights Reserved 京 ICP备13008828号

小黑屋|手机版|Archiver|三维网 ( 京ICP备2023026364号-1 )

快速回复 返回顶部 返回列表