QQ登录

只需一步,快速开始

登录 | 注册 | 找回密码

三维网

 找回密码
 注册

QQ登录

只需一步,快速开始

展开

通知     

查看: 2318|回复: 5
收起左侧

[已解决] 请教低压优先的梭阀原理

[复制链接]
发表于 2007-4-20 12:29:02 | 显示全部楼层 |阅读模式 来自: 中国江苏无锡

马上注册,结识高手,享用更多资源,轻松玩转三维网社区。

您需要 登录 才可以下载或查看,没有帐号?注册

x
我们在一般的系统中碰到的大部分是高压优先的梭阀,请高手指导一下低压优先的梭阀的原理,本人对其知道的一知半解想详细的了解以下,此阀一般用在马达的闭式回路中
发表于 2007-4-20 21:53:55 | 显示全部楼层 来自: 中国北京
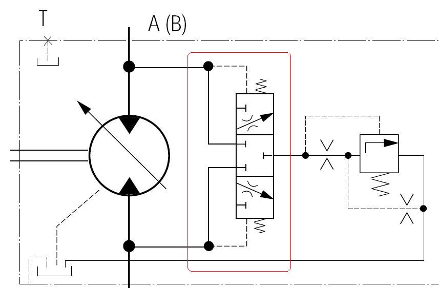
给楼主上传一张REXROTH的资料.
, m# s3 h2 J: C红框中的阀就是你所说的低压优先阀.
未命名.JPG
发表于 2009-4-22 15:18:43 | 显示全部楼层 来自: 中国湖南常德
楼上可以解释一下为什么是低压优先阀吗?
发表于 2009-4-22 23:13:26 | 显示全部楼层 来自: 中国广西梧州
此阀又叫冲洗阀,该阀始终保证低压侧和油箱连通,使低压侧的一部分热油置换出来,但上图少了一个补油泵,具体可参看力工乐的A4VG泵的原理图.
发表于 2009-4-22 23:48:06 | 显示全部楼层 来自: 中国贵州贵阳
这是马达的原理图,补油泵一般在泵上
发表于 2009-4-23 10:29:07 | 显示全部楼层 来自: 中国上海
:good
发表回复
您需要登录后才可以回帖 登录 | 注册

本版积分规则


Licensed Copyright © 2016-2020 http://www.3dportal.cn/ All Rights Reserved 京 ICP备13008828号

小黑屋|手机版|Archiver|三维网 ( 京ICP备2023026364号-1 )

快速回复 返回顶部 返回列表