QQ登录

只需一步,快速开始

登录 | 注册 | 找回密码

三维网

 找回密码
 注册

QQ登录

只需一步,快速开始

展开

通知     

全站
10天前
查看: 5886|回复: 42
收起左侧

[已解决] 放大30倍后不能看见毛刺的零件如何去毛刺

 关闭 [复制链接]
发表于 2007-3-14 09:31:24 | 显示全部楼层 |阅读模式 来自: 中国四川成都

马上注册,结识高手,享用更多资源,轻松玩转三维网社区。

您需要 登录 才可以下载或查看,没有帐号?注册

x
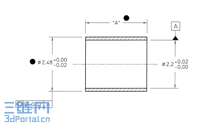
这个零件是医疗器械上的,要进入人体内部,顾对化学成份有要求。9 |0 |, x+ j8 f0 _% ?* Q
材料: 303   ,304
* o  X) g# s! }; M% F! I技术要求:放大30倍后不能看见毛刺。; v$ q$ H/ Q$ _4 n
请问这个毛刺如何去除呢。7 j8 ]/ g2 Z1 N# x3 Z3 {
我得到的信息有,用化学的方法,还有就是用振动的方法。
5 {9 _4 r3 k1 D但是用化学的方法,又但心表面会残留其它成份在上面。如用机械振动,又担心这个零件太薄受不了。
6 h# H+ J3 G( c- ]& n3 W+ E; Y) b. R0 q2 ]$ O
而且,这个零件的加工也是头痛的事,我上周已在论坛里面发过贴了,但没有得到具体的解决方案。顾这次再向高人些求助一次。
2 m6 j6 E0 z  d. s+ u/ G4 x
0 ^. }+ b% C2 N' P! J" D图纸见附件,
5 W" @$ E! O7 c) F% b! a' [8 M- D单位:mm* T" k$ `2 T- W" W8 J0 s' y5 t+ C
9 D% t- {- n: z3 \* x3 t
长度:2。67mm$ z+ ~4 Z+ Y9 c3 I! s

! X. ?: R/ z2 p- y6 h* E6 A/ n1 U8 l0 O[ 本帖最后由 userkypdy 于 2007-4-26 13:15 编辑 ]
t-003.jpg

技术要求

技术要求
发表于 2007-3-14 09:42:31 | 显示全部楼层 来自: 中国北京
观望中,期待楼主有答案
发表于 2007-3-14 09:52:15 | 显示全部楼层 来自: 中国山西长治
30倍放大.0 i, e: H, f& [' W. J4 |/ D
去找钳工师傅研磨一下.不知行不行..呵呵.试试吧!!
) g3 F" l% w- W& T8 f% R研磨小点.然后再镀层!
2 r8 x8 P7 X) r) \9 X8 ^0 ~9 X医疗器械一般都有镀层吧!!(猜的)" n' m5 V) }0 U$ k
乱开医嘱!!

评分

参与人数 1三维币 +3 收起 理由
userkypdy + 3 应助

查看全部评分

发表于 2007-3-14 10:09:40 | 显示全部楼层 来自: 中国重庆
一般的加工大概是做不出来的,也许使用工程塑料注塑效果会好些。/ {0 c# C, N3 n& }# r4 o
高难度的东西,我也只能尽管乱说。
发表于 2007-3-14 11:18:43 | 显示全部楼层 来自: 中国上海
论坛里有一本《去毛刺技术手册》,可能你用得着。
6 o) P7 f* D2 p2 |. u& s/ |6 @http://www.3dportal.cn/discuz/vi ... C%CA%F5%CA%D6%B2%E1
8 b4 N, ^7 D7 D7 S
& j5 e7 j% C/ f4 O( j% t, N又:
5 K) v6 a# F; C  `0 Y5 F; a2楼的说:“请不要用商业代号,不锈钢的牌号要给出化学成份牌号”  _5 w! N( O" K$ |1 e
搞机械的如果不知道不锈钢303,304是什么东西,那问题严重了,GB/T1220-1992的附录B是不锈钢牌号对照,你最好去看看。

评分

参与人数 1三维币 +3 收起 理由
userkypdy + 3 应助

查看全部评分

发表于 2007-3-14 11:29:13 | 显示全部楼层 来自: 中国陕西西安
就是啊!
0 t( A8 U6 ?1 J1 \学机械的不知道不锈钢牌号,是该去学学了!
( y& J6 O8 C$ C9 q% Z9 ^7 I上面有人说去找钳工师傅磨!那是磨不出来他的要求的!
0 l. |' c( @0 x) i6 F一般的机械加工方法是做不出来他  的要求  的!
 楼主| 发表于 2007-3-14 14:04:47 | 显示全部楼层 来自: 中国四川成都
感谢6楼的朋友,提供,去毛刺手册,; x4 A4 j' M$ s. |; t5 ]! @+ K
俺知道,303,304 ,& J/ G, z2 X  o; i( E
关键是,如何加工和去毛刺。
发表于 2007-3-14 18:59:16 | 显示全部楼层 来自: 中国上海
这东西是公制的?单面厚才0.1几?和头发丝差不多的……% A" P$ V+ K; D8 k
9 n9 V5 N+ y. b' b7 y$ p8 ]
这东西几乎一碰就变形的,不要说用钳工了,就是钳工的爸爸来了,也难办,除非你让那钳工一天光干那么一件两件……
; x2 w$ `# ]$ N* B2 G; o. _1 c. x) f1 l1 H0 l
抛砖引玉,小弟提个不太那么恰当的建议,建议可制造类似机床顶针样的电脉冲模型,对该产品的内孔进行加工,使其去除毛刺,而外圆上的,我想也该能用同样方式进行加工,但这对产品中心点的掌控需要非常注意……

评分

参与人数 1三维币 +5 收起 理由
userkypdy + 5 应助

查看全部评分

发表于 2007-3-14 21:27:24 | 显示全部楼层 来自: 中国北京
用滚筒研磨机,磨粒+水+零件,我原来公司有这种设备日本的,主要用于去除冲压件毛刺,磨粒是树脂的含研磨剂,有各种形状(球形,锥形,三角,柱形)及尺寸,用于不同的产品。

评分

参与人数 1三维币 +2 收起 理由
userkypdy + 2 应助

查看全部评分

发表于 2007-3-14 21:46:07 | 显示全部楼层 来自: 中国安徽合肥
原帖由 goudong203 于 2007-3-14 11:29 发表
% L. x4 C0 r, P+ K( M就是啊!
! K/ I, f( u# f) V! r( r, s( k6 D学机械的不知道不锈钢牌号,是该去学学了!9 K" Z6 y( V  D8 W& f

: p) \0 ~+ r) \0 |  R' H2 l1 z: |3 G
机械的范围太广,很多工程师可能一辈子都不会用到不锈钢,不知道又怕什么?
发表于 2007-3-14 23:06:22 | 显示全部楼层 来自: 中国四川成都
原帖由 tianyang 于 2007-3-14 21:46 发表& d) c2 b5 v# S
) c% x- f; Q4 T2 T' k, \
  D9 V6 b5 E" L: `/ ]/ K
机械的范围太广,很多工程师可能一辈子都不会用到不锈钢,不知道又怕什么?
: ^6 P4 R' {; [# {  Y
学术有专攻啊。。机械其实也是分得很细的,门类很多。
发表于 2007-3-15 13:46:36 | 显示全部楼层 来自: 中国广东广州
这么溥的产品,不用特殊处理是不行的,滚磨啊,掀动啊,我看不行
发表于 2007-3-15 16:55:52 | 显示全部楼层 来自: 中国山东青岛

放大30倍后不能看见毛刺的零件如何去毛刺

用冷拔的工艺试试看.冷拔可得到较好的内.外表面.且工效高,冷拔至要求尺寸后,再加工长度,这样只处理端面毛刺就可以啦.

评分

参与人数 1三维币 +2 收起 理由
userkypdy + 2 提得好

查看全部评分

发表于 2007-3-15 17:05:38 | 显示全部楼层 来自: 中国安徽淮北
303、304是奥氏体不锈钢代号,搞化工机械的常用。你所说的东西去毛刺难度太大,也不利批量生产,应该在加工方法上想办法,最好一次成型,具体什么方法,我向大家请教。

评分

参与人数 1三维币 +2 收起 理由
userkypdy + 2 应助

查看全部评分

发表于 2007-3-15 23:26:12 | 显示全部楼层 来自: 中国广东江门
如果是我来做这产品的磨光那就用滚筒研磨机,当然要分几个工序用不同研磨剂研磨.这种机有国产的,我们就是用国产机.

评分

参与人数 1三维币 +2 收起 理由
userkypdy + 2 应助

查看全部评分

发表于 2007-3-16 09:53:17 | 显示全部楼层 来自: LAN
我们有类似问题, 用热能去毛刺方法. 将工件放入密闭容器, 充入氢气和氧气, 放电引爆. 所有的微小毛刺就都没有了. 有专用设备.

评分

参与人数 1三维币 +3 收起 理由
userkypdy + 3 应助

查看全部评分

发表于 2007-3-16 11:21:20 | 显示全部楼层 来自: 中国辽宁沈阳
需要电解抛光,达到EP级.形成镜面.上海有这方面的工厂.- W4 F5 K* @* q! z" v, H- j
属于超高纯技术方面

评分

参与人数 1三维币 +3 收起 理由
userkypdy + 3 应助

查看全部评分

发表于 2007-3-16 19:51:29 | 显示全部楼层 来自: 中国山东济南
楼上说得有点道理 我觉得应该是抛光 否则什么加工都不可能达到这种要求
发表于 2007-3-17 08:29:02 | 显示全部楼层 来自: 中国河南许昌
303:  Y1Cr18Ni90 K: W, V( V( K& n& V# K
304:  0Cr18Ni9

评分

参与人数 1三维币 +1 收起 理由
userkypdy + 1 应助

查看全部评分

发表于 2007-3-17 09:29:29 | 显示全部楼层 来自: 中国广东珠海
将内外壁留余量后用磨粒流动加工

评分

参与人数 1三维币 +2 收起 理由
userkypdy + 2 应助

查看全部评分

发表于 2007-3-17 12:51:18 | 显示全部楼层 来自: 中国浙江嘉兴
用化学作用和研磨机,可以达到表面处理的效果,但很难控制你的工件的公差,只有机械研磨的方法可以控制端面、内径、外径表面的公差。如果你有了更好的方法请和大家一起分享。谢谢

评分

参与人数 1三维币 +2 收起 理由
userkypdy + 2 应助

查看全部评分

头像被屏蔽
发表于 2007-3-19 20:45:49 | 显示全部楼层 来自: 中国江苏无锡
提示: 作者被禁止或删除 内容自动屏蔽
发表于 2007-3-20 17:00:56 | 显示全部楼层 来自: 日本
我觉得只要经过机加工,就免不了有毛刺,只有尽量控制毛刺大小。. l+ ~' i; r7 q7 T7 v
至于去毛刺的办法,我觉得用超声波清洗效果一定不错,且不会损害零件。当然其他的方法也可以,比如电解,滚筒的话有点危险,孔内毛刺不容易去除,时间长了还可能变形。

评分

参与人数 1三维币 +3 收起 理由
userkypdy + 3 应助

查看全部评分

发表于 2007-3-20 17:32:59 | 显示全部楼层 来自: 中国天津
研磨倒是能把毛刺去了,但是能保证那么高的精度吗?0.02啊。哪个师傅有这手艺啊。试试用吹扫的方法啊。或者直接咨询一下国家中科院那帮搞精密仪器的,他们那仪器也不能有毛刺的。

评分

参与人数 1三维币 +3 收起 理由
userkypdy + 3 应助

查看全部评分

头像被屏蔽
发表于 2007-3-20 18:34:41 | 显示全部楼层 来自: 中国上海
提示: 作者被禁止或删除 内容自动屏蔽
发表回复
您需要登录后才可以回帖 登录 | 注册

本版积分规则


Licensed Copyright © 2016-2020 http://www.3dportal.cn/ All Rights Reserved 京 ICP备13008828号

小黑屋|手机版|Archiver|三维网 ( 京ICP备2023026364号-1 )

快速回复 返回顶部 返回列表