QQ登录

只需一步,快速开始

登录 | 注册 | 找回密码

三维网

 找回密码
 注册

QQ登录

只需一步,快速开始

展开

通知     

全站
7天前
查看: 5661|回复: 35
收起左侧

[已解决] 请问这几个薄壁零件用什么方法加工。[每周一题07.10]

 关闭 [复制链接]
发表于 2007-3-6 17:47:37 | 显示全部楼层 |阅读模式 来自: 中国四川成都

马上注册,结识高手,享用更多资源,轻松玩转三维网社区。

您需要 登录 才可以下载或查看,没有帐号?注册

x
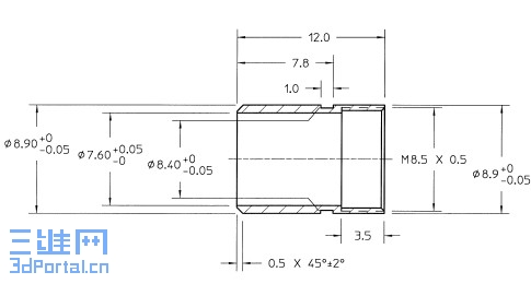
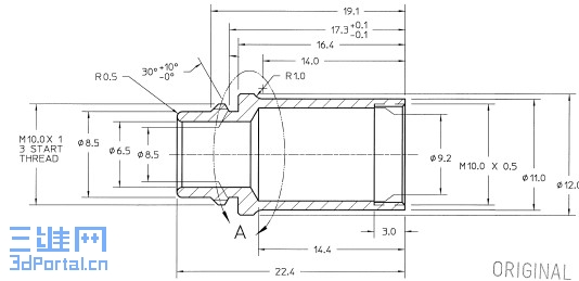
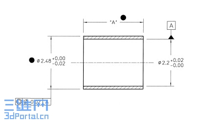
我有几个薄壁零件要加工,但找不到厂家加工。现列举一个零件的数据8 ?4 j' k3 `9 P& d8 e  z
外径:Φ2.48 公差0/-0.02, 内径:Φ2.2 公差+0.02/0,长度6 。同轴度0.02 7 a. u4 Y+ J) i: x* |
% B( Y0 p9 _' u! ?2 d
所有图纸单位:mm1 s3 x" _# ~7 o( k5 k- n1 z
望高人些提供加工工艺,如有人接触过这类零件,望多给点意见.$ v+ g" H( E/ r+ n2 W

' j# c4 K% L5 T4 x7 Q8 k如果有人能提供加工厂长就更好了哈。
! T7 a" u' G! i, l8 l% `3 g5 V* E% X- j' }
具体要求见附见。3 Z0 [: ^. y( K0 b+ x+ N& k
每周一题
) m, Y$ E) L' W2 L) L  j$ F说明:鼓励会员积极参与应助及技术讨论,加大奖励力度,尤其对有效应助及专业技术讨论多奖。5 i6 ~* ~2 R3 R
目的:营造热烈而又专业的技术讨论交流气氛,快速提高大家技术水平。
5 U( c* K! ^$ L5 q方法:参与的会员都有奖励,但是不要灌水,或者回复无意义无关主题的内容,这类帖子一律删除。# }- E2 l" u* r' W3 p; E! w) m7 S* w
奖励:按照情况+3--+20。
  f% ?3 N+ ~& f9 A6 T3 }2 D2 A时间:2007年第10周
" Y! s6 c4 o) z% D今后每周都会有新题目,不过要借会员提出的问题或者讨论题目* z/ r& g7 h# T0 U. t9 M
欢迎积极提出好的论题,同样有奖励。
  V& s5 _/ M- K! o! S
                                                                                        -------------------------------by sxw68
0 A, A  F3 v3 f2 L2 O
! {0 H( ]4 v5 U; b2 W) n" ?' C* v8 U[ 本帖最后由 sxw68 于 2007-3-8 12:38 编辑 ]
t-001.jpg
t-002.jpg
t-003.jpg

评分

参与人数 1三维币 +3 收起 理由
sxw68 + 3 好题目

查看全部评分

发表于 2007-3-6 19:50:42 | 显示全部楼层 来自: 中国江苏苏州
这些零件使用精密仪表车床可以加工,小型数控车床也可以加工;都保证这样的精度
发表于 2007-3-6 21:09:52 | 显示全部楼层 来自: 中国江苏徐州
这么薄的壁厚,就算加工出来也是一碰就变形呀
发表于 2007-3-6 21:22:02 | 显示全部楼层 来自: 中国上海
数控车床加工,加工薄壁时,在加工薄壁内孔和螺纹时,可用软爪夹持在直径11的部位,这样既可以减少或者防止变形,还能有效提高薄壁处的可加工性。1 }. h) u! ], R! s% E, @2 R

6 ?8 Y: Q- i, K& e: n不足之处,大家表一下拍死……闪!

评分

参与人数 1三维币 +3 收起 理由
sxw68 + 3 应助

查看全部评分

发表于 2007-3-6 21:23:12 | 显示全部楼层 来自: 中国上海
没螺纹的那个,直接用小型仪表车床就成,价廉物美!2 J3 @9 _7 q2 M1 L

) f  V4 K6 |% v/ N$ i. L- Y
* |, J$ w. _7 k: P' P, N: N 呃!看错了,最下面那个是公制还是英寸?公制的话那就算我没说!0 }; N7 i8 g* Z0 ?2 n
" k* z# d. h! q. r7 Y  w! p( p# }
[ 本帖最后由 walworth 于 2007-3-6 21:25 编辑 ]
发表于 2007-3-6 21:33:34 | 显示全部楼层 来自: 泰国
第三副图的工件,用慢走丝不知可不可行。
发表于 2007-3-6 21:38:40 | 显示全部楼层 来自: 泰国
前两图的工件要加开口工艺套夹持,也许能保持不变形。

评分

参与人数 1三维币 +3 收起 理由
sxw68 + 3 应助

查看全部评分

发表于 2007-3-7 00:49:25 | 显示全部楼层 来自: 中国广东珠海
简易过定位夹具!!!!
发表于 2007-3-7 07:44:47 | 显示全部楼层 来自: 中国江苏常州
加工好内孔(控制公差)后,用一工装:轴
发表于 2007-3-7 09:07:08 | 显示全部楼层 来自: 中国江苏苏州
加工此类零件的厂家在浙江的余姚和玉环比较多,实力也较强。
发表于 2007-3-7 09:56:10 | 显示全部楼层 来自: 中国浙江杭州
几个东西是没有人做,我看用车与线切割,安排好工艺先后可以加工,只有自己加工最可靠
 楼主| 发表于 2007-3-7 11:58:55 | 显示全部楼层 来自: 中国四川成都
单位全是mm哈,) {5 n. N' u, R  }
1 c: S& [4 U( i- g) P
我要的答复是,用某种工艺肯定能加工,而不是有可能这样加工可行之类的话,、5 u; [5 X  {; U; A5 u( u
这里面有没有人搞过这种工艺,或都接触过这类型的零件,4 D7 @& P: C$ U+ b
6 K9 y. K  }$ N3 M: i; V) e- R
望高人出现呀,
* X  v  d) |: d- X; ?3 o. E俺着急呀,
发表于 2007-3-7 19:01:39 | 显示全部楼层 来自: 中国吉林四平
我没做过这样的零件,不过我觉得应先做内孔,然后用内孔定位磨外圆。

评分

参与人数 1三维币 +3 收起 理由
sxw68 + 3 继续关注

查看全部评分

发表于 2007-3-7 19:25:46 | 显示全部楼层 来自: 中国河南郑州
什么材料?说说 :lol:
发表于 2007-3-7 21:10:02 | 显示全部楼层 来自: 中国黑龙江佳木斯
先加工内孔,外圆留量,锥度芯轴,磨外圆.

评分

参与人数 1三维币 +3 收起 理由
sxw68 + 3 继续关注,详细些。

查看全部评分

发表于 2007-3-7 23:28:21 | 显示全部楼层 来自: 中国湖北十堰
我觉得,最好是下料时,下一根长料,外园,内孔一次车出,车好后用切刀切下来。

评分

参与人数 1三维币 +3 收起 理由
sxw68 + 3 欢迎积极参与

查看全部评分

发表于 2007-3-8 14:00:49 | 显示全部楼层 来自: 中国北京
普通车床就可以:棒料长一些,内孔、外圆、螺纹一次加工完成,切刀切下来,掉头平端面,倒圆角即可。

评分

参与人数 1三维币 +3 收起 理由
sxw68 + 3 欢迎积极参与

查看全部评分

发表于 2007-3-8 16:18:53 | 显示全部楼层 来自: 中国吉林长春
我觉得第三张图纸应该用冲压加工用冲压模具保证相应的尺寸,一次成型8 W% {; ]: c0 f% @! s1 y+ C
前两张图纸个人认为 应该用数控车床两顶车外径,然后用内涨套禁锢外径,车内孔
. A/ I" E7 {% N* ^内涨套结构设计手册上有介绍

评分

参与人数 1三维币 +3 收起 理由
sxw68 + 3 欢迎积极参与

查看全部评分

发表于 2007-3-8 16:26:09 | 显示全部楼层 来自: 中国天津
就你那薄壁管而言是不是可以去直接拉些管料,然后线切割到长度?(顺便请问是什么材料?粗糙度多少)
发表于 2007-3-8 16:33:51 | 显示全部楼层 来自: 中国黑龙江牡丹江
这个第3工件 我感觉 不可切  % F2 y" r% s  j4 z- s4 t
先出总长- 钻眼- 磨内孔 -穿心轴-外磨
" [; V$ |' x& t. n' i5 e但是我感觉 还是不太好  
% }0 p0 S5 ~( Y( q1 |) E  z我没干过外圆磨  不知道磨的时候多大的力啊?
$ T' P4 p; I  g5 ^# \穿心轴不能太大力 10多道会不会变形?

评分

参与人数 1三维币 +5 收起 理由
sxw68 + 5 应助

查看全部评分

发表于 2007-3-8 19:55:08 | 显示全部楼层 来自: 中国四川成都
那么薄,只有整工装,不然夹持都是个问题……头大!

评分

参与人数 1三维币 +3 收起 理由
sxw68 + 3 欢迎积极参与

查看全部评分

发表于 2007-3-9 20:44:25 | 显示全部楼层 来自: 中国浙江嘉兴
第一第二应该没难度,车加工就行了,第三张不知什么材料,如果是铝或铜,可以拉成管再加工或者冷挤

评分

参与人数 1三维币 +3 收起 理由
sxw68 + 3 应助

查看全部评分

发表于 2007-3-9 21:13:10 | 显示全部楼层 来自: 泰国
楼主的问题有没解决,如果已解决,把方法说出来,让大家共享,非常期待。
发表于 2007-3-12 20:28:37 | 显示全部楼层 来自: 中国湖南长沙
我建议你先加工内孔,然后用夹具安位定位在车外圆。
发表于 2007-3-29 12:26:14 | 显示全部楼层 来自: 中国辽宁丹东
这个题和本论坛曾讨论过的一个薄皮铜套相似,不过看起来比那个复杂,你这个,我建议先用冷挤压的方法制备毛坯再考虑机械加工.
发表回复
您需要登录后才可以回帖 登录 | 注册

本版积分规则


Licensed Copyright © 2016-2020 http://www.3dportal.cn/ All Rights Reserved 京 ICP备13008828号

小黑屋|手机版|Archiver|三维网 ( 京ICP备2023026364号-1 )

快速回复 返回顶部 返回列表