QQ登录

只需一步,快速开始

登录 | 注册 | 找回密码

三维网

 找回密码
 注册

QQ登录

只需一步,快速开始

展开

通知     

全站
7天前
查看: 2993|回复: 11
收起左侧

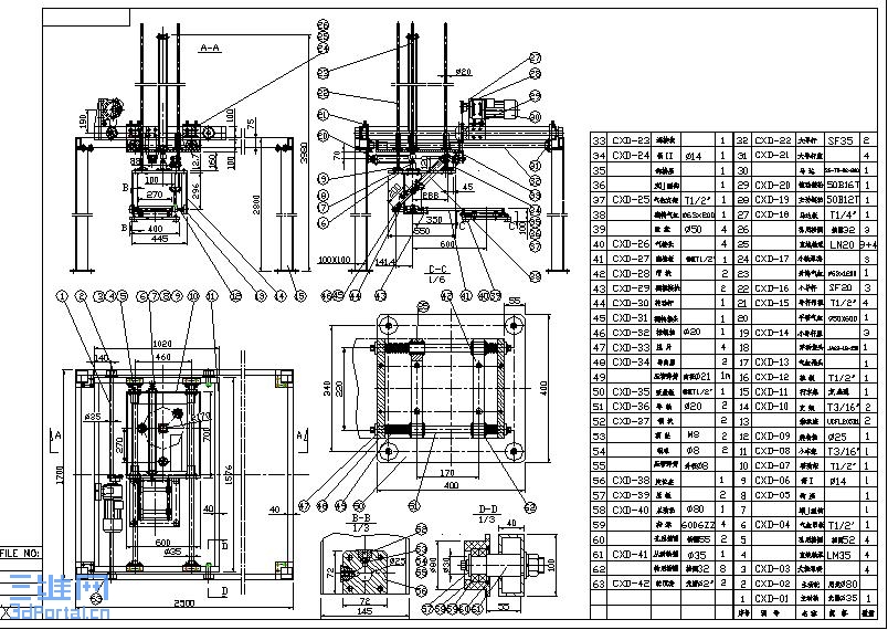
[分享] 吸吊旋转机械手

 关闭 [复制链接]
发表于 2007-2-2 23:20:04 | 显示全部楼层 |阅读模式 来自: 中国四川成都

马上注册,结识高手,享用更多资源,轻松玩转三维网社区。

您需要 登录 才可以下载或查看,没有帐号?注册

x
一种吸吊旋转机械手:handshake- m0 M( Y! p2 L- @. V  u: ^
+ x& t) @1 r+ `% f8 t2 N
[ 本帖最后由 渔樵 于 2007-2-3 15:14 编辑 ]
图纸.jpg

吸吊旋转机械手.rar

391.2 KB, 下载次数: 82

评分

参与人数 1三维币 +3 收起 理由
渔樵 + 3 好资料

查看全部评分

发表于 2007-2-3 18:29:37 | 显示全部楼层 来自: 中国江苏徐州
谢谢楼主拉。 下下来研究研究
) g+ l" Z1 v/ [! k; G
  j: J0 s+ n! d+ m% b! _[ 本帖最后由 zyj10282005 于 2007-2-5 14:03 编辑 ]
发表于 2007-2-5 13:24:33 | 显示全部楼层 来自: 中国浙江杭州
好东东,可以借鉴借鉴,不知道全套做下来要多少CASH
发表于 2007-2-10 16:50:30 | 显示全部楼层 来自: 中国广西南宁
谢谢楼主,下载研究,有零件图就好了.
发表于 2007-3-26 15:17:47 | 显示全部楼层 来自: 中国广东汕头
一种吸吊旋转机械手 谢了
发表于 2007-3-26 21:11:38 | 显示全部楼层 来自: 中国江苏常州
我下载后打开来一看,你们的中文全都变日文(乱码)了,怎么解决?
发表于 2007-3-28 21:57:44 | 显示全部楼层 来自: 中国江苏无锡
还没看懂,仔细看看.希望有用.
发表于 2007-3-31 14:17:35 | 显示全部楼层 来自: 中国山西晋城
谢谢你的资料,以后会有用
发表于 2007-3-31 21:28:34 | 显示全部楼层 来自: 中国湖北十堰
好东西,不知道有没有零件图纸。
 楼主| 发表于 2007-5-25 00:46:30 | 显示全部楼层 来自: 中国四川成都
不好意思,没有零件图
发表于 2007-5-25 07:55:55 | 显示全部楼层 来自: 中国上海
不错的图纸,可以当范例。
发表于 2007-5-25 13:04:23 | 显示全部楼层 来自: 中国安徽合肥
和AutoCAD区的重了,不过那个是后发的。从那里下载不要流量。
+ O; Y5 Y8 T) t: ? http://www.3dportal.cn/discuz/viewthread.php?tid=266972
发表回复
您需要登录后才可以回帖 登录 | 注册

本版积分规则


Licensed Copyright © 2016-2020 http://www.3dportal.cn/ All Rights Reserved 京 ICP备13008828号

小黑屋|手机版|Archiver|三维网 ( 京ICP备2023026364号-1 )

快速回复 返回顶部 返回列表