QQ登录

只需一步,快速开始

登录 | 注册 | 找回密码

三维网

 找回密码
 注册

QQ登录

只需一步,快速开始

展开

通知     

全站
9天前
查看: 2597|回复: 10
收起左侧

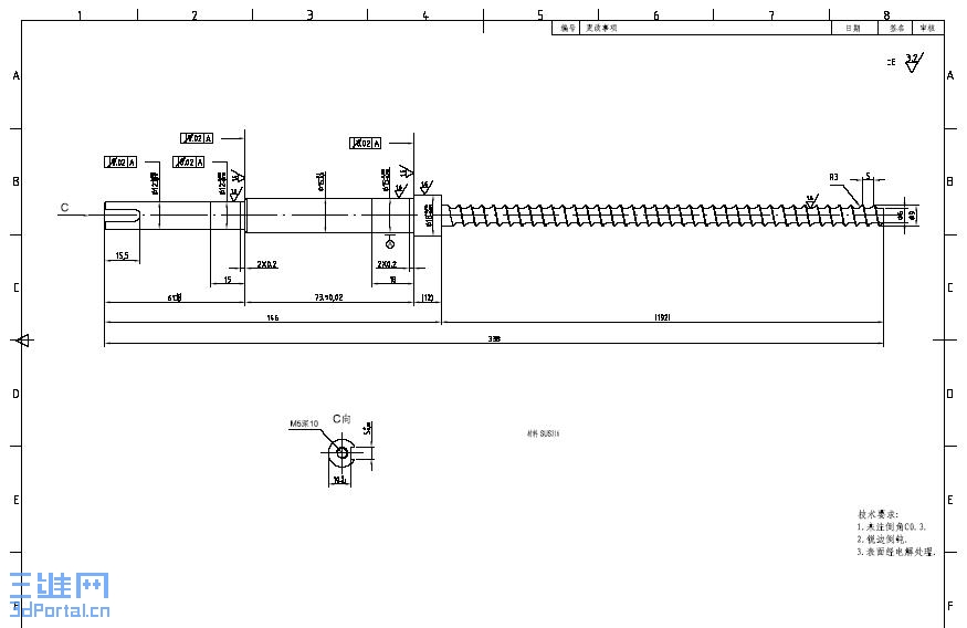
[讨论] l螺杆的工艺

[复制链接]
发表于 2007-1-25 16:43:58 | 显示全部楼层 |阅读模式 来自: 中国上海

马上注册,结识高手,享用更多资源,轻松玩转三维网社区。

您需要 登录 才可以下载或查看,没有帐号?注册

x
希望大家讨论一下螺杆的加工工艺' p! a9 L+ h7 ^: _& \
8 j2 y; \  O$ p+ k& w
[ 本帖最后由 渔樵 于 2007-2-4 08:11 编辑 ]
简介.jpg

odel (1).pdf

70.6 KB, 下载次数: 21

发表于 2008-2-25 09:16:07 | 显示全部楼层 来自: 中国广东广州
可以参考细长轴的加工方法呀,螺杆部分和齿轮加工应该相适.那位高手说说呀!!!

评分

参与人数 1三维币 +1 收起 理由
飞天小猪 + 1 讨论

查看全部评分

发表于 2008-2-25 14:04:03 | 显示全部楼层 来自: 中国重庆
杆加工起来还是好加工的
' V4 b9 r% K, ?% @1 i. Q4 [倒是螺旋片焊在杆上就有点困难了

评分

参与人数 1三维币 +1 收起 理由
飞天小猪 + 1 讨论

查看全部评分

发表于 2008-2-25 15:55:53 | 显示全部楼层 来自: 中国浙江杭州
用仪表车床,前面用个导套是否可行,螺旋部分要求不高

评分

参与人数 1三维币 +1 收起 理由
飞天小猪 + 1 讨论

查看全部评分

发表于 2008-3-1 07:57:01 | 显示全部楼层 来自: 中国浙江舟山
可以用两滚或三滚的滚压加工,先从根部加工然后从尾部退出

评分

参与人数 1三维币 +1 收起 理由
飞天小猪 + 1 讨论

查看全部评分

发表于 2008-3-1 19:00:50 | 显示全部楼层 来自: 中国江苏南京
一.微电脑控制器! Y1 c) Q& J& U" ^6 @: X
电动螺杆空压机电气控制系统是电动螺杆机的关键系统,其主要作用对三相异步电动机(容量大于10KW)起动时降低电压,减少起动电流,不致在供电线路中产生过大的压降,减少对电网的影响。& R4 ~! c5 F+ x% J" u- U
该系统具有下述特点:7 Y  N) y( x. o& {. K6 e
1.       功能及技术参数
. b! G8 O! t' e2 ^①         开关量:9路开关量输入,10路继电器开关量输出;
* q4 n- y, M# L/ A5 A% q②     模拟量:二路pt100温度输入,二路4~20mA变送输入,两组三相电流输入(配置CT);# i& z8 s( }( Y# |
③     相序输入电压:三相380V;
) s  r/ z% t' A4 [. @0 F) Q④     控制器工作电流:220V、50Hz、20VA;3 D$ C* B' m9 {% V' n4 i
⑤     相序保护:当保护器检测到错相时,显示器就会报警,无法起动;) p7 u1 ]/ m# H9 g
⑥     主控器对主电机和风扇电机均具有五种保护功能,分别为堵转保护,短路保护,缺相保护,不平衡保护,过载反时限保护特性;
# Z" f) _5 q" e1 o0 B0 B- s⑦     温度保护:当检测到的实际温度大于设定温度时,动作时间≤2S;
" d' s& R( u1 o2 D4 p2 e⑧     输出继电器触点容量:250V 5A;触点寿命5000000次;# G+ @, d+ R" _5 h: E$ d
⑨     电流显示误差小于1.0%。' h: C) p! ^# C! Y
2.       控制器接线端子9 y* s, y9 Z0 S: I5 U/ w$ X
显示器与主控器由通讯电缆连接,23、24、25为相序输入端子;7、9为排气温度输入端子;CT1为主电机互感器;CT2为风扇电机互感器;32为输出继电器公共端COM1;27控制主接触器(KM1);28控制星形接触器(KM3);29控制三角形接触器(KM2);30加载电磁阀;31控制电机;34控制卸放阀;37运行指示;42为接地;43、44为220V电源。) e. S0 o( n- G
二.控制原理
5 |/ ?7 [$ i' i. _6 I2 A控制器上电后有3秒自检,按启动键不能起动。自检结束后,按起动键主机开始起动;出现故障,按急停键按钮。主机起动过程为:KM3、KM1得电→Y形起动状态→延时时间到(Y/△转换时间),KM3失电(KM2、KM3互锁),KM2得电→电机△形起动。电机起动到△状态后,延时一段时间后,加载电磁阀得电,空压机开始加荷。当气压升高超过设定高限压力时(卸载压力值),加载电磁阀失电,空压机空车运行,在空车时间内,压力没有降到低限压力,控制器将自动停止电机工作,实现空车过久自动停机。为了防止频繁起动控制,按停机键,空车过久停机。故障停机使电机停转时不能马上起动电机,需有一段延时。本控制器在各种停机状态下时间显示窗口倒计时显示剩余延时时间(如90秒),只有延时时间为零时才能起动电机。
发表于 2008-3-3 20:14:52 | 显示全部楼层 来自: 中国山东济南
学习了 哈哈,辛苦灌水
发表于 2008-3-6 19:17:00 | 显示全部楼层 来自: 中国重庆
恩,学习了,灌水,呵呵
发表于 2008-3-7 14:17:52 | 显示全部楼层 来自: 日本
这都是实际的知识啊  在学校里没接触过 学习了
发表于 2008-3-7 14:26:23 | 显示全部楼层 来自: 中国江苏南京
螺杆部分可以用内外渐开线花键配合,分别加工外花键心轴然后分段拉内花键并根据牙型曲线车出螺纹,分多段套上心轴,这样加工维护都比较方便,精度也好保证,综合成本也不比焊接的高
发表于 2008-3-9 10:13:04 | 显示全部楼层 来自: 中国广西柳州
该螺杆加工工艺如下:# B: z2 t0 k/ D
1、下料
- T% P9 R: Q, a, E2、调质处理(改善加工性能); w; K8 Y! `* \
3、车中心孔,半精车各外圆$ Y1 H3 n: p* c9 U# V0 ^
4、粗磨外圆* K4 e7 L% {4 i/ P' A  N/ b5 s
5、粗车(或粗铣)螺旋槽
/ I; |" q) m" r, M  _2 J& H$ s6、去应力退火
2 G9 A* G4 J$ Q& j* |$ w0 z$ j7、修研中心孔,精车各外圆
# p$ w9 T* g! O8、半精磨外圆& e9 e& M5 y& I: M1 E" ]5 R
9、精车(或精铣)螺旋槽
! i# ?. p+ l* a6 l( B# ?& M10、抛光螺旋槽# x/ ^8 B9 Y  S5 C& r0 L, q0 r  S! y
11、铣合键槽
. g$ k" e& j, @* l12、精磨外圆
" B7 k6 O7 k& [; l6 ], t13、车端面内螺纹,车合长度
8 G7 o! I6 _4 F, g& ]$ N14、氮化处理+ K/ n* l4 G4 |7 V- R- C% x
15、抛光螺旋槽/ O8 ~- {2 l! q! `& v+ Z3 P3 Q5 _
16、精磨外圆
发表回复
您需要登录后才可以回帖 登录 | 注册

本版积分规则


Licensed Copyright © 2016-2020 http://www.3dportal.cn/ All Rights Reserved 京 ICP备13008828号

小黑屋|手机版|Archiver|三维网 ( 京ICP备2023026364号-1 )

快速回复 返回顶部 返回列表