QQ登录

只需一步,快速开始

登录 | 注册 | 找回密码

三维网

 找回密码
 注册

QQ登录

只需一步,快速开始

展开

通知     

查看: 2129|回复: 8
收起左侧

[已解决] 恒功率控制功率的电机如何选择?

[复制链接]
发表于 2007-1-19 19:11:58 | 显示全部楼层 |阅读模式 来自: 中国广东

马上注册,结识高手,享用更多资源,轻松玩转三维网社区。

您需要 登录 才可以下载或查看,没有帐号?注册

x
我现在设计一套液压系统,厂家要求我选用A7V柱塞泵,第一次用这种油泵,排量为250ml/r恒功率控制,实际使用压力21MPa,7秒钟一个工作循环,高压工作时间为3秒,请问我该如何选择电机功率?请告诉我具体方法?谢谢1还有就是这种油泵的压力和流量怎么调节啊。  p; Z' S) q- v* C6 @

0 x: m3 K. o& v/ H: t$ [9 o[ 本帖最后由 江边 于 2007-1-27 13:05 编辑 ]
 楼主| 发表于 2007-1-21 16:05:22 | 显示全部楼层 来自: 中国广东佛山

请指教啊!!!!!!!!

请指教啊!怎么没人回复呢?
发表于 2007-1-22 15:14:17 | 显示全部楼层 来自: 中国安徽马鞍山
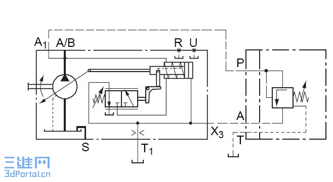
我来发个图看看吧!
未命名.JPG
 楼主| 发表于 2007-1-22 21:55:45 | 显示全部楼层 来自: 中国广东佛山
多谢版主,这是一个恒功率控制,带压力截断功能的控制原理图,我研究过了,原理不难,关键是没接触过,不太有把握确定电极的参数和那些调节性能曲线啊。
发表于 2007-1-23 09:51:55 | 显示全部楼层 来自: 中国湖南长沙
很简单的,你要把你的工作各阶段的流量压力要求描述清楚,然后选择控制方案
 楼主| 发表于 2007-1-26 21:27:55 | 显示全部楼层 来自: 中国广东
谢谢,我知道了解决办法了。
发表于 2007-1-27 00:06:11 | 显示全部楼层 来自: 中国辽宁沈阳
变量系统是根据负载求功率的吧
发表于 2007-1-30 23:02:22 | 显示全部楼层 来自: 中国上海
斑竹发的那张原理图没看明白,希望高手来讲解讲解,谢谢
发表于 2007-2-1 21:38:32 | 显示全部楼层 来自: 中国江苏镇江
斑竹发的这个图好象有点问题,原理上行不通,变量活塞的无杆腔始终通油箱,这样工作时油泵无法变量,能否解释一下?
发表回复
您需要登录后才可以回帖 登录 | 注册

本版积分规则


Licensed Copyright © 2016-2020 http://www.3dportal.cn/ All Rights Reserved 京 ICP备13008828号

小黑屋|手机版|Archiver|三维网 ( 京ICP备2023026364号-1 )

快速回复 返回顶部 返回列表